Главная Случайная страница


Полезное:

Как сделать разговор полезным и приятным Как сделать объемную звезду своими руками Как сделать то, что делать не хочется? Как сделать погремушку Как сделать так чтобы женщины сами знакомились с вами Как сделать идею коммерческой Как сделать хорошую растяжку ног? Как сделать наш разум здоровым? Как сделать, чтобы люди обманывали меньше Вопрос 4. Как сделать так, чтобы вас уважали и ценили? Как сделать лучше себе и другим людям Как сделать свидание интересным?


Категории:

АрхитектураАстрономияБиологияГеографияГеологияИнформатикаИскусствоИсторияКулинарияКультураМаркетингМатематикаМедицинаМенеджментОхрана трудаПравоПроизводствоПсихологияРелигияСоциологияСпортТехникаФизикаФилософияХимияЭкологияЭкономикаЭлектроника






Типовые задачи с решениями





 

1. На нижней граничной частоте двухкаскадного усилителя коэффициент частотных искажений второго каскада МH2 = 1,3 при общем коэффициенте частотных искажений МH =1,41. На средних частотах усиление усилителя КO = 200 и усиление второго каскада КO2 = 10. Определить напряжение на выходе первого каскада на нижней граничной частоте, если входное напряжение усилителя для всех частот одинаково: UВХ =50 мВ.

Решение. Напряжение на выходе первого каскада на средних частотах

UВЫХ = UВХKO1=UВХKO/KO2= 50·10-3·200/10 = 1В.

На нижней граничной частоте напряжение на выходе первого каскада

UВЫХН1 = UВЫХ1Н1 = UВЫХ1·(МН/ МН2)= 1(1,43/1,3)=0,92В.

 

2. Усилитель на транзисторе ГТ308А собран по схеме (см. рис.) Пользуясь входными и выходными характеристиками транзистора ГТЗ08А, определить положение рабочей точки А, если известно, что RK = 240 Ом, R1 =3 кОм, R2 = 100 Ом, EK =10 В

Решение. Определяем напряжение смещения базы: UБЭ = EKR2/(R1 + R2)= 10·100/(3000+100)=0,32 В По входной характеристике транзистора при напряжении UK = 2,5 В находим ток базы в рабочей точке: IБ0 = 0,6 мА. На выходных характеристиках транзистора строим нагрузочную прямую по точкам IK = 0 при UK = ЕK = 10 В, IK = EK/RK = 10/240 = 42 мА при ЕK = 0. Рабочая точка А является точкой пересечения нагрузочной прямой с выходной характеристикой для IБ0 = 600 мкА. В рабочей точке А IKO = 21 мА, UK = 4,7 В.  

 

 

3. В усилительном каскаде на ламповом триоде (см. рис.) напряжение смещения ЕC обеспечивается автоматически за счет катодного тока. Определить сопротивление резистора в цепи катода RK и емкость конденсатора, шунтирующего резистор СK, если требуемое напряжение смещения ЕC= ­ 4,5 В, катодный ток в рабочей точке IKO = 15 мА, диапазон усиливаемых частот f = 30 ÷ 4000 Гц.

Решение. Пользуясь формулой (9), определяем сопротивление резистора в цепи катода: RK = EC/IKO = 4,5/(15·10-3) = 300 Oм. Емкость конденсатора СK выбираем из условия 1 /(f min CK)≤RK/ l0, отсюда СК ≥10/(2π f min RK) = 10/(2·3,14·30·300)= 17,6 мкФ. Выбираем СK = 20 мкФ  

 

 

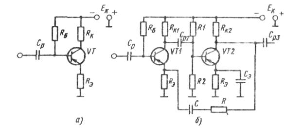
4. Из расчета усилительного каскада (см. рис.) известно, что ток базы IБ0 = 50мкА, ток эмиттера IЭO = 5 мА, напряжение UБЭ = 0,8 В, напряжение EK = 10В. Рассчитать элементы температурной стабилизации.

Решение. Для увеличения стабилизирующего действия схемы сопротивление резистора RЭ следует выбирать как можно большим. Однако при увеличении RЭ уменьшается напряжение на транзисторе UK. Поэтому RЭ определяем из условия UЭ=IЭORЭ = (0,1÷0,2) EK Выбираем UЭ = 0,2, EK = 2B, тогда RЭ=UЭ/IЭО = 2/(5·10 -3) = 400 Ом. Таким образом, для получения требуемого напряжения UBЭ = 0,8 В необходимо на делителе напряжения обеспечить UДЕЛ = UЭ + UБЭ = 2,8 В. Сопротивления резисторов R1, R2 выбираем так, чтобы ток делителя IДЕЛ = EK/(R1+R2) был намного больше тока базы IБ0 и чтобы изменения последнего не влияли на напряжение UДЕЛ.. Обычно IДЕЛ = (3 ÷ 10) IБ0. Выбираем IДЕЛ = 10 IБ0 = 500 мкА = 0,5 мА, тогда  

 

 

R1 + R2 = EK/IДЕЛ = 10/(0,5 • 10 -3) = 20 кОм.

Находим

R2 = UДЕЛ / IДЕЛ =2,8/(0,5·10-3)=5,6 кОм

и

R1=(R1 + R2)-R2 = 20-5,6 = 14,4 кОм.

 

5. В транзисторном усилительном каскаде (см. рис.) мощность входного сигнала РВХ = 0,150 мВт при входном токе IВХ = 500мкА. Определить коэффициент усиления каскада по напряжению, если сопротивление резистора в цепи коллектора RK = 4700Ом, сопротивление нагрузки RH = 350 Ом, а статический коэффициент усиления тока базы h21Э = 40.

Решение. Определяем входное сопротивление каскада: RВХ= РВХ/IВХ2 = 0,15·10-3/(500·10-6)2 = 600Ом. Определяем сопротивление эквивалентной нагрузки в коллекторной цепи каскада: R'H = RK RH/(RK+RH) = 4700·350/(4700+350) = 325 Ом. Определяем коэффициент усиления каскада по на­пряжению: K=h2lЭR'H /RBX = 40 ·325/600 = 21,7.  

 

6. В трехкаскадном усилителе первый каскад, имеющий коэффициент усиления K1 = 20, охвачен цепью отрицательной об­ратной связи с коэффици­ентом KOC1 =0,01, а два других каскада охвачены общей цепью отрицатель­ной связи при коэффици­енте КOC2 = 0,02. Опреде­лить коэффициент усиле­ния усилителя, если коэффициенты усиления второго и третьего каскадов соответственно равны K2 = 20, K3 = 15.

 

Решение. Согласно (см. рис.), коэффициент усиле­ния первого каскада с учетом действия отрицательной обратной связи


К*1 = K1/(1 + KOC K1) = 20/(1 +0,01·20) = 16,7.

Общий коэффициент усиления второго и третьего каскадов с учетом действия отрицательной обратной связи

К*2-3=K2 K3/(1+ КOC2 K2 K3) = 20·15/(1 + 0,020·20·15) = 42,9

Коэффициент усиления усилителя

К* = К*1 К*2-3= 16,7·42,9 = 716,4







Date: 2015-05-08; view: 5057; Нарушение авторских прав



mydocx.ru - 2015-2026 year. (1.062 sec.) Все материалы представленные на сайте исключительно с целью ознакомления читателями и не преследуют коммерческих целей или нарушение авторских прав - Пожаловаться на публикацию