Главная Случайная страница


Полезное:

Как сделать разговор полезным и приятным Как сделать объемную звезду своими руками Как сделать то, что делать не хочется? Как сделать погремушку Как сделать так чтобы женщины сами знакомились с вами Как сделать идею коммерческой Как сделать хорошую растяжку ног? Как сделать наш разум здоровым? Как сделать, чтобы люди обманывали меньше Вопрос 4. Как сделать так, чтобы вас уважали и ценили? Как сделать лучше себе и другим людям Как сделать свидание интересным?


Категории:

АрхитектураАстрономияБиологияГеографияГеологияИнформатикаИскусствоИсторияКулинарияКультураМаркетингМатематикаМедицинаМенеджментОхрана трудаПравоПроизводствоПсихологияРелигияСоциологияСпортТехникаФизикаФилософияХимияЭкологияЭкономикаЭлектроника






Исследования дифференциального усилительного каскада





 

Цель работы: познакомиться с принципом работы дифференциального усилительного каскада.

Общие сведения.

 

В настоящее время, особенно при разработке интегральных схем, широкое распространение получили дифференциальные усилители дифференциальные, т.е. разностными называются усилительный каскад, усиливающий разность двух напряжений. По принципу построения это балансные мостовые усилительные каскады параллельного типа. Они обладают высокой стабильностью параметров при воздействии различных дестабилизирующих факторов, большим коэффициентом усиления.

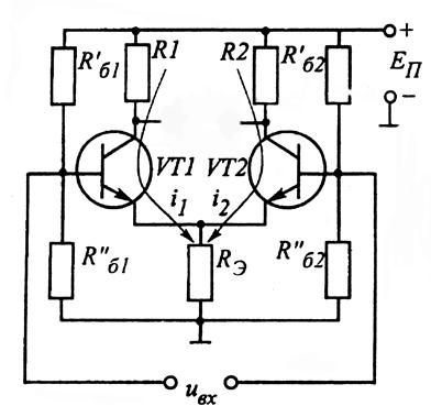
По структуре такой усилитель состоит из 2 каскадов, у которых используется общий эмиттерный резистор (рис.1).

 

Рис. 1

 

Такой усилительный каскад выполняется по принципу сбалансированного моста, два плеча которого образованы резисторами Rк1 и Rк2, а два других транзисторами VT1 и VT2 Выходное напряжение снимается между коллекторами транзисторов. Изменение напряжения питания воздействует одинаково на оба транзистора. Выходное напряжение снимается между коллекторами транзисторов. Изменение напряжения питания воздействует одинаково на оба транзистора. Изменение температуры воздействует на токи транзисторов также одинаково, поэтому при Uвх = 0 Uвых = 0 – режим покоя УК.

Поскольку в реальных УК не удаётся обеспечить идеальную симметрию плеч, то Rэ создаёт ООС небольшой глубины, которая зависит от количества симметрии плеч. Если на базу транзистора VT1 поступает положительный сигнал, а на базу VT2- отрицательный, то проводимость VT1 увеличится а VT2 уменьшится. Произойдёт перераспределение токов в ветвях моста: IК1 увеличится, а IК2 уменьшится. Изменения коллекторных токов приведёт к изменению падения напряжений на резисторах R К1 и RК2. В результате потенциал коллектора транзистора VT1 повысится, а потенциал коллектора VT2 понизится.

Выходное напряжение будет равно разности потенциалов коллекторов: Uвых = Uвых1 – Uвых2 = ΔU.

 







Date: 2015-05-08; view: 697; Нарушение авторских прав



mydocx.ru - 2015-2026 year. (0.379 sec.) Все материалы представленные на сайте исключительно с целью ознакомления читателями и не преследуют коммерческих целей или нарушение авторских прав - Пожаловаться на публикацию