Главная Случайная страница


Полезное:

Как сделать разговор полезным и приятным Как сделать объемную звезду своими руками Как сделать то, что делать не хочется? Как сделать погремушку Как сделать так чтобы женщины сами знакомились с вами Как сделать идею коммерческой Как сделать хорошую растяжку ног? Как сделать наш разум здоровым? Как сделать, чтобы люди обманывали меньше Вопрос 4. Как сделать так, чтобы вас уважали и ценили? Как сделать лучше себе и другим людям Как сделать свидание интересным?


Категории:

АрхитектураАстрономияБиологияГеографияГеологияИнформатикаИскусствоИсторияКулинарияКультураМаркетингМатематикаМедицинаМенеджментОхрана трудаПравоПроизводствоПсихологияРелигияСоциологияСпортТехникаФизикаФилософияХимияЭкологияЭкономикаЭлектроника






Механизм газораспределения. Механизм газораспределения обеспечивает периодический впуск рабочей смеси в цилиндры двигателя и выпуск продуктов сгорания в атмосферу





Механизм газораспределения обеспечивает периодический впуск рабочей смеси в цилиндры двигателя и выпуск продуктов сгорания в атмосферу.

Механизм -газораспределения состоит из кулачковой шайбы, привода кулачковой шайбы, направляющих втулок толкателей, толкателей с роликами, тяг, заключенных в кожухи, коромысел клапанов с регулировочными винтами и роликами, клапанов впуска и выпуска с пружинами, тарелками и замками.

Описание клапанного механизма приведено в разд. 2.1. Принципиальная схема механизма газораспределения приведена на рис. 6.

Через шестеренчатый привод от коленчатого вала приводится во вращение кулачковая шайба, имеющая на наружной поверхности кулачки. Набегая на ролики толкателей, кулачки перемещают их в направляющих в направлении от оси коленчатого вала. Вместе с толкателями перемещаются тяги, установленные между гнездами толкателей и регулировочными винтами коромысел клапанов. Тяга перемещает переднее плечо коромысла в направлении от оси коленчатого вала, заднее плечо приближается к ней, упираясь роликом в торец штока клапана, сжимает клапанные пружины и открывает клапан для впуска свежей смеси или для выпуска отработанных газов. Закрытие клапанов определяется профилем и расположением кулачков на кулачковой шайбе.

Кулачковая шайба (рис. 7) представляет собой стальной диск со ступицей, имеющей на наружной цементированной поверхности два ряда кулачков по четыре кулачка в ряду. Передний ряд кулачков обслуживает ролики толкателей клапанов впуска, задний ряд -ролики толкателей клапанов выпуска. В ступицу запрессована бронзовая втулка, за контренная от проворачивают двумя стопорами. На внутренней поверхности кулачковой шайбы имеется зубчатый венец внутреннего зацепления с зубьями, с помощью которых кулачковая шайба входит в зацепление с зубчатым венцом промежуточного валика газораспределения. Привод кулачковой шайбы (рис. 8) состоит из ведущего зубчатого колеса (I) газораспределения, промежуточного зубчатого колеса (7), промежуточного валика (4) газораспределения, двух шарикоподшипников (6) и (9) и других мелких деталей.

Ведущее зубчатое колесо установлено на носке передней части коленчатого вала и фиксируется от проворачивания призматической шпонкой.

Промежуточное зубчатое колесо (7) газораспределения изготовлено из стали и имеет наружный зубчатый венец с зубьями и ступицу. На внутренней поверхности ступицы выполнены прямоугольные шлицы для установки промежуточного валика (4) газораспределения.

 

Принципиальная схема механизма газораспределения Рис. 6 Кулачковая шайба Рис. 7

Стальной промежуточный валик (4) газораспределения состоит из зубчатого веща, выполненного за одно целое с полым валиком, устанавливаемым на двух шарикоподшипниках.

На средней части валика имеются наружные шлицы для установки зубчатого колеса (7) и две посадочные цилиндрические поверхности под шарикоподшипники. Наружное кольцо переднего шарикоподшипника запрессовано в гнездо передней крышки упорного шарикоподшипника коленчатого вала. Наружное кольцо заднего шарикоподшипника установлено в гнездо крышки привода газораспределения. В собранном узле на валике установлены, начиная от зубчатого венца, задний шарикоподшипник (6), промежуточное зубчатое колесо (7), втулка (8) с передним шарикоподшипником (9), регулировочная шайба (10) и ведущее коническое зубчатое колесо (11) привода регулятора оборотов, которое фиксируется на валике сегментной шпонкой (5). Все детали на валике затянуты гайкой (13) и законтрены замком (12).

Кулачковая шайба вращается в сторону, противоположную вращению коленчатого вала. Фазы газораспределения двигателя обеспечиваются установкой привода кулачковой шайбы и самой шайбы по меткам и особой регулировки не требуют.

В комплект толкателя (рис. 9) входят: направляющая втулка (3), толкатель (4), наконечник (2) толкателя, пружина (I), ролик (5), втулка (6) ролика, ось (7) ролика.

Толкатель (4) представляет собой стальной цилиндрический стержень, имеющий в нижней части прорезь с отверстиями для оси, на которую монтируются плавающая бронзовая втулка и ролик. В верхней части толкателя монтируются пружины и наконечник со сферическим углублением под головку наконечника тяги.

В толкателях, наконечниках тяг, в регулировочных винтах и рычагах клапанов выполнены каналы для подвода смазки к механизмам клапанных коробок.

Направляющая втулка (3) толкателя - стальная, имеет овальный фланец с двумя отверстиями для крепления к среднему картеру. В нижней части направляющей втулки имеется прорезь по ширине ролика, фиксирующая ролик относительно беговой дорожки кулачковой шайбы.


 

1. Ведущее зубчатое колесо 2. Распорная втулка 3. Кулачковая шайба 4. Промежуточный валик газораспределения 5. Шпонка 6. Задний шарикоподшипник 7. Промежуточное зубчатое колесо 8. Втулка шарикоподшипника   9. Передние шарикоподшипник 10. Регулировочная шайба 11. Ведущее зубчатое колесо привода регулятора 12. Пластинчатый замок 13. Гайка  

 

Комплект толкателя Рис. 9 Тяга и кожух тяги Рис. 10
1. Пружина 2. Наконечник толкателя 3. Направляющая втулка толкателя 4. Толкатель 5. Ролик 6. Втулка ролика 7. Ось ролика 1. Тяга 4. Кожух тяги 2. Дюритовый шланг 5. Накидная гайка 3. Хомутик 6. Упорное кольцо  

Направляющие втулки толкателей клапанов впуска цилиндров №1, 2, 8 и 9, а также клапанов выпуска цилиндров №1, 2, 3, 8 и 9 имеют пазы и отверстия для подвода смазки под давлением.

Тяга (I) (рис. 10) толкателя изготовлена из цельнотянутой стальной трубы, в расточенные концы которой запрессованы стальные наконечники со сферическими головками.

Сферическими головками наконечники тяг входят в соответствующие углубления регулировочного винта рычага и. толкателя. Каждая тяга помещается в кожухе (4).

Кожух тяги представляет собой тонкостенную алюминиевую трубку, отбортованную с одного конца и развальцованную с другого.

Все кожухи и тяги взаимозаменяемы.

Развальцованным концом кожух тяги крепится накидной гайкой (5) к штуцеру клапанной коробки цилиндра, а другим концом дюритовым шлангом (2) соединяется с направляющей втулкой толкателя.

Под гайку (5) установлено упорное конусное кольцо (6), прижимающее своей поверхностью конец кожуха (4) к корпусу штуцера. Дюритовые шланги стягиваются хомутиками (3).

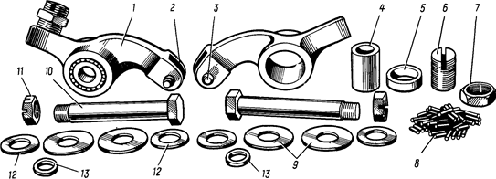
Коромысла клапанов (рис. 11) служат для передачи движения от тяг к клапанам при открытии клапанов и от клапанов к тягам при закрытии клапанов.

Коромысла клапанов изготовлены из стальных поковок и устанавливаются на игольчатых роликах (8), которые опираются на стальную ось (10), вставленную в отверстия клапанных коробок цилиндров. С одного конца коромысла выполнена вилка. В вилку установлен на оси (3) ролик (2), через который передается усилие на шток клапана при работе двигателя. В другой конец коромысла ввертывается регулировочный винт, фиксируемый контргайкой (7) после установки необходимого зазора между роликом коромысла и штоком клапана.

Коромысла клапанов Рис. 11
1. Рычаг 2. Ролик 3. Ось ролика 4. Втулка игольчатого подшипника 5. Кольцо 6. Регулировочный винт 7. Контргайка 8. Игольчатый ролик 9. Шайба игольчатого подшипника 10. Ось коромысла 11. Гайка оси коромысла 12. Шайба 13. Шайба

Игольчатые ролики монтируются на оси (10) с помощью втулки (4), кольца (5) и азотированных шайб (9). Для уплотнения оси (10) коромысла с обеих сторон клапанной коробки установлены в специальных выточках алюминиевые шайбы (13), а под головку оси и гайку (11) - стальные шайбы (12).

Игольчатые ролики коромысел клапанного механизма цилиндров №1, 2, 3, 8 и 9 смазываются под давлением. Смазка к ним поступает через масляные каналы в коромыслах клапанов.

 







Date: 2015-05-08; view: 783; Нарушение авторских прав



mydocx.ru - 2015-2026 year. (0.403 sec.) Все материалы представленные на сайте исключительно с целью ознакомления читателями и не преследуют коммерческих целей или нарушение авторских прав - Пожаловаться на публикацию