Главная Случайная страница


Полезное:

Как сделать разговор полезным и приятным Как сделать объемную звезду своими руками Как сделать то, что делать не хочется? Как сделать погремушку Как сделать так чтобы женщины сами знакомились с вами Как сделать идею коммерческой Как сделать хорошую растяжку ног? Как сделать наш разум здоровым? Как сделать, чтобы люди обманывали меньше Вопрос 4. Как сделать так, чтобы вас уважали и ценили? Как сделать лучше себе и другим людям Как сделать свидание интересным?


Категории:

АрхитектураАстрономияБиологияГеографияГеологияИнформатикаИскусствоИсторияКулинарияКультураМаркетингМатематикаМедицинаМенеджментОхрана трудаПравоПроизводствоПсихологияРелигияСоциологияСпортТехникаФизикаФилософияХимияЭкологияЭкономикаЭлектроника






Обмотка статора





Типы обмоток и общие положения. В асинхронных двигателях с h ≤160 мм обычно выполняют однослойные всыпанные обмотки, а в двигателях с h > 160 мм – двухслойные (из мягких секций или из жестких катушек). В табл. 9-4 указаны типы используемых обмоток и соответственно форма пазов. При выполнении двигателей с однослойными обмотками облегчается применение автоматических обмоточных станков, а при изготовлении их с двухслойными обмотками с укороченным шагом – улучшается форма кривой поля и уменьшается расход меди на лобовые части обмотки. Однослойную обмотку выполняют концентрической. Для механизации обмоточных работ в электродвигателях с h > 160 мм используют разносекционные одно- и двухслойные концентрические обмотки [см. 8; 20].

Высоковольтные электродвигатели выполняют с открытыми пазами. По высоте паза укладывают две катушки, а прямоугольные проводники располагают плашмя. Конструкция обмоток статора описана в § 3-13.

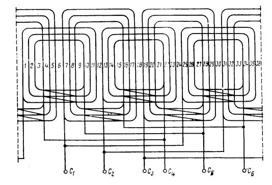
На рис. 9-5 показаны схема трехфазной однослойной концентрической обмотки статора, а на рис. 9-6 – схема трехфазной двухслойной петлевой обмотки статора. Обычно обмотку статора выполняют шестизонной; каждая зона равна 60 эл. град.

 

 

Рис.9-5. Схема трехфазной однослойной концентрической

обмотки статора Z1= 36; 2 p= 4; q1= 3; yп1 =7,9,11

 

Рис. 9-6. Схема трехфазной двухслойной петлевой

обмотки статора Z1= 18; 2 p =2; q1= 3; yп1 =7

 

При шестизонной обмотке коэффициент распределения

(9-9)

где =600/ q1.

Однослойную обмотку выполняют с диаметральным шагом по пазам

. (9-10)

Двухслойную обмотку выполняют с укороченным шагом

. (9-11)

Укорочение шага 1 выбирают таким образом, чтобы yп1 равнялось целому числу, а 1≈0,6 при 2p =2 или 1≈0,8 при 2 p ≥4.







Date: 2015-05-05; view: 2495; Нарушение авторских прав



mydocx.ru - 2015-2026 year. (0.351 sec.) Все материалы представленные на сайте исключительно с целью ознакомления читателями и не преследуют коммерческих целей или нарушение авторских прав - Пожаловаться на публикацию