Главная Случайная страница


Полезное:

Как сделать разговор полезным и приятным Как сделать объемную звезду своими руками Как сделать то, что делать не хочется? Как сделать погремушку Как сделать так чтобы женщины сами знакомились с вами Как сделать идею коммерческой Как сделать хорошую растяжку ног? Как сделать наш разум здоровым? Как сделать, чтобы люди обманывали меньше Вопрос 4. Как сделать так, чтобы вас уважали и ценили? Как сделать лучше себе и другим людям Как сделать свидание интересным?


Категории:

АрхитектураАстрономияБиологияГеографияГеологияИнформатикаИскусствоИсторияКулинарияКультураМаркетингМатематикаМедицинаМенеджментОхрана трудаПравоПроизводствоПсихологияРелигияСоциологияСпортТехникаФизикаФилософияХимияЭкологияЭкономикаЭлектроника






Полевой транзистор как четырехполюсник, Y-параметры. Графическое определение Y-параметров





Рис. 5.23. Схема четырехполюсника

Система y-параметров

Зададим в качестве входных параметров биполярного транзистора как четырехполюсника напряжения U1 и U2, а токи I1 и I2 будем определять как функции этих напряжений. Тогда связь токов и напряжений в линейном приближении будет иметь вид:

Коэффициенты в уравнениях имеют размерность проводимости и определяются следующим образом:

- входная и выходная проводимости.

- проводимости обратной и прямой передач.

Выбор рабочей точки полевого транзистора.

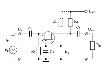
Каскад усиления на полевом транзисторе с ОИ и его расчет

Каскад усиления на полевом транзисторе с ОС и его расчет

Каскад усиления на полевом транзисторе с ОЗ и его расчет







Date: 2015-05-05; view: 1806; Нарушение авторских прав



mydocx.ru - 2015-2026 year. (0.335 sec.) Все материалы представленные на сайте исключительно с целью ознакомления читателями и не преследуют коммерческих целей или нарушение авторских прав - Пожаловаться на публикацию