Главная Случайная страница


Полезное:

Как сделать разговор полезным и приятным Как сделать объемную звезду своими руками Как сделать то, что делать не хочется? Как сделать погремушку Как сделать так чтобы женщины сами знакомились с вами Как сделать идею коммерческой Как сделать хорошую растяжку ног? Как сделать наш разум здоровым? Как сделать, чтобы люди обманывали меньше Вопрос 4. Как сделать так, чтобы вас уважали и ценили? Как сделать лучше себе и другим людям Как сделать свидание интересным?


Категории:

АрхитектураАстрономияБиологияГеографияГеологияИнформатикаИскусствоИсторияКулинарияКультураМаркетингМатематикаМедицинаМенеджментОхрана трудаПравоПроизводствоПсихологияРелигияСоциологияСпортТехникаФизикаФилософияХимияЭкологияЭкономикаЭлектроника






Изучение методики экспериментального исследования электронных схем





 

Цель работы: Изучение измерительных приборов лаборатории полупроводниковых устройств. Освоение основных приемов измерения электрических параметров в узлах электронных устройств.

 

ОПИСАНИЕ ИЗМЕРИТЕЛЬНЫХ ПРИБОРОВ ЛАБОРАТОРИИ ППУ

 

Лаборатория ППУ оснащена типовыми приборами, позволяющими производить инженерные исследования полупроводниковых схем.

Ампервольтметр АВО-5М1 (многопредельный, магнитоэлектрической схемы системы класса 2,5) предназначен для относительно грубых измерений силы тока и напряжения в цепях постоянного и переменного токов, а также сопротивления постоянному току.

Нормальное положение прибора – горизонтальное.

Нормальная частота измеряемого переменного напряжения – 50 Гц.

Диапазоны:

─ постоянный ток: 60 мкА…12 А;

─ переменный ток: 600 мкА…12 А;

─ постоянное напряжение: 3…1200 В;

─ переменное напряжение: 3…1200 В;

─ сопротивление: 3 Ом…3 MОм.

Входное сопротивление прибора на всех пределах постоянного напряжения –
20 кОм, на всех пределах переменного напряжения – 2 кОм.

Падение напряжения на всех пределах постоянного тока 0,27 В.

Погрешность прибора при измерении токов и напряжений менее ±4%.

На лицевой панели прибора имеются два переключателя. Левым выбирается режим измерения, (-, ~, rх), правым – предел измерения, соответствующий отклонению стрелки на всю шкалу.

При измерении постоянного и переменного напряжения используется левая верхняя клемма (-), общая для всех измерений и правая верхняя клемма (V - rx). При измерении постоянного напряжения на эту клемму следует подавать положительный потенциал исследуемой цепи.

При измерении постоянных токов малой величины используется клемма (-) и правая нижняя клемма (+ m A, - m A), а при измерении переменных токов клемма (-) и левая нижняя клемма (~ m A). При измерении постоянных токов прибор следует включать в разрыв исследуемой цепи так, чтобы измеряемой ток втекал в клемму (+ m A, - m A). Для измерения относительно больших токов служат дополнительные клеммы(+1,2 А, +12 А), и (~1,2 A,~12 A), расположенные справа и слева от стрелочного индикатора, причем на любом из указанных пределов второй клеммы является клемма (-).

Перед началом измерения напряжений токов, порядок которых заранее не известен, устанавливаются максимальные пределы измерений во избежание перегрузок прибора и поломок стрелки.

 

Пример 1.

Измеряется напряжение постоянного тока неизвестной величины и полярности в схеме, питаемой от источника напряжения 30 В.

Порядок действий: устанавливаем левый переключатель в положение (-), правый – на диапазон 300 В. Подаем Ux на клеммы (-), (U). При отклонении стрелки влево от нуля, меняем измерительные концы местами. При слабом отклонении стрелки вправо переходим на пределы 30 В или меньшие пределы. Показания отсчитываем по шкале U, A – (вторая сверху). Последняя цифра шкалы (30) соответствует выбранному пределу измерений.

При измерении переменного напряжения действия аналогичны (левый переключатель – в положение (~). Положение измерительных концов – безразличное, отсчет по шкале U, A~ (третья сверху).

 

Пример 2.

Измеряется постоянный ток неизвестного направления и величины в схеме с максимально возможным током 5 А.

Порядок действий: устанавливаем левый переключатель в положение (-), правый – на предел 120 mA, 1,2 A, 12 A. Включаем прибор клеммами (-) и (+12 А) в разрыв исследуемой цепи. При отклонении стрелки влево от нуля, меняем измерительные концы местами. Если отклонение малозаметно переходим на пределы +1,2 и далее на клемму (+ m A m A), с выбором соответствующего предела правым переключателем.

При измерении переменных токов левый переключатель устанавливается в положение (~) и используется клемма (~12 A,~1,2 A, ~ m A).

Потенциометр установки и проверки нуля, находящийся под измерителем, используется только при измерении сопротивлений постоянному току.

Милливольтметр В3-38 со стрелочным отсчетом, класса 2,5…4,0 предназначен для измерений переменного напряжения 0,1 мВ…300 В в диапазоне частот 20 Гц…5 МГц. Шкала прибора проградуирована в эффективных (действующих) значениях синусоидального напряжения. Входное сопротивление прибора – не менее 4 МОм, погрешность – не хуже ±4%. Время самопрогрева – 15 мин.

Выбор предела измерений осуществляется центральным переключателем (цифры черного цвета, справа Вольты, слева мВ). Отсчет измеряемого напряжения производится по первой сверху шкале, если выбранный переключателем предел измерений кратен 10 или по второй сверху шкале, если этот предел кратен 30.


Измеряемое напряжение подается на вход прибора (слева внизу) относительно его массы ("земли"). Масса (корпус) прибора соединен с общим заземлением лаборатории. С этой же точкой соединена клемма ("земля") во всех исследуемых схемах, а также корпуса остальных электронных приборов. Поэтому для исключения аварийных ситуаций и неправильных показаний приборов все измерения следует производить только относительно клеммы ("земля"). Другими словами, входные концы прибора нужно подключить к исследуемой схеме так, чтобы клемма ("земля") на схеме оказалась соединенной с корпусом прибора, а не с его входом. Если измерительные концы прибора не обозначены, то входной зажим легко найти простым опытом. Поставьте переключатель в положение 100 и коснитесь рукой поочередно обоих концов. Прикосновение к входному зажиму вызовет сильное отклонение стрелки. (Аналогично можно найти входной зажим осциллографа по сильному отклонению луча).

Измерение напряжений неизвестного порядка следует начинать, установив переключатель на пределы 10…100 В.

Вольтметр универсальный цифровой В7-27 предназначен для измерения постоянного и переменного напряжений, сопротивления, постоянного тока и температуры. Обеспечивает измерение:

─ постоянного напряжения 100 мкВ…1000 В при R вх=107 Ом;

─ среднеквадратичного напряжения синусоидальной формы 300 мкВ…300 В
в диапазоне частот 20 Гц…100 кГц при R вх=106 Ом;

─ постоянного тока 1 мA…200 мA;

─ сопротивлений 0,001 Ом…20 МОм;

─ температуры –30…+100 °С.

Время самопрогрева – 15 мин.

Выбор рода и предела измерений осуществляется переключателем справа от индикатора с использованием соответствующих гнезд в нижней части. При измерении постоянного напряжения – это гнездо " U = R " и "0", при измерении тока – " I " и "0". Все гнезда изолированы от корпуса и поэтому прибор допускает измерение в произвольных точках схемы, не связанных с клеммой "земля".

Отсчет показаний производится по цифровому индикатору. При неправильном выборе на индикаторе появляется знак перегрузки "П". Если на клемму " U @ R " подано напряжение, положительное относительно "0", на индикаторах высвечивается знак "+", при обратной полярности – "-".

 

ЛАБОРАТОРНЫЕ ИСТОЧНИКИ РЕГУЛИРУЕМОГО ПОСТОЯННОГО НАПРЯЖЕНИЯ

 

Предназначены для питания исследуемых схем стабилизированным напряжением необходимого уровня. Источники могут быть различными по типу (Б5-8, ТЕС, Б5-21,…), однако все они имеют общие особенности:

─ выходное напряжение может регулироваться дискретно или плавно в пределах 0…15 (30) В;

─ выходное напряжение стабилизируется на выборном уровне;

─ источник имеет грубую индикацию уровня выходного напряжения (обычно стрелочным прибором);

─ источник имеет защиту от перегрузок и коротких замыканий, при перегрузках может отключиться.

Если при неправильных действиях со схемой возникла перегрузка источника, необходимо отключить его от сети и обратиться к преподавателю.


Генераторы сигналов предназначены для получения переменного напряжения синусоидальной и других форм регулируемого уровня и частоты в звуковом диапазоне. В лаборатории используются генераторы типа Г3-34, Г3-33, Г3-109, имеющие общие особенности:

─ синусоидальную форму напряжения;

─ ступенчатую регулировку уровня напряжения (ручки "Пределы шкал");

─ плавную регулировку напряжения (ручки "Рег. Выхода");

─ ступенчатую регулировку частоты (ручки "Множитель");

─ плавную регулировку частоты (ручки "Частота");

─ возможность получения двух выходных напряжений, сдвинутых на 180° относительно средней точки (клемма "СТ");

─ стрелочную индикацию выходного напряжения.

Время самопрогрева – 15 мин.

Осциллограф универсальный двухлучевойС1-83 предназначен для визуального наблюдения и исследования электрических сигналов путем:

─ измерения амплитудных (400 мкВ…200 В) и временных (400 нс…20 с) параметров исследуемых сигналов;

─ одновременного изображения двух исследуемых сигналов на одной развертке;

─ изображения функциональной зависимости между двумя сигналами в режиме X - Y.

Выходные сопротивления каналов I, II не менее 1 МОм при С вх=35 пФ. Погрешность измерений менее ±10%. Время самопрогрева – 15 мин.

 

ЭКСПЕРИМЕНТАЛЬНАЯ ЧАСТЬ

 

Ознакомившись с описанием приборов, произвести измерения постоянного напряжения = U 1 в схеме 1 (рис. 1) с помощью АВО-5М и осциллографа С1-83 в режиме " I ". Для этого собрать левую половину схемы 1, соединив проводами внешний источник регулируемого постоянного напряжения с клеммами (" I "), ("земля"). Выходное напряжение источника выбрать произвольно. Результаты измерений предъявить преподавателю.

 

Рис. 1

 

2. Произвести измерения постоянного тока в схеме 1, включив АВО5-М как амперметр последовательно с внешним источником вместо одного из проводов (рис. 2). Разработать схему.

 

Рис. 2

3. Произвести измерения переменного напряжения ~ U 2 в схеме 1, собрав ее правую половину согласно рис.3 с использованием внешнего генератора синусоидального напряжения. Выходное напряжение генератора установить в диапазоне 1…5 В, частоту выбрать в диапазоне 1 кГц. Измерить ~ U 2 вольтметром В3-38 и осциллографом (амплитуду). Измерить осциллографом частоту.

4. Измерить сумму постоянного и переменного напряжения. Для этого собрать полностью схему I (рис. 4). Выходное напряжение внешнего источника = U выбрать произвольным. Выходное напряжение генератора выбрать в диапазоне 100 мВ…1,0 В, частоту установить в диапазоне 10…20 кГц. С помощью осциллографа (канал I) исследовать U 3, зарисовать его осциллограмму. Осциллограф синхронизировать выходным напряжением генератора (режим внешней синхронизации, ждущей развертки). На полученной осциллограмме образмерить постоянную и переменную составляющую напряжения, период переменной составляющей.


Рис. 3

Рис. 4

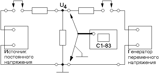
5. Проосциллографировать два напряжения. Для этого собрать схему 2 (рис. 5). Напряжения U 4, U 5 подать на два входа осциллографа в прерывистом режиме. Выходное напряжение ЗГ установить равным 3…5 В (по вольтметру В3-38 или осциллографу). Частоту (10…20 кГц). Синхронизировать осциллограф с выхода генератора. Зарисовать осциллограммы U 4, U 5, образмерив амплитуды, период и фазовый сдвиг между напряжениями. Вместо внешнего генератора синусоидального напряжения подключить к схеме 2 внутренний генератор напряжения прямоугольной формы (гнезда "Ген. "). Осциллограф синхронизировать этим напряжением. Повторить программу пункта 5.

6. Исследовать неизвестное напряжение Ux. Для этого к клеммам Ux (рис. 6) подключить вход I осциллографа, синхронизировать осциллограф напряжением "Ген. ". Зарисовать и образмерить осциллограмму Ux, результаты предъявить преподавателю.

 

Рис. 5

 

Рис. 6

 

Содержание отчета

 

1. Схемы исследуемых устройств.

2. Результаты измерений.

3. Осциллограммы исследуемых электрических процессов.

 







Date: 2015-05-04; view: 651; Нарушение авторских прав



mydocx.ru - 2015-2026 year. (2.311 sec.) Все материалы представленные на сайте исключительно с целью ознакомления читателями и не преследуют коммерческих целей или нарушение авторских прав - Пожаловаться на публикацию