Главная Случайная страница


Полезное:

Как сделать разговор полезным и приятным Как сделать объемную звезду своими руками Как сделать то, что делать не хочется? Как сделать погремушку Как сделать так чтобы женщины сами знакомились с вами Как сделать идею коммерческой Как сделать хорошую растяжку ног? Как сделать наш разум здоровым? Как сделать, чтобы люди обманывали меньше Вопрос 4. Как сделать так, чтобы вас уважали и ценили? Как сделать лучше себе и другим людям Как сделать свидание интересным?


Категории:

АрхитектураАстрономияБиологияГеографияГеологияИнформатикаИскусствоИсторияКулинарияКультураМаркетингМатематикаМедицинаМенеджментОхрана трудаПравоПроизводствоПсихологияРелигияСоциологияСпортТехникаФизикаФилософияХимияЭкологияЭкономикаЭлектроника






Поворотные гидродвигатели





Поворотные гидродвигатели строятся, в основном, по двум схемам: гидродвигатели с лопастью и гидродвигатели с механизмом преобразования поступательного движения во вращательное.

В гидродвигателе с лопастью (рис. 3.13) в цилиндрическом корпусе 1 на валу 4 закреплена лопасть 3. Корпус внутри разделен перегородкой 2. При подаче масла под давлением в левую полость, образованную перегородкой, корпусом и лопастью, лопасть и вал поворачиваются по часовой стрелке. При подаче масла в правую полость лопасть и вал поворачиваются против часовой стрелки. Из-за наличия перегородки угол поворота лопасти всегда меньше 360°, обычно 240°…270°.

j < 300°
 
 
 
 
 
 
 
 
 
 

Рис. 3.13. Поворотный гидродвигатель с лопастью:

1 – корпус; 2 - перегородка; 3 – лопасть; 4 – вал; 5 – уплотнения;
6 – подвод–отвод масла

Момент на валу 4 определяется длинной и шириной лопасти и давлением р. Максимальный угол поворота и момент указываются в паспорте конкретного двигателя.

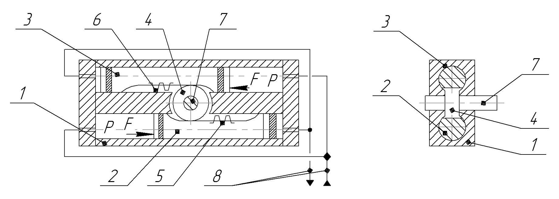
В гидродвигателе с механизмом рейка-шестерня (рис. 3.14) в корпусе 1 смонтированы два плунжерных гидроцилиндра двухстороннего действия. Плунжеры 2 и 3 на концах выполнены как поршни, а в середине имеют рейки 5 и 6. Шестерня 4 с двух сторон сцепляется с рейками. При подаче масла под давлением по подводам 8 плунжеры движутся в разные стороны и поворачивают шестерню с валом 7 по часовой или против часовой стрелки.

p
p
 
 
 
 
 
 
 
 
 
 
 
 
 

Рис. 3.14. Поворотный гидродвигатель с механизмом рейка-шестерня:

1 – корпус; 2, 3 – плунжеры; 4 – шестерня; 5, 6 – рейки; 7 – вал;
8 – подвод-отвод масла

Угол поворота j зависит от хода Н плунжерови радиуса r шестерни

Момент на валу двигателя зависит от площади S плунжера, давления p и радиуса r шестерни







Date: 2015-09-24; view: 1248; Нарушение авторских прав



mydocx.ru - 2015-2026 year. (0.713 sec.) Все материалы представленные на сайте исключительно с целью ознакомления читателями и не преследуют коммерческих целей или нарушение авторских прав - Пожаловаться на публикацию