Главная Случайная страница


Полезное:

Как сделать разговор полезным и приятным Как сделать объемную звезду своими руками Как сделать то, что делать не хочется? Как сделать погремушку Как сделать так чтобы женщины сами знакомились с вами Как сделать идею коммерческой Как сделать хорошую растяжку ног? Как сделать наш разум здоровым? Как сделать, чтобы люди обманывали меньше Вопрос 4. Как сделать так, чтобы вас уважали и ценили? Как сделать лучше себе и другим людям Как сделать свидание интересным?


Категории:

АрхитектураАстрономияБиологияГеографияГеологияИнформатикаИскусствоИсторияКулинарияКультураМаркетингМатематикаМедицинаМенеджментОхрана трудаПравоПроизводствоПсихологияРелигияСоциологияСпортТехникаФизикаФилософияХимияЭкологияЭкономикаЭлектроника






Обобщенная структурная схема ЭВМ





Принцип программного управления вычислениями является основой для определения функционально-минимального состава устройств вычислительной машины. В соответствии с этим принципом, для технической реализации процессов автоматической обработки информации, представленной в дискретной форме, в состав вычислительной машины должны входить: устройство управления, запоминающее устройство, арифметико-логическое устройство, устройства ввода-вывода информации.

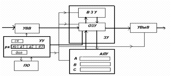
На рис. 1 условно обозначены перечисленные устройства и показаны направления передачи данных и служебной информации, управляющей перемещением и обработкой этих данных в машине. Утолщенными линиями со стрелкой показаны направления передачи данных и инструкций (команд программы), тонкими линиями со стрелкой - потоки управляющих сигналов, генерируемых устройством управления и управляющих циркуляцией и обработкой данных в ЭВМ.

Рассмотрим взаимодействие устройств ЭВМ в процессе выполнения программы.

Программа и исходные данные (подлежащие обработке в процессе выполнения этой программы) по сигналам устройства управления считываются с используемого в конкретном устройстве ввода носителя информации, преобразуются в форму электрических сигналов и передаются в оперативное запоминающее устройство, где размещаются в отведенных полях памяти. Доступность расположенных в этом устройстве данных и команд программ обеспечивается системой адресации - оговоренным методом размещения информации, хранящейся в памяти машины.

Рис. 1. Структурная схема ЭВМ

Система адресации предусматривает присвоение каждому размещаемому в оперативном запоминающем устройстве коду - числу или команде - номера (адреса), однозначно определяющего, в каком именно поле памяти расположена эта информация.

ЗУ - запоминающие устройства;ОЗУ - оперативное запоминающее устройство; ВЗУ - внешнее запоминающее устройство; УУ - устройство управления (ск - счетчик команд; доп - дешифратор операций; рк -регистр команд; ко - код операции; а1,а2,а3- адреса); АЛУ - арифметико-логическое устройство (А- регистр первого операнда; В- регистр второго операнда; С- сумматор); ПО - пульт оператора; УВВ - устройство ввода информации; УВыВ - устройство вывода информации.

Существует много способов адресации и соответствующих методов поиска данных, каждый из которых имеет свои достоинства и недостатки. Не вдаваясь в детали реализации этих методов, необходимо усвоить главное: в подавляющем большинстве современных ЭВМ размещение информации в оперативной памяти и выборка этой информации из памяти всегда осуществляются с использованием адресов.

Поскольку команды программы (как и данные) хранятся в оперативной памяти, выполнение программы можно представить как процесс выборки и выполнения команд, хранящихся в полях памяти с последовательными адресами. Выборка команд из памяти осуществляется устройством управления, которое, во-первых, определяет порядок этой выборки, во-вторых, хранит и расшифровывает каждую поступившую команду.

Содержащаяся в команде информация используется для выработки наборов сигналов, управляющих взаимодействием устройств в процессе выполнения этой команды. Часть кода команды (код операции) используется для выяснения вида подлежащей выполнению операции, в результате чего арифметическое устройство настраивается на соответствующий вид работы. Оставшаяся (адресная) часть кода команды рассматривается как набор адресов данных, участвующих в операции, и результата.

Данные, адреса которых указаны в команде, отыскиваются в оперативном запоминающем устройстве и пересылаются в арифметическое устройство, которое выполняет над ними заданные преобразования. Полученный результат отсылается в оперативное запоминающее устройство и записывается в поле памяти по указанному в команде адресу. Когда выполнение команды закончено, устройство управления формирует адрес следующей команды (в простейшем случае он на единицу больше предыдущего), и процесс повторяется.

По мере выполнения программы в оперативном запоминающем устройстве накапливаются результаты вычислений. Они могут быть выведены из этого устройства в заданной форме на соответствующий носитель информации как в процессе работы программы, так и после ее окончания. Преобразование информации, хранящейся в оперативном запоминающем устройстве, из внутренней (принятой в ЭВМ) формы во внешнюю и фиксация ее на выбранном носителе осуществляются устройствами вывода информации.

Внешние запоминающие устройства работают значительно медленнее, поскольку в них использованы другие, нежели в оперативном запоминающем устройстве, принципы записи, однако они способны одновременно хранить значительные объемы информации. Эти устройства взаимодействуют с ЭВМ периодически, выполняя роль буфера, который в зависимости от обстоятельств используется либо как приемник, либо как источник информации.


Сверхоперативное запоминающее устройство (на рис.1 не показано) по логике работы тесно связано с арифметическим устройством и позволяет в некоторых случаях обрабатывать информацию без обращения к оперативному запоминающему устройству, что ускоряет работу машины. Такая иерархическая структура запоминающих устройств позволяет создать гибкую систему, способную приспосабливаться к разнообразным, зачастую противоречивым, требованиям, предъявляемым к памяти ЭВМ.

Пульт оператора предназначен для связи с ЭВМ на различных режимах ее работы, а также для задания самих этих режимов. Отсюда поступают команды оператора, сюда же выводятся сообщения программных и аппаратных средств ЭВМ.

Рассмотренная структура была характерна для вычислительных машин первых поколений, в которых в числе других структурных нововведений было обеспечено совмещение во времени операций ввода-вывода информации с работой арифметического устройства посредством включения в состав ЭВМ местных устройств управления вводом-выводом информации. Такая организация обмена информацией получила название системы прямого доступа внешних устройств к памяти, а всякое объединение обрабатывающего устройства с местным устройством управления стали называть периферийным процессором.

Децентрализация функций управления вводом-выводом информации в сочетании с другими структурными усовершенствованиями позволила повысить эффективность работы ЭВМ, однако их общая производительность оставалась невысокой. Одной из главных причин этого был однопрограммный режим работы, при котором все ресурсы ЭВМ поступали в распоряжение одной программы на все время ее обработки. При такой организации работы несмотря на независимость операций ввода-вывода данных часто возникают ситуации, когда обрабатывающее устройство вынуждено ожидать окончания обмена (поскольку в этот период арифметическое устройство может быть не загружено из-за отсутствия данных).

Поэтому в следующих моделях ЭВМ была введена система прерываний, позволяющая временно прекращать выполнение текущей программы (например для ввода-вывода информации) и переключать обрабатывающее устройство на выполнение другой программы (на время прерывания первой) и т. д. Система прерываний позволила организовать многопрограммный режим работы ЭВМ (при этом в памяти машины одновременно присутствует информация, относящаяся к разным программам) и существенно повысить их производительность посредством “уплотнения” работы устройства. Обрабатывающее устройство в этих ЭВМ стало объединять функции арифметического и центрального устройства управления, и было названо центральным процессором, или просто процессором.

Для организации взаимодействия центрального процессора и периферийных процессоров ввода-вывода (каналов ввода-вывода информации), обеспечения работы системы прерываний используется набор программ, входящих в состав системного программного обеспечения образующего операционную систему. Операционная система управляет функционированием устройств ЭВМ, автоматизирует подготовку программ к выполнению на ЭВМ и организует это выполнение. Являясь неотъемлемой принадлежностью современных средств цифровой техники, операционные системы увеличивают производительность ЭВМ и предоставляют пользователям многочисленные удобства, упрощающие взаимодействие человека с машиной.


Дальнейшее совершенствование структуры и организации работы ЭВМ привело к созданию вычислительных систем. Основу вычислительной системы составлял ряд (набор) процессоров разной производительности, к которому через унифицированные каналы обмена информацией мог быть подключен широкий набор периферийных устройств: внешнее запоминающее, ввода и вывода информации. Благодаря этому стало возможным создавать вычислительные системы с переменным по производительности и конфигурации (объему памяти, набору периферийных устройств) составом оборудования, наиболее приспособленные к предполагаемой области их использования.

Решающий шаг по внедрению ЭВМ практически во все сферы человеческой деятельности был связан с дальнейшим процессом миниатюризации базовых элементов цифровой техники - электронных “чипов”, сопровождавшийся, кроме резкого уменьшения размеров, снижением энергопотребления, повышения быстродействия и надёжности электронных компонент. Быстро прогрессируя этот процесс привел к созданию персональных ЭВМ (ПЭВМ) простота и удобство работы с которыми, в сочетании с быстродействием и объемом оперативной памяти не уступающими “большим” ЭВМ, позволили чрезвычайно расширить круг пользователей этой техники.







Date: 2015-09-26; view: 1661; Нарушение авторских прав



mydocx.ru - 2015-2026 year. (0.496 sec.) Все материалы представленные на сайте исключительно с целью ознакомления читателями и не преследуют коммерческих целей или нарушение авторских прав - Пожаловаться на публикацию