Главная Случайная страница


Полезное:

Как сделать разговор полезным и приятным Как сделать объемную звезду своими руками Как сделать то, что делать не хочется? Как сделать погремушку Как сделать так чтобы женщины сами знакомились с вами Как сделать идею коммерческой Как сделать хорошую растяжку ног? Как сделать наш разум здоровым? Как сделать, чтобы люди обманывали меньше Вопрос 4. Как сделать так, чтобы вас уважали и ценили? Как сделать лучше себе и другим людям Как сделать свидание интересным?


Категории:

АрхитектураАстрономияБиологияГеографияГеологияИнформатикаИскусствоИсторияКулинарияКультураМаркетингМатематикаМедицинаМенеджментОхрана трудаПравоПроизводствоПсихологияРелигияСоциологияСпортТехникаФизикаФилософияХимияЭкологияЭкономикаЭлектроника






Виготовлення і закладання центрів





Пункти полігонометричних мереж закріплюються на місцевості центрами. Центри служать для точного позначення місця розміщення пункта і довготривалого його збереження. Центри можуть мати різну конструкцію, в залежності від фізико-географічних умов їх закладання. Пункти планових мереж закріплюються ґрунтовими, скельними, стінними центрами, а також пунктами на будівлі.

Типи центрів геодезичних мереж регламентуються “Інструкцією про типи центрів геодезичних пунктів” (ГКНТА — 2.01, 02–01–93), ГУГК і К, Київ, 1994.

Зокрема, вузлові пункти полігонометричних мереж 4 класу та суміжні з ними пункти 4 класу закріплюються центрами типу 160 (рис. 2.2.1).

Ці центри закладаються на глибину, що знаходиться нижче межі промерзання ґрунту на 50 см. Таким чином, висота залізобетонного моноліту становить не менше 120 см.

Рис2.2.1. Центр пункту полігонометрії, трилатирації і тріангуляції 4 класу, 1 і 2 розрядів та грунтового реперу (тип 160)

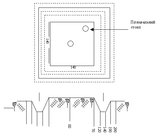
Зовнішнє оформлення центру типу 160 виконують обкопуванням квадратної форми з канавою, розміри якої приведені на рис. 2.2.2.

Рис. 2.2.2 Зовнішнє оформлення центру типу 160

Інші пункти полігонометричних мереж 4 класу (тобто не вузлові і не суміжні з вузловими), а також пункти полігонометрії 1 і 2 розрядів закріплюються менш капітальними монолітами, висота яких становить 70–75 см. На незабудованих територіях закладають центр типу У15Н, на забудованих — типу У15 або У15к (див. рис.2.2.4, 2.2.5.,2.2.6). На забудованих територіях пункти полігонометрії також можуть бути закріплені стінними знаками. Загальний вигляд стінного знаку типу 143 показано на рис 2.2.3.

Рис 2.2.4. Центр пункту полігонометрії, трилатирації і тріангуляції 4 класу, 1 і 2 розрядів для забудованих територій, райцентрів, міст, селищ, сільських населених пунктів (тип У15)

Рис. 2.2.5. Центр пункту полігонометрії, трилатирації і тріангуляції 4 класу, 1 і 2 розрядів для міст Києва, Севастополя і обласних центрів (тип У15к)

Рис 2.2.6. Центр пункту полігонометрії, трилатирації і тріангуляції 4 класу, 1 і 2 розрядів для незабудованої території (тип У15н)

Рис 2.2.3. Стінний знак пункту полігонометрії, 4 класу, 1 і 2 розрядів (тип 143)

В стіні або фундаменті капітальної будівлі видовбують отвір, у який на цементному розчині встановлюють стінний знак. Використовувати його для роботи можна не раніше ніж через два дні після закладання.

На забудованих територіях пункти планових мереж усіх класів і розрядів встановлюють також на будівлях. В цьому випадку застосовується конструкція типу У16(Рис. 2.2.7.).

Рис. 2.2.7. Центр пункту тріангуляції, трилатирації і полігонометрії на будівлі (тип У16)






Date: 2015-09-18; view: 916; Нарушение авторских прав



mydocx.ru - 2015-2026 year. (0.927 sec.) Все материалы представленные на сайте исключительно с целью ознакомления читателями и не преследуют коммерческих целей или нарушение авторских прав - Пожаловаться на публикацию