Главная Случайная страница


Полезное:

Как сделать разговор полезным и приятным Как сделать объемную звезду своими руками Как сделать то, что делать не хочется? Как сделать погремушку Как сделать так чтобы женщины сами знакомились с вами Как сделать идею коммерческой Как сделать хорошую растяжку ног? Как сделать наш разум здоровым? Как сделать, чтобы люди обманывали меньше Вопрос 4. Как сделать так, чтобы вас уважали и ценили? Как сделать лучше себе и другим людям Как сделать свидание интересным?


Категории:

АрхитектураАстрономияБиологияГеографияГеологияИнформатикаИскусствоИсторияКулинарияКультураМаркетингМатематикаМедицинаМенеджментОхрана трудаПравоПроизводствоПсихологияРелигияСоциологияСпортТехникаФизикаФилософияХимияЭкологияЭкономикаЭлектроника






Сравнение результатов измерений с теоретическими положениями

 

 

2. Провести идентификацию апериодического звена

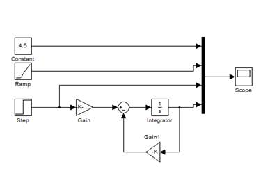
а) Идентификация по переходной характеристике h(t)

k= 4.5

T= 1.8

a= 0.56

b= 2.52

Воспроизводится заданная переходная характеристика совместно с линией установившегося значения и касательной в нуле.

b) Идентификация по частотной характеристике.

Рассматривается случай, когда установившиеся гармонические колебания сигнала на выходе схемы отстают от входного сигнала на 1/8 периода колебаний Тк.

Тк= 2.7

А вых= 3.6

а= 2.33

 

 

 

3. Исследование фазоопережающей цепочки.

3.1 Получение переходной характеристики.

 

В структурной схеме на рисунке 3.1 установлены заданные параметры:

T1< T2, T1 = 0,18, T2 = 0,9

K = 1

 

Структурная схема фазоопережающей цепочки

 

 

Переходная характеристика фазоопережающего звена

 

 

Годограф фазоопережающего звена

 

 

 

ЛАФЧХ фазоопережающего звена

 

4. Исследование фазозапаздывающей цепочки.

 

 

Структурная схема фазозапаздывающей цепочки

 

 

Переходная характеристика фазозапаздывающего звена

Годограф фазозапаздывающего звена

 

 

 

ЛАФЧХ фазозапаздывающего звена

 

 

В области низких частот

 

 

в области средних частот

 

 

для высоких частот

 

 

 

4.2 Определение на модели амплитудную и фазовую частотные характеристики по трем точкам.

 

 

5. Анализ неминимально- фазовой системы.

5.1. Получение переходных характеристики.

При моделировании таких систем была использована структурную схема, приведенную на рисунке 5.1 и 5.2, изменяя лишь нужным образом знаки суммирования в сумматорах. При получении на модели переходных характеристик для этих систем не возникает проблем.

 

 

6. Смоделировать систему стабилизации напряжения генератора с интегральным законом управления, установив заданные параметры

Ку=10

Кг=9

Rя=3,6

 

Получить семейство переходных характеристик на выходе системы как реакцию на ступенчатое входное воздействие, для нескольких значений Rя

 

 

 



<== предыдущая | следующая ==>
Общие сведения. Равноточными измерениями -называется ряд измерений некоторой величины, сделанных при помощи средств измерений (СИ) | Теплотехническая часть производства





Date: 2015-09-18; view: 509; Нарушение авторских прав



mydocx.ru - 2015-2026 year. (1.177 sec.) Все материалы представленные на сайте исключительно с целью ознакомления читателями и не преследуют коммерческих целей или нарушение авторских прав - Пожаловаться на публикацию