Главная Случайная страница


Полезное:

Как сделать разговор полезным и приятным Как сделать объемную звезду своими руками Как сделать то, что делать не хочется? Как сделать погремушку Как сделать так чтобы женщины сами знакомились с вами Как сделать идею коммерческой Как сделать хорошую растяжку ног? Как сделать наш разум здоровым? Как сделать, чтобы люди обманывали меньше Вопрос 4. Как сделать так, чтобы вас уважали и ценили? Как сделать лучше себе и другим людям Как сделать свидание интересным?


Категории:

АрхитектураАстрономияБиологияГеографияГеологияИнформатикаИскусствоИсторияКулинарияКультураМаркетингМатематикаМедицинаМенеджментОхрана трудаПравоПроизводствоПсихологияРелигияСоциологияСпортТехникаФизикаФилософияХимияЭкологияЭкономикаЭлектроника






Типовые динамические звенья





Типовые динамические звенья - совокупность элементарных, универсальных математических функций наиболее часто используемых при построении динамических моделей реальных объектов. Представляют собой ДУ, записанные в особой форме - в виде ПФ связывающих входной и выходной сигналы звеньев. Обычно ПФ записываются не для временного домена, а для домена Лапласа, связывая в этом варианте не сигналы (т.е. не функции времени), а их изображения.

 

Безынерционное звено

Апериодическое звено 1-го порядка

Апериодическое звено 2-го порядка

Колебательное звено

 

Консервативное звено

 

Интегрирующее звено

Интегрирующее звено с запаздыванием

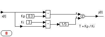
Изодромное звено

Дифференцирующее звено

Дифференцирующее звено (с замедлением)

 

Наличие нулевых корней в числителе или знаменателе ПФ типовых звеньев - это признак для разбиения последних на три группы:

  • Позиционные звенья: 1, 2, 3, 4, 5, - не имеют нулевых корней, и, следовательно, в области низких частот (т.е. в установившемся режиме), имеют коэффициент передачи равный k.
  • Интегрирующие звенья: 6, 7, 8, - имеют нулевой корень-полюс, и, следовательно, в области низких частот, имеют коэффициент передачи, стремящийся к бесконечности.
  • Дифференцирующие звенья: 9, 10 - имеют нулевой корень-ноль, и, следовательно, в области низких частот, имеют коэффициент передачи, стремящийся к нулю.

 







Date: 2015-09-19; view: 808; Нарушение авторских прав



mydocx.ru - 2015-2026 year. (0.304 sec.) Все материалы представленные на сайте исключительно с целью ознакомления читателями и не преследуют коммерческих целей или нарушение авторских прав - Пожаловаться на публикацию