Главная Случайная страница


Полезное:

Как сделать разговор полезным и приятным Как сделать объемную звезду своими руками Как сделать то, что делать не хочется? Как сделать погремушку Как сделать так чтобы женщины сами знакомились с вами Как сделать идею коммерческой Как сделать хорошую растяжку ног? Как сделать наш разум здоровым? Как сделать, чтобы люди обманывали меньше Вопрос 4. Как сделать так, чтобы вас уважали и ценили? Как сделать лучше себе и другим людям Как сделать свидание интересным?


Категории:

АрхитектураАстрономияБиологияГеографияГеологияИнформатикаИскусствоИсторияКулинарияКультураМаркетингМатематикаМедицинаМенеджментОхрана трудаПравоПроизводствоПсихологияРелигияСоциологияСпортТехникаФизикаФилософияХимияЭкологияЭкономикаЭлектроника






Вивірка прицілу ПАГ-17





 

74. Гранатомет, що знаходиться в підрозділі, повинен мати справний і вивірений приціл.

Вивірка прицілу гранатомета проводиться:

- при надходженні гранатомета до підрозділу;

- перед першою стрільбою та потім після кожних 3 – 5 стрільб;

- після ремонту гранатомета;

- при виявленні під час стрільби значних відхилень гранат від точки прицілювання.

У бойовій обстановці вивірка прицілу гранатомета проводиться періодично при кожній можливості.

Перед вивіркою прицілу варто ретельно оглянути гранатомет та усунути виявлені недоліки, а також перевірити трубку холодного пристрілювання (ТХП).

Для перевірки ТХП необхідно:

- уставити ТХП у канал стволу гранатомету (при незначному натиску стержень не повинен хитатися в стволі);

- установити різкість зображення на окулярі ТХП; при розгляді окремих предметів і погойдуванні голови праворуч та ліворуч перехрестя сітки не повинне зміщатися з точки наведення більш ніж на 3’ (на 2/3 найменшого розподілу сітки);

- за допомогою рівня на ТХП надати стволу гранатомета горизонтальне положення; сполучити перехрестя сітки ТХП із точкою наведення на мішені, виставленій не менш ніж за 20 м від гранатомету; повернути трубку на 180°, при цьому перехрестя сітки не повинне зміщатися з точки наведення більш ніж на 3’ (на 2/3 найменшого розподілу сітки).

Якщо ТХП не задовольняє зазначеним вимогам, то вона підлягає ремонту (регулюванню) в оптичній майстерні.

75. Вивірка прицілу проводиться під керівництвом командира роти. Прямі начальники, до командира частини включно, зобов’язані стежити за точним дотриманням правил вивірки прицілів.

76. Вивірка прицілу може проводитись по віддаленій точці чи по мішені для вивірення.

77. Для вивірки прицілу гранатомета по віддаленій точці необхідно:

- установити гранатомет на рівній площадці та надати йому горизонтального положення;

- вибрати на відстані не менш 500 – 600 м від гранатомета добре видиму точку;

- вставити до стволу гранатомета з дулової частини трубку холодної пристрілки та підняти прапорець трубки нагору;

- користуючись механізмами наведення гранатомета, навести перехрестя сітки трубки холодної пристрілки у віддалену точку та закріпити механізми наведення;

- спостерігаючи крізь окуляр прицілу, обертанням барабанчиків кутоміра та прицілу сполучити верхній кутник сітки прицілу з обраною точкою наведення, при цьому шкала кутоміра повинна бути встановлена на 30-00, а шкала прицілу – на 0-00;

- якщо на шкалах барабанчиків кутоміра і прицілу будуть інші значення, необхідно вигвинтити на 1 – 1,5 обертів гвинти барабанчиків, поворотом шкал установити нульові розподіли шкал проти їхніх покажчиків і загвинтити гвинти;

- у випадку розбіжності покажчика великих розподілів прицілу з розподілом «0» необхідно вигвинтити на 2 – 3 оберти гвинти покажчика, сполучити покажчик з розподілом «0» і загвинтити гвинти;

- надати стволу гранатомета горизонтальне положення за рівнем на ТХП, при цьому пухирець подовжнього рівня прицілу повинен бути в серед ньому положенні; якщо пухирець рівня знаходиться не в середньому положенні, необхідно вигвинтити на один-два оберти стопорні гвинти втулки рівня й обертанням втулки вивести пухирець рівня в середнє положення; утримуючи втулку, загвинтити стопорні гвинти.

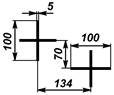
Мал. 42. Мішень для вивірення

 

78. Для вивірки прицілу по мішені для вивірення (мал. 42) необхідно:

- установити гранатомет на рівній площадці та надати йому горизонтального положення;

- установити щит з мішенню для вивірення вертикально на схилі перед гранатометом на відстані 20 – 30 м від дулового зрізу ствола;

- вставити до стволу гранатомету з дулової частини трубку холодної пристрілки та підняти прапорець трубки нагору;

- користуючись механізмами наведення гранатомета, навести перехрестя ТХП в праве перехрестя мішені;

- спостерігаючи в окуляр прицілу, обертанням барабанчиків кутоміра і прицілу сполучити верхній кутник сітки прицілу з лівим перехрестям мішені; при цьому шкала кутоміра повинна бути встановлена на 30-00, а шкала прицілу – на 0-00;

- якщо на шкалах барабанчиків кутоміру та прицілу будуть інші значення, то внести відповідні виправлення, як і при вивірці прицілу по віддаленій точці.

79. При відсутності трубки холодної пристрілки для вивірки прицілу гранатомета необхідно хрестоподібно натягнути нитки в прорізях на дуловому зрізі ствола; відкрити затильник і від’єднати затвор з зворотними пружинами; вставити в патронник гільзу з отвором діаметром 2 – 4 мм, просвердленим у центрі її дна; спостерігаючи через отвір у гільзі, навести перехрестя на дуловому зрізі ствола у віддалену точку чи в праве перехрестя мішені для вивірення, а потім діяти так само, як і при вивірці прицілу гранатомета з використанням трубки холодної пристрілки.








Date: 2015-09-19; view: 877; Нарушение авторских прав



mydocx.ru - 2015-2026 year. (0.992 sec.) Все материалы представленные на сайте исключительно с целью ознакомления читателями и не преследуют коммерческих целей или нарушение авторских прав - Пожаловаться на публикацию