Главная Случайная страница


Полезное:

Как сделать разговор полезным и приятным Как сделать объемную звезду своими руками Как сделать то, что делать не хочется? Как сделать погремушку Как сделать так чтобы женщины сами знакомились с вами Как сделать идею коммерческой Как сделать хорошую растяжку ног? Как сделать наш разум здоровым? Как сделать, чтобы люди обманывали меньше Вопрос 4. Как сделать так, чтобы вас уважали и ценили? Как сделать лучше себе и другим людям Как сделать свидание интересным?


Категории:

АрхитектураАстрономияБиологияГеографияГеологияИнформатикаИскусствоИсторияКулинарияКультураМаркетингМатематикаМедицинаМенеджментОхрана трудаПравоПроизводствоПсихологияРелигияСоциологияСпортТехникаФизикаФилософияХимияЭкологияЭкономикаЭлектроника






Основные требования к а.з.о





а) быстродействие , где

время отключения а.з.о. складывается из времени срабатывания прибора з.о. (реле ) и времени срабатывания собственного автомата (0,06с электромагнитного и с теплового) ;

б) надежность, т.е. отсутствие отказов, а также ложных срабатываний;

в) высокая чувствительность, т.е. способность реагировать на малые изменения входного сигнала;

г) селективность – отключение только аварийного участка;

д) самоконтроль, а.з.о. могут применятся в сетях любого напряжения с любым режимом нейтрали (больше – до 1000В).

Принцип построения схем а.з.о. зависит от типа входного сигнала, поступающего к датчику:

- напряжение на корпусе (прямого действия);

- напряжение нулевой последовательности (косвенного действия);

- ток нулевой последовательности (косвенного действия);

- ток замыкания на землю (прямого действия);

- комбинированные.

Применяется в СССР:

- в передвижных устройствах;

- как дополнительная мера к защите заземления и заземления;

- в электроинструментах.

Пример: удар током от прикосновения к троллейбусу (если есть утечка на корпус). Ежегодно от этого гибнет около 50 человек.

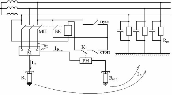
Схема а.з.о. (вх. сигнал – напряжение на корпусе). Схема осуществляет защиту от глухих замыканий на землю и пригодна для сетей с изолированной и заземленной нейтралью, любого напряжения.

Такие схемы могут применятся только совместно с заземлением или другими мерами защиты. Напряжение срабатывания , при этом воздействует на реле , нормально – замкнутые контакты которого размыкаются и отключают МП.

Достоинства - простая.

Недостатки:

1) нет контроля исправности и самоконтроля;

2) зависит от ;

3) трудности с селективностью при общем заземлении;

4) требуются вспомогательные заземления.

Схема а.з.о. (входной сигнал – ток нулевой последовательности). В этой схеме датчиком является трансформатор тока нулевой последовательности ТТНЛ. Первичная обмотка ТТНЛ – три фазных провода (1), вторичная обмотка (2) намотана на кольцевом магнитопроводе (3).

Схема а.з.о. по току н.п. а) принципиальная б) ТТНП

Схемы этого типа осуществляют защиту от глухих ( ) или неполных ( ) замыканий на землю.

Назначение – обеспечить безопасность при прикосновении и заземлении или занулении корпуса при попадании на него фазы или при прикосновении к токоведущим частям электроустановки.

В нормальном режиме геометрическая сумма токов трех фаз равна нулю . При замыкании на корпус симметрия токов нарушается .

Реле тока Т срабатывает при и отключается с помощью МП оборудованное М.

Схема имеет:

1) высокое быстродействие;

2) чувствительность;

3) обеспечивает селективность;

4) не зависит от сопротивления заземления;

5) пригодность для схем с заземленной и изолированной нейтралью ( ).







Date: 2015-08-15; view: 458; Нарушение авторских прав



mydocx.ru - 2015-2026 year. (0.491 sec.) Все материалы представленные на сайте исключительно с целью ознакомления читателями и не преследуют коммерческих целей или нарушение авторских прав - Пожаловаться на публикацию