Главная Случайная страница


Полезное:

Как сделать разговор полезным и приятным Как сделать объемную звезду своими руками Как сделать то, что делать не хочется? Как сделать погремушку Как сделать так чтобы женщины сами знакомились с вами Как сделать идею коммерческой Как сделать хорошую растяжку ног? Как сделать наш разум здоровым? Как сделать, чтобы люди обманывали меньше Вопрос 4. Как сделать так, чтобы вас уважали и ценили? Как сделать лучше себе и другим людям Как сделать свидание интересным?


Категории:

АрхитектураАстрономияБиологияГеографияГеологияИнформатикаИскусствоИсторияКулинарияКультураМаркетингМатематикаМедицинаМенеджментОхрана трудаПравоПроизводствоПсихологияРелигияСоциологияСпортТехникаФизикаФилософияХимияЭкологияЭкономикаЭлектроника






Расчет сборочного узла агрегата на прочность. В качестве сборочного узла для расчета на прочность выбираем силовую нервюру на втором узле навески руля направления





В качестве сборочного узла для расчета на прочность выбираем силовую нервюру на втором узле навески руля направления.

Силовая нервюра помимо сохранения аэродинамического контура профиля киля и восприятия воздушной нагрузки предназначена для восприятия больших сосредоточенных нагрузок от руля направления.

Кроме того, усиленные нервюры применяются для восприятия касательных сил с контура обшивки и передаче этих сил на другой контур в виде сосредоточенных сил в месте крепления нервюры. Так как воздушная нагрузка значительно меньше действует на нервюру сосредоточенных сил, то при расчете ею пренебрегают.

Расчетной схемой для рассматриваемой нервюры является балка на двух опорах с приложенной к ней нагрузки от руля направления (рисунок 9.1):

 

Рисунок 9.12 Расчетная схема нервюры

 

За длину балки принимаем расстояние от переднего лонжерона до оси вращения РН.

Полученные реакции имеют следующие реакции:

 

RН1 = 480 кг

RН2 = 1201 кг

Эпюра перерезывающих сил будет иметь вид:

Эпюра изгибающих моментов будет иметь вид:

Нервюра не является разрезным элементом, поэтому расчет целесообразно вести для одного ее участка.

Рассмотрим участок нервюры между лонжеронами:

Определяем усилие в поясе нервюры:

Определяем площадь пояса нервюры:

Определяем толщину стенки нервюры:

Принимаем:

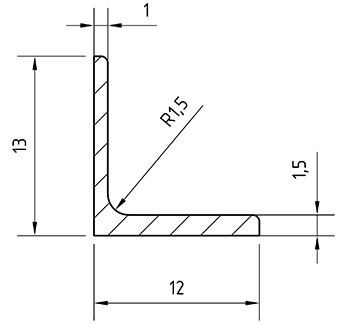
Для пояса силовой нервюры конструктивно выбираем профиль –прессованный прямоугольный неравнополочного уголкового сечения ПП 4–170

 

Рисунок 9.13 Профиль поперечного сечения пояса нервюры

 

 







Date: 2015-07-27; view: 861; Нарушение авторских прав



mydocx.ru - 2015-2026 year. (1.578 sec.) Все материалы представленные на сайте исключительно с целью ознакомления читателями и не преследуют коммерческих целей или нарушение авторских прав - Пожаловаться на публикацию