Трансформатор
1. ПРОДОЛЬНАЯ ДИФФЕРЕНЦИАЛЬНАЯ ЗАЩИТА
ГЕНЕРАТОРА БЛОКА
Для защиты генератора блока от междуфазных повреждений применяется продольная дифференциальная защита. Принцип ее действия, как и любой другой продольной дифференциальной защиты, основан на сравнении токов с обеих сторон защищаемого объекта. Защита подключается к трансформаторам тока, установленным со стороны линейных и нулевых выводов генератора. Вторичные обмотки трансформаторов тока одноименных фаз и реле соединяют между собой таким образом, чтобы при коротком замыкании вне защищаемой зоны, ограниченной измерительными трансформаторами, ток в реле отсутствовал или был близок к нулю, а при повреждении внутри генератора был больше уставки срабатывания реле.
Продольная дифференциальная защита генератора обычно выполняется в трехфазном исполнении (с трансформаторами тока в трех фазах), чтобы обеспечить срабатывание и при двойных замыканиях на землю, когда одно из мест пробоя находится вне защищаемой зоны.
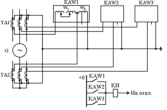
При мощности генератора блока 60-120 МВт продольная защита выполняется с использованием реле РНТ-565 (рисунок 1), а при мощности генератора 160 МВт и более - с использованием реле с торможением ДЗТ-11/5 (рисунок 2). 
Рисунок 1 - Схема продольной дифференциальной защиты генератора
серии ТВФ-100 с использованием реле РНТ-565
2.1.1. Расчет продольной дифференциальной токовой защиты,
выполненной на реле РНТ-565 Данная защита предусматривается для генераторов серии ТВФ. Применяется в трехфазном трехсистемном исполнении. Для защиты используется реле типа РНТ-565 с насыщающимся трансформатором усиленного действия, позволяющим отстроиться от бросков тока намагничивания.
Расчет защиты выполняется в следующем порядке.
1. Первичный ток срабатывания защиты выбирается по условию отстройки от максимального тока небаланса при переходном режиме внешнего короткого замыкания или при асинхронном ходе:
, (1)
где - наибольшее значение тока небаланса при внешнем коротком замыкании или при асинхронном ходе:
, (2)
где - коэффициент, учитывающий переходный режим (наличие апериодической составляющей), для реле типа РНТ и ДЗТ =1;
- коэффициент однотипности трансформаторов тока, принимается для однотипных трансформаторов тока равным 0,5, а для разнотипных - 1;
- допустимая погрешность трансформаторов тока, принимается равной 0,1;
- периодическая составляющая тока трехфазного короткого замыкания, протекающего через генератор при повреждениях на выводах.
Если максимальный ток асинхронного хода при угле расхождения э.д.с. системы и защищаемого генератора, близком к 180 эл. град, получается больше тока , то в (2) вместо следует подставить , значение которого находится по формуле:
, (3)
где - сопротивление цепи блока; при этом сопротивление генератора принимается равным ;
- сопротивление трансформатора;
- сопротивление системы в максимальном режиме;
- линейное напряжение сети высшего напряжения блока.
При выполнении защиты с током срабатывания, меньшим номинального, должно выполняться следующее условие:
, (4)
Принимать значение меньше указанных в выражении (4) не рекомендуется из-за недостаточной отстройки реле РНТ-565 от переходных процессов.
2. Требуемое число витков рабочей обмотки:
, (5)
где - ампер-витки срабатывания pеле, для реле РНТ-565 =100;
- коэффициент тpансфоpмации тpансфоpматоpов тока в цепи генератора;
- наибольшее из значений тока срабатывания защиты по (1) и (4).
Окpугляя до ближайшего целого числа в меньшую стоpону, пpинимают окончательное значение , которое можно установить на реле. Если число витков pабочей обмотки у pеле меньше pасчетного, то используется последовательное соединение pабочей и уpавнительной обмоток.
3. Уточненное значение тока срабатывания защиты
. (6)
4. Коэффициент чувствительности защиты
ч , (7)
где - периодическая составляющая тока металлического замыкания между двумя фазами на выводах одиночно pаботающего генеpатоpа.
Чувствительность пpодольной диффеpенциальной защиты согласно ПУЭ должна быть не менее 2. 2.1.2. Расчет продольной дифференциальной токовой защиты,
выполненной на реле с тормозным действием ДЗТ-11/5 Реле ДЗТ-11/5, имеет насыщающийся трансформатор, обеспечивающий эффективную отстройку защиты от токов небаланса при переходных процессах. На насыщающемся трансформаторе реле дополнительно располагается тормозная обмотка, дающая возможность не отстраивать защиту от токов небаланса при переходном режиме внешнего короткого замыкания или при асинхронном ходе, поскольку несрабатывание защиты в этих условиях обеспечивается торможением.
Схемы выполнения защиты показаны на pисунке 2.
Рабочая обмотка реле ДЗТ-11/5 имеет 144 витка и выполняется с одной отпайкой от средней точки. Если трансформаторы тока со стороны нейтрали генератора охватывают обе параллельные ветви обмотки статора, то схема включения рабочей обмотки соответствует рисунку 2. Если со стороны нулевых выводов генератора трансформаторы тока устанавливаются на каждой параллельной ветви и выбираются на номинальный ток ветви, то для выравнивания амплитуд магнитных потоков в реле, к трансформаторам тока со стороны нулевых выводов подключается половина рабочей обмотки.

Рисунок 2 - Схема продольной дифференциальной защиты генератора с
реле ДЗТ-11/5 при одинаковых значениях коэффициентов
трансформации трансформаторов тока TA1 и TA2 Расчет защиты выполняется в следующем порядке.
1. Определяется минимальный ток срабатывания реле
, (8)
где - ампер-витки срабатывания pеле, для реле ДЗТ-11/5 =100;
- принятое число витков рабочей обмотки реле.
2. Определяется минимальный ток срабатывания защиты (при отсутствии торможения):
, (9)
где - коэффициент тpансфоpмации тpансфоpматоpов тока со стороны линейных выводов генератора.
Оценивается величина тока срабатывания защиты в долях от номинального тока генератора :
. (10)
Минимальный ток срабатывания защиты должен лежать в пределах
(0,1 - 0,2) .
3. Определяется число витков тормозной обмотки насыщающегося трансформатора реле. Число витков тормозной обмотки реле выбирается таким, чтобы защита не действовала при внешних коротких замыканиях, когда по рабочей обмотке реле протекает ток небаланса:
а) определяется намагничивающая сила рабочей обмотки реле:
, (11)
где =1,6 - коэффициент отстройки;
- число витков рабочей обмотки, в зависимости от схемы принимается равным 144 или 72;
- наибольшее значение тока небаланса при внешнем коротком или асинхронном ходе, определяется по (2);
б) определяется тормозная намагничивающая сила реле исходя из тормозной характеристики реле ДЗТ-11/5 при минимальном торможении. При аппроксимации тормозной характеристики гиперболой тормозная намагничивающая сила определяется для реле по выражению:
, (12)
в) определяется число витков тормозной обмотки реле
, (13)
где ;
- периодическая составляющая тока трехфазного короткого замыкания, протекающего через генератор при повреждениях на выводах.
Принимается ближайшее большее целое число витков , которое можно установить на реле.
4. Проверка чувствительности защиты. Чувствительность защиты проверять не требуется, так как она всегда выше необходимой согласно ПУЭ ( ч 2).
Date: 2015-07-27; view: 920; Нарушение авторских прав | Понравилась страница? Лайкни для друзей: |
|
|