Главная Случайная страница


Полезное:

Как сделать разговор полезным и приятным Как сделать объемную звезду своими руками Как сделать то, что делать не хочется? Как сделать погремушку Как сделать так чтобы женщины сами знакомились с вами Как сделать идею коммерческой Как сделать хорошую растяжку ног? Как сделать наш разум здоровым? Как сделать, чтобы люди обманывали меньше Вопрос 4. Как сделать так, чтобы вас уважали и ценили? Как сделать лучше себе и другим людям Как сделать свидание интересным?


Категории:

АрхитектураАстрономияБиологияГеографияГеологияИнформатикаИскусствоИсторияКулинарияКультураМаркетингМатематикаМедицинаМенеджментОхрана трудаПравоПроизводствоПсихологияРелигияСоциологияСпортТехникаФизикаФилософияХимияЭкологияЭкономикаЭлектроника






Расчёт колонны





2.1. Исходные данные

Таблица 5. Исходные данные

Район строительства: г. Гомель
Число этажей: 3
Высота этажа, м: 3 м
Конструкция пола: керамический
Сетка колонн, м: 7,1 м х 3,6 м
Тип здания: баня
Переменная нагрузка на перекрытие 3,0 кПа
Сечение колонны 300ммх300мм
Класс по условиям эксплуатации ХО

2.2 Расчет нагрузок на 1 м2 плиты перекрытия

Керамический пол δ = 86 мм, ρ = 16 кН/м³

Клеевой раствор δ = 12 мм, ρ = 18 кН/м³

Звукоизоляция из пенополистерола δ = 15 мм, ρ = 7 кН/м³

Цементно-песчаная стяжка δ = 45мм, ρ = 24 кН/м³

Ж/б пустотная плита перекрытия δ = 220мм, ρ = 25 кН/м³

Гидроизоляция из гидростеклоиза δ=4мм, ρ=6 кН/м³

Рис.3. Конструкция пола

Таблица 4. Сбор нагрузок на 1 м2 перекрытия

Наименование нагрузки Нормативное значение кН/м2
  I. Постоянная нагрузка  
1 Керамический пол 0,08⋅5 0,14
2 Лаги 0,04⋅5⋅2⋅0,08 0,032
3 Звукоизоляция 0,015⋅7⋅0,12 0,0126
4 Керамзит 0,15⋅5 0,75
5 Плита перекрытия 0,12⋅25 3
  Итого gsk = 3,93
  II. Переменная нагрузка  
6 Переменная 2,0
  Итого qsk = 2,0
  Полная нагрузка gsk+qsk=5,93

2.3 Расчет нагрузок на 1 м2 покрытия

Слой гравия на мастике δ=30 мм, ρ=6 кН/м3

Гидроизоляционный ковер -

2 слоя гидростеклоизола δ=10 мм, ρ=6 кН/м3

Цементно-песчаная стяжка δ=30 мм, ρ=18 кН/м3

Утеплитель - минеральная вата δ=150 мм, ρ=1,25 кН/м3

Пароизоляция - 1 слой пергамина δ=5 мм, ρ=6 кН/м3

Ж/б ребристая плита δ=80 мм, ρ=25 кН/м3

Рис. 9. Конструкция покрытия

Таблица 7. Сбор нагрузок на 1 м2 покрытия

Наименование нагрузки Нормативное значение кН/м2
  I. Постоянная нагрузка  
1 Слой гравия на мастике 0,03⋅6 0,18
2 Гидроизоляционный ковер – 2 слоя гидростеклоизола 0,01⋅6 0,06
3 Ц.- п. стяжка 0,03⋅18 0,54
4 Утеплитель - мин. вата 0,15⋅1,25 0,188
5 Пароизоляция 0,005⋅6 0,03
6 Ж/б ребристая плита 0,8⋅25 2,0
  Итого gsk,покр = 2,998
  II. Переменная нагрузка  
1 Снеговая(г.Минск) 2,5
  Итого qsk,покр = 2,5
  Полная нагрузка gsk,покр+qsk,покр=5,498

Типовые колонны многоэтажных зданий имеют разрезку через 2 этажа. Сечение колонны в первом приближении назначаем 300 мм x 300 мм

(5 этажей).

2.4. Расчет колонны 1-ого этажа

2.4.1. Определение грузовой площади для колонны

Рис. 10. Грузовая площадь колонны

Определяем грузовую площадь для колонны.

Aгр = 7,1⋅3,6 =25,6 м2

2.4.2. Определяем нагрузку на колонну

- постоянная от покрытия:

Nsd,покр = gsd,покр ⋅ Aгр = gsk, ⋅ γf ⋅Aгр = 2,998⋅1,35⋅25,6 = 104 кН.

- постоянная от перекрытия:

Nsd,пер = gsd,пер ⋅ Aгр ⋅ (n-1)= gsk,пeр ⋅ γf ⋅ Aгр ⋅ (n-1)= 4,47⋅1,35⋅25,6⋅(3-1) =308,96кН.

где: n – количество этажей, γf - постоянная от ригеля:

Площадь поперечного сечения ригеля:

Aриг = ((0,565 + 0,520) / 2) ⋅ 0,22 + ((0,3 + 0,31) / 2) ⋅ 0,23 = 0,189 м2

gм.п. = Aриг ⋅ ρ ⋅γf = 0,189⋅25⋅1,35 = 6,38 кН.

Nsd,риг = gм.п. ⋅ lриг ⋅ n = 6,38⋅7,1⋅3 = 135,89кН.

где: n – количество этажей; lриг – пролет ригеля.

- постоянная от собственного веса колонны:

Nsd,кол = bc ⋅ hc ⋅ Hэт ⋅ n ⋅ ρ ⋅ γf = 0,3⋅0,3⋅3⋅3⋅25⋅1,35 = 27,33 кН.

Принимая в качестве доминирующей переменную нагрузку на перекры-тие, расчетная продольная сила основной комбинации от действия постоянных и переменных нагрузок будет равна:

- первое основное сочетание:

Nsd =∑ Nsd,j + qsd,пер ⋅ (n-1) ⋅ ψ0 ⋅ Aгр + qsd,покр ⋅ ψ0 ⋅ Aгр =

= Nsd,покр + Nsd,пер + Nsd,риг + Nsd,кол + qsk,пер⋅ γf ⋅ (n-1) ⋅ ψ0⋅ Aгр+ qsk,покр ⋅ γf ⋅ ψ0 ⋅ Aгр= 104+308,96+135,89+27,33+3⋅1,5⋅2⋅0,7⋅25,2+0,8⋅1,5⋅0,7⋅25,6=758,96кН.


- второе основное сочетание:

Nsd =∑ξ⋅Nsd,j + qsd,пер ⋅ (n-1) ⋅ Aгр + qsd,покр ⋅ψ0 ⋅ Aгр =

=0,85⋅ (Nsd,покр + Nsd,пер + Nsd,риг + Nsd,кол )+ qsk,пер⋅ γf ⋅ (n-1) ⋅ Aгр+ qsk,покр ⋅ γf ⋅ ψ0 ⋅ Aгр=

= 0,85⋅ (104+308,96+135,8+27,53)+3⋅1,5⋅2⋅25,6+0,8⋅1,5⋅25,6=741.65кН.

где: ψ0 - коэффициент сочетания для переменных нагрузок ψ0 = 0.7

(приложение А. СНБ 5.03.01-02).

Расчетная продольная сила равна Nsd =758,96кН.

2.4.3. Определяем продольную силу, вызванную действием постоянной расчетной нагрузки.

Nsd,lt=∑Nsd,j = Nsd,покр+ Nsd,пер+ Nsd,риг+ Nsd,кол=104+308,96+135,8+27,53=576,15 кН.

2.4.4. Определение размеров сечения колонны

При продольной сжимающей силе, приложенной со случайным эксцентриситетом (еоа) и при гибкости λ= l eff / h ≤ 24, расчёт сжатых элементов с симметричным армированием разрешается производить из условий:

Nsd ≤ NRd = φ ⋅ (α ⋅ fcd ⋅ Ac + fyd ⋅ As,tot);

где: φ - коэффициент, учитывающий влияние продольного изгиба и случайных эксцентриситетов.

Заменив величину As,tot через ρ ⋅ Ac условие примет вид:

Nsd ≤ NRd = φ ⋅ Ac ⋅ (α ⋅ fcd ⋅ + ρ ⋅ fyd).

Необходимая площадь сечения колонны без учёта влияния продольного изгиба и случайных эксцентриситетов, т.е. при φ = 1 и эффективном значении коэффициента продольного армирования для колонны 1-ого этажа ρ = 0.02 ÷ 0.03 из условия будет равна:

Ac = Nsd / (α ⋅fcd + ρ ⋅ fyd) 758,96⋅10 / (1,0⋅10,6+0,02⋅365) = 424 см2.

Принимаем квадратное сечение колонны, размером bc × hc = 30×30 см. Тогда:

Ac = 30×30 = 900 см2.

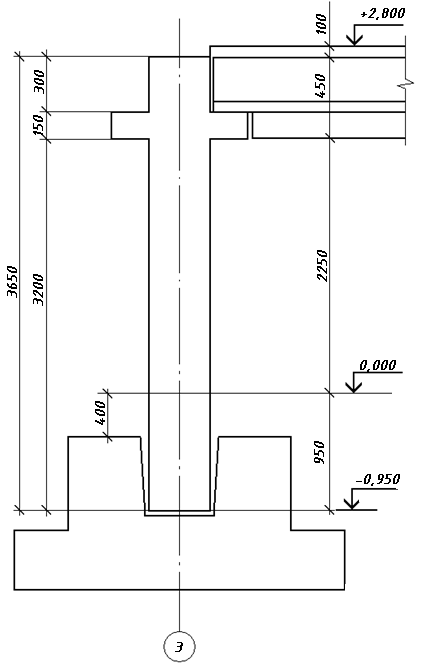
2.4.5. Расчетная длина колонны

Для определения длины колонны первого этажа Нс1 принимаем расстояние от уровня чистого пола до обреза фундамента hф=0,4 м, тогда:

Нс1 = Нft + hф = 2,8 + 0,4 = 3,2 м.

Рис.11. Определение конструктивной длины колонны

2.4.6. Расчёт продольного армирования колонны первого этажа

Величина случайного эксцентриситета:

lcol / 600 = (Нcl – hриг / 2) / 600 = (3200 – 450 / 2) / 600 = 4,96 мм

hc / 30 = 300 / 30 = 10 мм

20 мм

Принимаем величину случайного эксцентриситета е0 = еа =20 мм.

Расчётная длина колонны l0 = β ⋅ lw = 1,0⋅3,2 = 3,2 м.

где: β - коэффициент, учитывающий условия закрепления; для колонн принимается равным единице; lw - высота элемента в свету. При рассмотрении расчётной длины колонны из плоскости lw принимается равным высоте колонны.

Определяем условную расчётную длину колонны:

leff = l0 ⋅ √ К = 3,2 ⋅ √1, = 4,18 м;

К = 1+ 0,5 ⋅ NSd,lt / NSd ⋅ φ(∞, t0) = 1+0,5⋅ (796,48/1128,23)⋅2,0 = 1+0,71 =

= 1,71;

φ(∞, t0) - предельное значение коэффициента ползучести, для бетона принимается равным 2,0.

Тогда гибкость колонны:

λi = leff / hс = 4180 / 300 = 13,93.


Определяем коэффициент, учитывающий влияние продольного изгиба и случайных эксцентриситетов.

По таблице 3. приложение 7. определяем коэффициент, учитывающий влияние продольного изгиба и случайных эксцентриситетов по λi = 13,93 и относительной величине эксцентриситета e0 / h = 20 / 300 = 0,067:

φ = 0,796.

β = 1,0

Рис.12. Расчетная схема колонны

Бетон класса С 16/20

fck = 16 МПа = 16 /мм2, γc =1,5, fcd = fck / γc = 16 / 1,5= 10,67 МПа

Рабочая продольная арматура класса S400: fуd = 365 МПа = 365 Н/мм2

Требуемая площадь продольной рабочей арматуры:

AS,tot = NSd / φ ⋅ fyd - α ⋅ fcd ⋅ Ac / fyd =

= 1128230/0,796⋅365-1,0⋅10,67⋅300⋅300/365= 1015,72 мм2.

По сортаменту арматурной стали принимаем 4∅18 S400 c AS,tot=1018 мм2.

Определяем процент армирования:

ρ= AS,tot / b ⋅ h =1018 / 300 ⋅ 300 = 1,13 %

ρmin = 0,15% < ρ = 1,13 % < ρmax = 5%

2.4.7. Определяем несущую способность колонны при принятом армировании

NRd = φ ⋅ (α ⋅ fcd ⋅ Ac + fyd ⋅ As,tot) = 0,796⋅ (1,0⋅10,67⋅300⋅300+365⋅1018) =

= 1129,05 кН.

Nsd =1128,23 кН < NRd = 1129,05 кН.

Следовательно, прочность и устойчивость колонны обеспечена.

2.4.8. Поперечную диаметром равным:

bw = 0.25⋅∅ = 0.25⋅18 = 4,5 мм и не менее 5 мм.

Принимаем bw = 5 мм S500. арматуру принимаем

Шаг поперечной арматуры при fyd < 450 МПа (S400) для сварных каркасов

S = 15 ⋅∅ ≤ 400 мм, S = 15⋅18= 270 мм и не более 400 мм.

Принимаем S = 150 мм, кратно 50 мм.

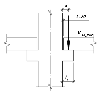
2.4.8. Расчет консоли колонны

Рис.13. Расчетная схема консоли колонны

- Нагрузка на консоль от перекрытия:

qпер = (gsd,пер + qsd,пер) ⋅ lшагриг =(gsk,пер⋅ γf + qsk,пер⋅ γf) ⋅ lшагриг =

= (3,93⋅1,35+2,0⋅1,5) ⋅3 = 25,27 кН.

- Нагрузка от собственного веса ригеля:

qриг = Aриг ⋅ ρ ⋅ γf = 0,189⋅25⋅1,35 = 6,38 кН.

Полная расчетная нагрузка на консоль от ригеля:

q= qпер + qриг = 25,27+6,38 = 31,65 кН

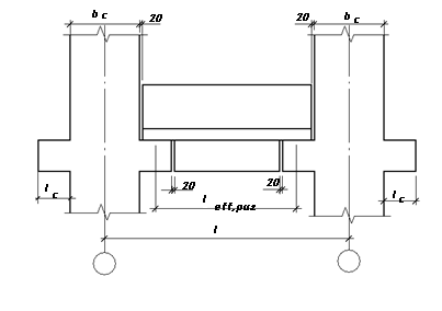
Рис.14. Схема опирания ригеля

Расчетный пролет ригеля:

leff,риг = l – 2 ⋅ bc / 2 – 2 ⋅ 20 – 2 ⋅ (lc - 20) / 2 =

= 7000–2⋅300/2–2⋅20–2⋅ (150-20)/2=6930 мм = 6,53 м

Vsd,риг = q⋅ leff,риг / 2 = 31,65⋅6,53 /2 = 103,34 кН

Длина площадки опирания:

lsup = lс – 20 = 150 – 20 = 130 мм.

Расстояние от точки приложения Vsd,риг до опорного сечения консоли:

a = lc – lsup / 2 = 150 - 130 / 2 = 85 мм.

Требуемую площадь сечения продольной арматуры подбираем по изгибающему моменту MSd, увеличенному на 25%.

Момент, возникающий в консоли от ригеля:

Msd,риг = 1,25 ⋅ Vsd,риг ⋅ a = 1,25⋅ 103340⋅ 85 = 10979875 Н⋅мм.


Принимаем с = 30 мм.

d =150 − 30 =120 мм;

Ast = Msd / fyd ⋅ (d - с)= 10979875/365⋅ (120-30) = 271,11 мм2

Принимаем 2 ∅14 S500 As1 = 308 мм2.







Date: 2015-07-27; view: 1655; Нарушение авторских прав



mydocx.ru - 2015-2026 year. (0.606 sec.) Все материалы представленные на сайте исключительно с целью ознакомления читателями и не преследуют коммерческих целей или нарушение авторских прав - Пожаловаться на публикацию