Главная Случайная страница


Полезное:

Как сделать разговор полезным и приятным Как сделать объемную звезду своими руками Как сделать то, что делать не хочется? Как сделать погремушку Как сделать так чтобы женщины сами знакомились с вами Как сделать идею коммерческой Как сделать хорошую растяжку ног? Как сделать наш разум здоровым? Как сделать, чтобы люди обманывали меньше Вопрос 4. Как сделать так, чтобы вас уважали и ценили? Как сделать лучше себе и другим людям Как сделать свидание интересным?


Категории:

АрхитектураАстрономияБиологияГеографияГеологияИнформатикаИскусствоИсторияКулинарияКультураМаркетингМатематикаМедицинаМенеджментОхрана трудаПравоПроизводствоПсихологияРелигияСоциологияСпортТехникаФизикаФилософияХимияЭкологияЭкономикаЭлектроника






Защита направленная импульсная от замыканий на землю типа ИЗС





Устройство предназначено для селективной сигнализации устойчивых и неустойчивых однофазных замыканий на землю в электрических сетях напряжением 3-35 кВ любой длины, сложности и конфигурации. Защита контролирует направление распространения электромагнитных волн, которые возникают в переходном процессе при замыкании фазы на землю. Волны распространяются от места повреждения и по обоим концам поврежденной линии имеют одинаковое направление к шинам подстанции. Сравнение направлений распространения волн по концам линий позволяет однозначно определить поврежденную линию в сети любой конфигурации, так как только на поврежденной линии защита ИЗС срабатывает на обоих концах. В радиальной сети неповрежденных линиях защиты ИЗС блокируются и срабатывает защита ИЗС на поврежденной линии. Контроль направления распространения волн осуществляется на основе фиксации знака мгновенной мощности на фронте электромагнитной волны.

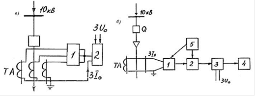
Схема включения защиты типа ИЗС представлена на рис. 4.3, а (И - защита от междуфазных к. з.; 2 - защита ИЗС).

 

Рис. 4.3. а) функциональная схема защиты типа ИЗС; б) структурная схема защиты типа ЗЗП-1М: 1 - согласующее устройство; 2 - усилитель переменного тока; 3 - орган направления мощности; 4 - выходное реле; 5 - блок питания трансформатора напряжение НТМИ, соединенной в-разомкнутый треугольник

 

Цепи напряжения подводятся от специальной обмотки

Устройство ИЗС состоит из пускового органа реагирующего на появления напряжения нулевой последовательности при з. н. з; органа направления тока, контролирующего знак мощности на фронте волны в контуре фаза-земля; блока питания и указательного реле. Защита ИЗС может действовать на сигнал или на отключение выключателя защищаемой линии.

Из выпускаемой промышленностью устройств селективной сигнализации однофазных замыканий на землю для воздушных сетей 10 кВ в сельской местности применяется также направленная защита типа ЗЗП-1M, представляющая собой направленную защиту нулевой последовательности и (предназначенная для селективного отключения линий 10 кВ (рис. 4.3, б).








Date: 2015-07-25; view: 1279; Нарушение авторских прав



mydocx.ru - 2015-2026 year. (0.828 sec.) Все материалы представленные на сайте исключительно с целью ознакомления читателями и не преследуют коммерческих целей или нарушение авторских прав - Пожаловаться на публикацию