Главная Случайная страница


Полезное:

Как сделать разговор полезным и приятным Как сделать объемную звезду своими руками Как сделать то, что делать не хочется? Как сделать погремушку Как сделать так чтобы женщины сами знакомились с вами Как сделать идею коммерческой Как сделать хорошую растяжку ног? Как сделать наш разум здоровым? Как сделать, чтобы люди обманывали меньше Вопрос 4. Как сделать так, чтобы вас уважали и ценили? Как сделать лучше себе и другим людям Как сделать свидание интересным?


Категории:

АрхитектураАстрономияБиологияГеографияГеологияИнформатикаИскусствоИсторияКулинарияКультураМаркетингМатематикаМедицинаМенеджментОхрана трудаПравоПроизводствоПсихологияРелигияСоциологияСпортТехникаФизикаФилософияХимияЭкологияЭкономикаЭлектроника






Библиографический список. 1. Пасынков, В. В. Материалы электронной техники / В





1. Пасынков, В. В. Материалы электронной техники / В. В. Пасынков, В. С. Сорокин.- СПб.: Изд-во Лань, 2001.- 368 с.

2. Богородицкий, Н. П. Электротехнические материалы / Н. П. Богородицкий, В. В. Пасынков, Б. М. Тареев. – Л.: Энергоатомиздат, 1985. – 304 с. (Гл. 7 «Проводниковые материалы». С. 186–229).

3. Колесов, С. Н. Материаловедение и технология конструкционных материалов / С. Н. Колесов, И. С. Колесов.– М.: Высш. шк., 2004.– 519 с. (Гл. 5 «Проводниковые материалы». С1. 398–457).

Р а б о т а № 4

И С С Л Е Д О В А Н И Е О С Н О В Н Ы Х С В О Й С Т В М А Г Н И Т Н Ы Х М А Т Е Р И А Л О В

Цель работы – получение первоначальных представлений о магнитных материалах, освоение методики исследования магнитных свойств веществ, экспериментальное определения ряда параметров ферромагнитных материалов.

Общие положения теории магнитного поля

Согласно теории магнитного поля плотность магнитного потока или магнитная индукция B, измеряемая в теслах (Тл), определяется напряженностью магнитного поля H и намагниченностью единицы объема вещества M (H и M измеряются в амперах на метр, А/м). Эта связь выражается следующей формулой:

(4.1)

где μ = 4π10-7 Гн/м– магнитная постоянная.

В свою очередь намагниченность зависит от напряженности магнитного поля

(4.2)

где – относительная магнитная восприимчивость вещества; μ – относительная магнитная проницаемость.

Тогда

(4.3)

Магнитный поток есть поток вектора индукции В через площадь S

, (4.4)

поток измеряется в веберах, Вб.

Магнитное поле, создаваемое токами в проводниках, определяется из закона полного тока:

, (4.5)

где dl – элемент контура, внутри которого формируется магнитное поле;

– сумма всех токов, охваченных контуром; F – магнитодвижущая сила (м.д.с., А).

Магнитные цепи. Магнитной цепью называется совокупность магнитодвижущих сил и элементов, обладающих теми или иными магнитными свойствами, по которым замыкается магнитный поток. Магнитные элементы могут быть соединены между собой различными способами. Каждый k- й магнитный элемент может быть описан как некое магнитное сопротивление

, (4.6)

где – длина элемента; – площадь поперечного сечения элемента.

Полное магнитное сопротивление цепи равно

. (4.7)

Магнитный поток в цепи равен

(4.8)

Углубляя аналогию с электрическими цепями, можно ввести такое понятие, как падение магнитного напряжения

(4.9)

Это уравнение называют законом Ома для магнитной цепи. Для неразветвленной магнитной цепи сумма падений магнитных напряжений равна м.д.с. цепи

(4.10)

и это равенство можно рассматривать как второй закон Кирхгофа для магнитной цепи. Соответственно, для узлов разветвленной магнитной цепи можно записать, что алгебраическая сумма магнитных потоков для любого узла магнитной цепи равна нулю

(4.11)

Классификация материалов по магнитным характериcтикам. По реакции на внешнее магнитное поле и характеру внутреннего магнитного упорядочения все вещества в природе можно подразделить на пять групп: диамагнетики, парамагнетики, ферромагнетики, антиферромагнетики и ферримагнетики. Перечисленным видам магнетиков соответствуют пять различных видов магнитного состояния вещества: диамагнетизм, парамагнетизм, ферромагнетизм, антиферромагнетизм и ферримагнетизм.

К диамагнетикам относят вещества, у которых атомы не обладают магнитным моментом в отсутствии магнитного поля. При наложении магнитного поля происходит уменьшение угловой скорости орбитального движения электрона в атоме и наблюдается появление у вещества магнитного момента

, (4.12)

где N – число атомов в единице объема; e – заряд электрона; – масса покоя электрона; – среднее значение квадрата радиуса орбиты электрона. Знак минус говорит о том, что магнитный момент направлен против внешнего магнитного поля и уменьшает индукцию в веществе. Магнитная восприимчивость отрицательна и не зависит от напряженности внешнего магнитного поля.

К диамагнетикам относятся инертные газы, водород, азот, многие жидкости (вода, нефть и ее производные), ряд металлов (медь, серебро, золото, цинк, ртуть, галлий и др.), большинство полупроводников (кремний, германий, соединения АIIIВV, АIIВVI) и органических соединений, щелочно-галоидные кристаллы, неорганические стекла и др. Диамагнетиками являются все вещества с ковалентной химической связью и вещества в сверхпроводящем состоянии.

К парамагнетикам относят вещества, атомы или ионы которых имеют нескомпенсированные спиновые моменты. Под воздействием магнитного поля происходит ориентация магнитных моментов по направлению поля, что вызывает увеличение намагниченности вещества


, (4.13)

где магнетон Бора; h – постоянная Планка, me – масса электрона.

Парамагнетиками являются кислород, оксид азота, алюминий, платина, щелочные и щелочноземельные металлы, некоторые переходные металлы, соли железа, кобальта, никеля и редкоземельных элементов. Их магнитная проницаемость немного больше единицы.

Ферромагнетики. Для материалов группы железа характерно наличие в каждом атоме (ионе) большого числа нескомпенсированных спиновых моментов, что вызывает интенсивное энергетическое взаимодействие соседних атомов (ионов). Результатом является формирование в материалах этого типа областей с одинаковой ориентацией магнитных моментов атомов (ионов) – доменов. О таких материалах говорят, что они обладают спонтанной или самопроизвольной намагниченностью. Эти материалы получили название ферромагнетики.

К ферромагнетикам относят вещества с большой положительной магнитной проницаемостью (до 106), которая сильно зависит от напряженности магнитного поля и температуры. В этой группе находятся элементы Fe, Co, Ni и большое количество разнообразных сплавов на их основе.

Антиферромагнетиками являются вещества, в которых ниже некоторой температуры спонтанно возникает антипараллельная ориентация элементарных магнитных моментов одинаковых атомов или ионов кристаллической решетки. Для антиферромагнетиков характерна небольшая положительная магнитная проницаемость (μ ≥ 1). При нагревании антиферромагнетик испытывает фазовый переход в парамагнитное состояние.

Антиферромагнетизм обнаружен у хрома, марганца и ряда редкоземельных элементов (Ce, Nd, Тmидр.). Типичными антиферромагнетиками являются простейшие химические соединения на основе металлов переходной группы типа оксидов, галогенидов, сульфидов, карбонатов и т.п.

К ферримагнетикам относят вещества, магнитные свойства которых обусловлены некомпенсированным антиферромагнетизмом. Подобно ферромагнетикам они обладают высокой магнитной восприимчивостью, которая существенно зависит от напряженности магнитного поля и температуры. Наряду с этим ферримагнетики характеризуются и рядом существенных отличий от ферромагнитных материалов.
Свойствами ферримагнетиков обладают некоторые упорядоченные металлические сплавы, но, главным образом, различные оксидные соединения, среди которых на практике наиболее интересны ферриты, представляющие собой соединения на основе оксидов металлов и оксида железа.

Диамагнетики, парамагнетики и антиферромагнетики относятся к слабомагнитным веществам, тогда как ферро- и ферримагнетики представляют собой сильномагнитные материалы.

Применяемые в электротехнике и электронике сильномагнитные материалы подразделяют на две основные группы: магнитотвердые и магнитомягкие.

В отдельную группу выделяют материалы специального назначения.
К магнитотвердым относят материалы с большой коэрцитивной силой Нс. Они перемагничиваются лишь в очень сильных магнитных полях и служат для изготовления постоянных магнитов.

К магнитомягким относят материалы с малой коэрцитивной силой и высокой магнитной проницаемостью. Они обладают способностью намагничиваться до насыщения в слабых магнитных полях, характеризуются узкой петлей гистерезиса и малыми потерями на перемагничивание. Магнитомягкие материалы используются в основном в качестве различных магнитопроводов: сердечников дросселей, трансформаторов, электромагнитов, магнитных систем электроизмерительных приборов и т. п.


Условно магнитомягкими считают материалы, у которых Нс < 800 А/м, а магнитотвердыми – с Нс > 4 кА/м. Необходимо, однако, отметить, что у лучших магнитомягких материалов коэрцитивная сила может составлять менее 1 А/м, а у лучших магнитотвердых материалах ее значение превышает 500 кА/м.

По масштабам применения в технике среди материалов специального назначения следует выделить материалы с прямоугольной петлей гистерезиса (ППГ), магнитострикционные материалы (strictio – сжатие, натягивание; магнитострикция – изменение размеров и формы тела при его намагничивании), материалы с постоянным значением магнитной проницаемости, магнитные жидкости.

Свойства магнитных материалов определяются формой кривой намагничивания и петли гистерезиса. Магнитомягкие материалы применяются для получения больших значений магнитного потока. Величина магнитного потока ограничена магнитным насыщением материала, а потому основным требованием к магнитным материалам сильноточной электротехники и электроники является высокая индукция насыщения.

Свойства магнитных материалов зависят от их химического состава, от чистоты используемого исходного сырья и технологии производства. В зависимости от исходного сырья и технологии производства магнитомягкие материалы делятся на три группы: монолитные металлические материалы, порошковые металлические материалы (магнитодиэлектрические) и оксидные магнитные материалы, кратко называемые ферритами.

Монолитные металлические материалы. Основными компонентами монолитных металлических магнитомягких материалов являются железо с низким содержанием углерода, никель и кобальт. Для цепей техники связи важнейшими из этой группы материалов являются:

сплавы и стали с малой коэрцитивной силой;

листовая сталь с малыми потерями при высоких значениях магнитной индукции;

сплавы с высокой индукцией насыщения;

сплавы и стали с высокой магнитной проницаемостью;

материалы со специальными свойствами.

Материалы первой подгруппы предназначены, например, для реле. К ним относятся сталь с минимальным содержанием углерода, низколегированная кремнистая сталь и сплавы железа с никелем.

Вторую подгруппу материалов образует кремнистая сталь, применяемая для сердечников силовых трансформаторов.

Материалы третьей подгруппы включают в себя сплавы железа с кобальтом.
Материалами четвертой подгруппы являются низкоуглеродистые стали с присадкой 3 – 4,5 % кремния и сплавы на основе никеля.

К подгруппе специальных материалов относятся материалы с прямоугольной петлей гистерезиса, магнитострикционные материалы и т. п.


Порошковые металлические материалы. Применение порошковых материалов, в частности, магнитодиэлектриков, основывается на технических и экономических соображениях. Магнитодиэлектрические сердечники имеют некоторые свойства, которых нельзя достичь у материалов первой группы. Они пригодны для высокочастотной техники. Прокатка листовых материалов толщиной менее 0,05 мм обходится очень дорого, а при толщине 0,03 мм цена таких материалов превышает цену золота.

Для уменьшения потерь на вихревые токи и увеличения стабильности магнитных свойств применяются порошковые магнитные материалы. Увеличение удельного электрического сопротивления достигается здесь изоляцией магнитных зерен друг от друга. Окончательная форма придается изделию прессованием. К этой группе относятся:

магнитодиэлектрические сердечники;

материалы со специальными свойствами.

В зависимости от исходного сырья магнитодиэлектрические сердечники делятся на сердечники из железных порошковых материалов и сердечники из легированного железа. Основу железных порошковых материалов составляет железо, получаемое обычно карбонильным или электролитическим способом. Легированные материалы представляют собой сплавы железа и алюминия (альсифер) и сплавы железа и никеля или железа, никеля и молибдена (пермаллои и супермаллои).

К специальным порошковым металлическим материалам относятся, например, магнитный порошок для магнитофонной ленты и других магнитных носителей информации.

Оксидные материалы – ферриты. Ферриты представляют собой химические соединения, в общем случае имеющие формулу МFe2O4, где М - чаще всего двухвалентный ион металла, например, Cu, Zn, Mg, Ni, Fe, Co и Mn. В отличие от порошковых сердечников ферриты представляют собой монолитные материалы. Магнитомягкие ферриты кристаллизуются в кубической системе и имеют структуру шпинели – минерала состава MgAl2O4. Чаще всего применяются ферриты следующих типов:

MnO·ZnO·2Fe2O3 – марганцево-цинковый феррит;

NiО·ZnO·2Fe2O3 – никель-цинковый феррит;

MgO·MnO·2Fe2O3 – магний-марганцевый феррит.

Ферриты имеют высокое удельное электрическое сопротивление порядка 107 Ом·м и благодаря этому имеют низкие потери на вихревые токи. Индукция насыщения составляет приблизительно 20–25 % от индукции насыщения железа.

Ферриты делятся на три подгруппы:

ферриты с низкими потерями и высокой проницаемостью;

ферриты с прямоугольной петлей гистерезиса;

ферриты со специальными свойствами.

 
Марганец-цинковые ферриты по сравнению с никель-цинковыми имеют меньшие потери. Оба эти вида ферритов относятся к первой подгруппе. Так как никель-цинковые ферриты имеют более высокое электрическое сопротивление, то их целесообразно применять в области частот от 500 кГц до 200 МГц и выше, т. е. для цепей высокочастотной техники. Магний-цинковые ферриты предназначены для применения в диапазоне от звуковых частот до нескольких МГц.

Ферриты с прямоугольной петлей гистерезиса бывают никель-цинковыми или магний-марганцевыми. В технике УКВ также применяются магний-марганцевые ферриты, однако соотношение отдельных составных частей в тройной системе отличается от состава магний-марганцевых ферритов с прямоугольной петлей гистерезиса. Эти ферриты вместе с магнитострикционными материалами относятся к группе материалов со специальными свойствами.

Благодаря своим свойствам, ферриты имеют очень широкий диапазон применения. В настоящее время ферриты применяются в производстве реле, сетевых трансформаторов устройств связи, дросселей, электромеханических преобразователей, резонаторов и т. п. Однако наибольшее распространение ферриты получили в производстве сердечников для катушек (феррокатушек), запоминающих и переключающих цепей и т. п.

Описание измерительной установки

Известно большое количество методов достаточно точного измерения магнитных характеристик магнитных материалов. Среди них можно назвать такие методы, как метод баллистического галь-ванометра, метод флюксметра, метод пермеаметра и др. Однако у каждого из этих метод есть определенные недостатки. Это сложность в подготовке образцов к измерениям и трудоемкость проведения самих испытаний.

Существует способ, позво-ляющий визуально наблюдать кривую гистерезисного цикла при намагничивании образца перемен-ным током на экране электронного осциллографа. Применяемая обычно для этого схема приведена на рис. 4.1. Подлежащий исследованию сердечник в форме, например, кольца (тора) 1, набранного из листов стали, снабжается намагничивающей 2 и измерительной 3 обмотками. Необходимое значение намагни-чивающего тока устанавливается по амперметру А. Напряжение с сопротивления r подается на пластины горизонтального отклонения электронного осциллографа; отклонение луча по горизонтали в каждый данный момент будет пропорционально намагничивающему току и соответственно напряженности поля Н, мгновенное значение падения напряжения на конденсаторе пропорционально мгновенному значению индукции в образце. Это напряжение подается на пластины вертикального отклонения осциллографа, и на экране получается изображение кривой гистерезисного цикла.

На экране осциллографа в координатах B и H отображается так называемая петля гистерезиса, характерная для материалов с доменной структурой (рис. 4.2). Метод позволяет получить основную кривую намагничивания (кривая от точки 0 до точки а), измерить остаточную индукцию Br (от точки 0 до точки b), измерить коэрцитивную силу Hc (от точки 0 до точки Hc), оценить потери на перемагничивание и на вихревые токи.

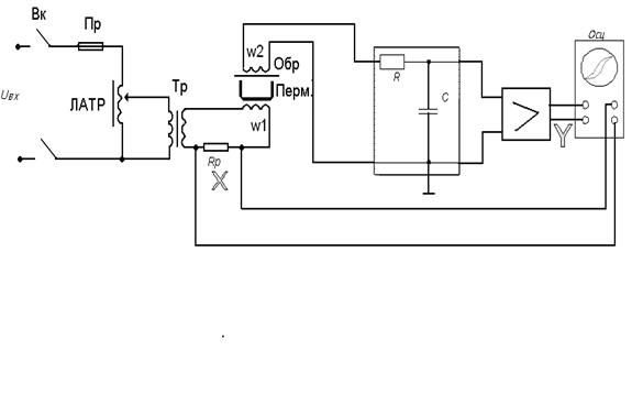
Осциллографический метод реализован по схеме, представленной на рис. 4.3.

 

Рис. 4.3. Схема экспериментальной установки От лабораторного автотрансформатора (ЛАТР) регулируемое напряжение подается на понижающий трансформатор Тр. Через сопротивление Rp = 0,22 Ом напряжение поступает на обмотку W 1(W 1= 1400 витков) пермеаметра “Перм”, служащего для создания испытательного магнитного поля.  

Образец “Обр” испытуемого материала в виде тонкой и узкой полоски вставляется внутрь измерительной катушки W 2 (W 2= 200 витков) так, чтобы замкнуть магнитный поток пермеаметра. Сигнал с катушки W 2 через интегрирующую цепь RC поступает на усилитель с коэффициентом усиления K у= 100 и далее на вход вертикального отклонения Y осциллографа “Осц”. Важно, что это напряжение Uc пропорционально индукции B, что видно из формулы:

(4.14)

где S обр– площадь поперечного сечения образца; B – индукция в образце; – эдс, индуцируемая в обмотке , R = 620 кОм, С = 0,3 мкФ.

. (4.15)

Масштаб по оси ординат равен

, (4.16)

где =Тл/дел; U y – значение вертикального усиления осциллографа, U у =В/дел; K у – коэффициент усиления.

На вход горизонтального отклонения осциллографа подается напряжение с сопротивления Rp, пропорциональное величине тока, протекающего по первичной обмотке пермеаметра, т. е. пропорциональное напряженности магнитного поля, поскольку

, (4.17)

где – магнитодвижущая сила; I – ток в обмотке, А; l2 – длина части образца, включенная последовательно в магнитную цепь (расстояние между точками a1 и b1, рис. 4.4), м.

Масштаб напряженности магнитного поля по оси абсцисс равен

, (4.18)

где – ток в обмотке W 1пермеаметра; Uх – значение горизонтального усиления осциллографа, = В/дел.; Rр = 0,22 Ом; [ h ] = = А/м·дел.

Определить величины индукции и напряженности магнитного поля в любой точке гистерезисной петли можно по формулам:

 

H = h·x; (4.19)

B = b·y. (4.20)

В данной работе может быть получена такая важная характеристика магнитных материалов, как потери энергии при перемагничивании. Этот параметр оценивается по площади петли гистерезиса, поскольку площадь в координатах B-H имеет размерность энергии. Масштаб потерь энергии на единицу площади равен

, (4.21)

где S гист – площадь петли гистерезиса, деления; f – частота приложенного напряжения, Гц; γ –плотность материала образца, кг/м3; [ P сумм.уд] =Вт/кг.

Индекс «сумм.» у величины P сумм.уд означает, что сделанная оценка учитывает потери на гистерезис и на вихревые токи.







Date: 2015-07-25; view: 519; Нарушение авторских прав



mydocx.ru - 2015-2026 year. (0.777 sec.) Все материалы представленные на сайте исключительно с целью ознакомления читателями и не преследуют коммерческих целей или нарушение авторских прав - Пожаловаться на публикацию