Главная Случайная страница


Полезное:

Как сделать разговор полезным и приятным Как сделать объемную звезду своими руками Как сделать то, что делать не хочется? Как сделать погремушку Как сделать так чтобы женщины сами знакомились с вами Как сделать идею коммерческой Как сделать хорошую растяжку ног? Как сделать наш разум здоровым? Как сделать, чтобы люди обманывали меньше Вопрос 4. Как сделать так, чтобы вас уважали и ценили? Как сделать лучше себе и другим людям Как сделать свидание интересным?


Категории:

АрхитектураАстрономияБиологияГеографияГеологияИнформатикаИскусствоИсторияКулинарияКультураМаркетингМатематикаМедицинаМенеджментОхрана трудаПравоПроизводствоПсихологияРелигияСоциологияСпортТехникаФизикаФилософияХимияЭкологияЭкономикаЭлектроника






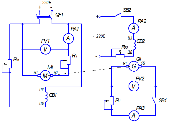
Описание лабораторной установки и порядок выполнения работы. Лабораторная установка состоит из приводного двигателя постоянного тока параллельного возбуждения М1 и испытуемого генератора постоянного тока независимого





Лабораторная установка состоит из приводного двигателя постоянного тока параллельного возбуждения М1 и испытуемого генератора постоянного тока независимого возбуждения G1, автоматического выключателя QF1, проволочных реостатов RВ1, RВ2, предназначенных для изменения сопротивления в обмотках возбуждения двигателя постоянного тока М1 и генератора c независимым возбуждением G1, проволочного реостата RП, предназначенного для изменения сопротивления в обмотке якоря двигателя М1, жидкостного реостата RН, выступающего в качестве нагрузки генератора G1, амперметров PA1, PA2 и PA3, вольтметров PV1 и PV2, однополюсных ключей SB1 и SB2.

Схема лабораторной установки представлена на рисунке 4.1.

 

 

Рисунок 4.1 Электрическая схема лабораторной установки

Снятие характеристики холостого хода

 

Включить в сеть двигатель постоянного тока с помощью автоматического выключателя QF1. При этом реостат RП должен быть введен, a RB1 - выведен. Вывести реостат RП. Включить ключ SB2 при разомкнутом ключе SB1. Увеличивать ток возбуждения генератора IВ до величины, при которой напряжение на зажимах генератора G1 будет равно U1 = Е1 = 1,25 UНОМ. Снять показания амперметра РА2 в цепи возбуждения. Уменьшать ток возбуждения до нуля, сменить полярность и увеличить IВ до величины, при которой U = U1. Затем вновь уменьшить ток до нуля и изменить полярность, увеличивать до первоначальной величины. Результаты свести в таблицу 4.1.

 

Таблица 4.1 Экспериментальные данные

 

№ измерения 1 2 3
Е0, В        
IВ0, А        






Date: 2015-07-24; view: 408; Нарушение авторских прав



mydocx.ru - 2015-2026 year. (2.671 sec.) Все материалы представленные на сайте исключительно с целью ознакомления читателями и не преследуют коммерческих целей или нарушение авторских прав - Пожаловаться на публикацию