Главная Случайная страница


Полезное:

Как сделать разговор полезным и приятным Как сделать объемную звезду своими руками Как сделать то, что делать не хочется? Как сделать погремушку Как сделать так чтобы женщины сами знакомились с вами Как сделать идею коммерческой Как сделать хорошую растяжку ног? Как сделать наш разум здоровым? Как сделать, чтобы люди обманывали меньше Вопрос 4. Как сделать так, чтобы вас уважали и ценили? Как сделать лучше себе и другим людям Как сделать свидание интересным?


Категории:

АрхитектураАстрономияБиологияГеографияГеологияИнформатикаИскусствоИсторияКулинарияКультураМаркетингМатематикаМедицинаМенеджментОхрана трудаПравоПроизводствоПсихологияРелигияСоциологияСпортТехникаФизикаФилософияХимияЭкологияЭкономикаЭлектроника






Бензина автомобиля lada samara 21134 на участке текущего ремонта





 

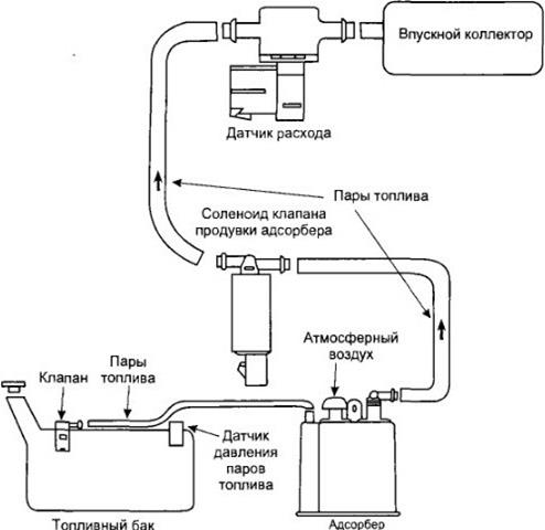
Система улавливания паров бензина автомобиля лада применяется в системе впрыска. Улавливание паров в системе осуществляется угольным адсорбером, установленным в моторном отсеке. Он соединяется с дроссельным патрубком и топливным баком трубопроводами. Электромагнитный клапан, расположенный на его крышке, предназначен для переключения режимов работы системы. При неработающем двигателе он закрыт. При этом пары бензина по трубопроводу из топливного бака лады гранты поступают в адсорбер, где их впитывает в себя активированный уголь (гранулированный). Когда двигатель работает – пары бензина отсасываются к дроссельному патрубку, а оттуда поступают в впускную трубу, где в дальнейшем сжигаются.

Рисунок 4 –Система улавливания паров бензина

Продувка адсорбера управляется контроллером, который включает электромагнитный клапан, находящийся на крышке адсорбера. Клапан отрывается подачей на него напряжения и пары поступают в впускную трубу. Управление клапаном осуществляется методом широтно-импульсной модуляции. Частота коммутаций клапана – 16 раз в секунду. Длительность импульсов включения клапана прямо пропорциональна расходу воздуха. Клапан продувки адсорбера включается контроллером только в случае соблюдения всех следующих условий:
1. Дроссельная заслонка открыта более, чем на 4 %, но менее 99 %. В последнем случае клапан продувки адсорбера будет контроллером отключен.
2. Лада гранта движется быстрее 10 км/ч. Отключается клапан при снижении скорости до 7 км/ч и меньше.
3. Температура охлаждающей жидкости превышает 75 ˚С.
4. Система управления подачей топлива - с обратной связью (режим замкнутого цикла).

При ремонте лады узлы описанной системы демонтируют и проверяют.

При появлении устойчивого запаха бензина – заменяют (это может быть вызвано разгерметизацией трубопроводов и узлов или в случае выхода из строя клапана продувки). Разгерметизация адсорбераи выход из строя клапана продувки могут быть причиной отказа работы двигателя на холостом ходу и в этом случае ремонта гранты не избежать.

Контроллер, управляя электромагнитным клапаном, осуществляет продувку адсорбера после того, как двигатель проработает заданный период времени с момента перехода на режим управления топливоподачей по замкнутому контуру. Воздух подводится в адсорбер через патрубок "AIR", где смешивается с парами бензина. Образовавшаяся таким образом смесь засасывается во впускную трубу двигателя для сжигания в ходе рабочего процесса.

Контроллер регулирует степень продувки адсорбера в зависимости от режима работы двигателя, подавая на клапан сигнал с изменяемой частотой импульса (16 Гц, 32 Гц).

Диагностический прибор отображает коэффициент заполнения управляющего сигнала. Коэффициент 0% означает, что продувка адсорбера не осуществляется. Коэффициент 100% означает, что происходит максимальная продувка.

Контроллер включает электромагнитный клапан продувки когда:

- температура охлаждающей жидкости выше определенного значения;

- система работает в режиме обратной связи по сигналу датчика кислорода;

- система исправна.

 

 

Неисправности и их причины

Нестабильность холостого хода, остановка двигателя, повышенная токсичность и ухудшение ездовых качеств могут быть вызваны следующими причинами:

- неисправность электромагнитного клапана продувки;

- повреждение адсорбера;

- переполнение адсорбера;

- повреждения или неправильные соединения шлангов;

- пережатие или засорение шлангов.

 

 







Date: 2015-07-24; view: 716; Нарушение авторских прав



mydocx.ru - 2015-2026 year. (0.161 sec.) Все материалы представленные на сайте исключительно с целью ознакомления читателями и не преследуют коммерческих целей или нарушение авторских прав - Пожаловаться на публикацию