Главная Случайная страница


Полезное:

Как сделать разговор полезным и приятным Как сделать объемную звезду своими руками Как сделать то, что делать не хочется? Как сделать погремушку Как сделать так чтобы женщины сами знакомились с вами Как сделать идею коммерческой Как сделать хорошую растяжку ног? Как сделать наш разум здоровым? Как сделать, чтобы люди обманывали меньше Вопрос 4. Как сделать так, чтобы вас уважали и ценили? Как сделать лучше себе и другим людям Как сделать свидание интересным?


Категории:

АрхитектураАстрономияБиологияГеографияГеологияИнформатикаИскусствоИсторияКулинарияКультураМаркетингМатематикаМедицинаМенеджментОхрана трудаПравоПроизводствоПсихологияРелигияСоциологияСпортТехникаФизикаФилософияХимияЭкологияЭкономикаЭлектроника






Задачи по Гидромеханике для СПСиШ

Задача 1. Вычислить уменьшение объема воды при температуре 20˚С в условиях всестороннего объемного сжатия при давлении Р 1=20 атм. Первоначальный объем воды при начальном атмосферном давлении составляет Ω =5 л.

Задача 2. Вычислить плотность воды при ее объемном сжатии под давлением 40 атм. Температура воды 30˚С.

Задача 3. Нефть сжимается в толстостенной цилиндрической трубе. Вычислить модуль объемного сжатия нефти Е 0, если при увеличении давления Δ Р на промежуточную жидкость ПЖ от 0 до 20 ат, уровень А-А ртути поднялся на величину Δ h =2,9 мм. Первоначальная высота столба нефти была h =120 см.

Рисунок

Задача 4. Винтовой пресс работает на масле с Е 0 =1,6 ГПа. Определить на сколько оборотов надо повернуть маховик винта, чтобы поднять давление на Δ Р =45 ат, если начальный объем рабочей камеры составляет Ω=952 см3. Диаметр плунжера d =50 мм, шаг винта Δ l =0,6мм.

Рисунок

Задача 5. Для измерения глубины морского дна служит прибор, состоящий из стальной банки с двойным дном. Верхняя ее половина заполняется дистиллированной водой в объеме 500 , нижняя - ртутью. При опускании прибора морская вода заходит через трубку в нижний сосуд и выдавливает ртуть через клапан в верхнюю камеру. Определить какое количество ртути (в кг) пройдет в верхний сосуд, если глубина моря 8 км Средний удельный вес воды до глубины принять равным 1050 кг/м3. Модуль объемного сжатия: для воды Е 0=2,1∙109 Па, для ртути Е рт= 2,51∙1010Па.

Примечание: о глубине судят по массе ртути в верхнем сосуде, которую определяют взвешиванием на поверхности (после подъема прибора).

Рисунок – Прибор для измерения глубины морского дна

Задача 6. При гидравлическом испытании системы объединенного внутреннего противопожарного водоснабжения допускается падение давления в течение 20 мин на

Δ P =-497104Па. Определить допустимую утечку (в литрах в сек) при испытании системы вместимостью Ω=40 м3, температура воды в системе t = 25 0C.

Задача 7. Атмосферное давление при температуре 0˚С равно 755 мм. рт. ст. Выразить эту величину в единицах СИ. Плотность ртути ρрт =13595 кг/м3.

Задача 8. Железные цилиндры массой 500 кг каждый находятся в озере. Один цилиндр подвешен на тросе, а другой стоит вертикально на дне озера. Чему равна сила натяжения троса? Какую силу надо приложить, что бы оторвать цилиндр от дна? Глубина озера H=8 м, высота цилиндра l =50 см, диаметр d =70 см.

Рисунок 1

Задача 9. Деревянный цилиндр, плавая в воде, возвышается над ее поверхностью на 0,4 от своего радиуса. Найти плотность дерева.

Рисунок

 

Задача 10. Нефть течет по трубопроводу со средней скоростью V=0,4 м/с. Расход нефти составляет Q=500 т/ч. Определить диаметр трубопровода.

Задача 11. Найти силу действующую на ворота шлюза. Ширина ворот b = 6 м, перепад уровней воды на верхнем и нижнем бьефе составляет h = 5 м.

Задача 12. На какую высоту поднимется вода в капиллярной трубке диаметром 0,3 мм?

Краевой угол смачивания водой стекла равен нулю (Θ ≈ 0). Поверхностное натяжение воды при температуре 20ºС составляет σ = 72,8 мН/м.

Задача 13. На какую величину изменится уровень ртути в капиллярной трубке диаметром 0,5 мм? Краевой угол смачивания ртутью стекла равен Θ ≈ 120. Поверхностное натяжение ртути составляет σ = 486,0 мН/м.

Задача 16. На стекле находится n =60 капелек ртути диаметром 1,5 мм. Затем они слились в одну большую каплю. Что произошло с энергий поверхностного слоя? Процесс изотермический.

Задача 17. Определить какое количество энергии освобождается при слиянии мелких водных капель радиусом 1.5 мкм в одну большую каплю радиусом 4 мм? Вычислить температуру большой капли после слияния. Процесс адиабатический.

Задача 18. Струя воды выбрасывается из гидромонитора со скоростью V =30 м/с. Расход воды равен Q =44 м3/час. Найти мощность насоса, если его КПД равен η =0,75 %.

Задача 20. Плотность мазута ρ = 878 кг/м3. Определить его удельный вес.

Задача 21. При нормальных условиях коэффициент объемного сжатия бензола составляет βp = 9∙10-10 Па-1, а температурный коэффициент объемного расширения βt =2.4∙10-4 К-1. При его нагревании на Δ t = 40 К, объем бензола не изменился. Определить величину изменения внешнего давления Δ Р.

Задача 22. При опрессовке трубопровода (т.е. проверке его на прочность при повышении давления) в него закачивается некоторое дополнительное количество воды. Определить численное значение этого объема воды, если диаметр трубопровода d = 0,2 м, его длина L = 3 км, а требуемое превышение давления по сравнению с начальным pнач = 98,1 кПа составляет Dp = 1,2 МПа. Считать, что стенки трубопровода не деформируются.


Задача 23. Найти плотность морской воды на глубине h =4000 м, если ее плотность на поверхности ρ0 = 1030 кг/м3, а модуль упругости составляет Е 0 =2,083 ГПа. (При вычислении гидростатического давления морской воды ее плотность принять равной плотности воды на поверхности).

Задача 24. Вычислить кинематическую вязкость чистой воды при температуре 26˚С, воспользовавшись формулойПуазейля.

Задача 25. Нефть, имеющая удельный вес γ=9 , обладает при динамической вязкостью . Определить её кинематическую вязкость.

Задача 26. Определить коэффициент динамической и кинематической вязкости воды, если шарик d = 2,5 мм из эбонита с ρ =1250 кг/м3 падает в воде с постоянной скоростью u =0,23 м/с.

Задача 27. Определить максимальную скорость падения в воздухе (μ =1,2 ∙10-5 Па∙ с) дождевой капли диаметром d = 0,25 мм.

Задача 28. Определить максимальную скорость свободного падения парашютиста (без парашюта). Размеры по усмотрению студенита.

Задача 29. Ртуть налита в U –образную стеклянную трубку одинакового диаметра (см. рисунок). Левый конец трубки находится при комнатной температуре, а правый – нагрели до 700С. Найти разность уровней ртути в трубках, если высота в левом колене h 0=0,76 м. Расширением стекла пренебречь. Принять для ртути β t = 1,8 10-4 К-1.

Рисунок - U –образная стеклянная трубка со ртутью

 

Задача 30. Из канала гидромонитора диаметром d 1=40 мм вырывается струя воды со скоростью V 1=25 м/с. Найти избыточное давление в магистрали гидромонитора, диаметр которой d 2 =110 мм.

Задача 31. Вычислить коэффициент поверхностного натяжения жидкости, которая по каплям вытекает из трубки радиусом r= 2 мм. Масса отдельной капли m =0,04 г.

Задача 32. Для определения опытным путем какой-либо жидкости пользуются методом отрыва капель из вертикальной трубки и ее сравнение с σ0 стандартной жидкости (воды). Вывести формулу для вычисления σ, если объем наполнения трубки для всех жидкостей одинаков Ω, а плотности жидкостей и известны.

Задача 34. Тонкое алюминиевое кольцо диаметром D=35,0 см и весом P =0,06 Н плавает на поверхности раствора мыла, Определить усилие, необходимое чтобы оторвать кольцо от раствора. (Для мыла ).

Задача 35. Площадь поперечного сечения струи воды, вытекающей из крана на разных уровнях, имеет разное значение. Объясните данное явление.

Задача 36. Со дна озера глубиной Н =4 м отрывается пузырек воздуха радиуса r 1=5 мм и поднимается вверх. Определить радиус этого пузырька r 0 в непосредственной близости от поверхности воды, если атмосферной давление равно р 0=105 Па.

 
Рисунок -

Задача 37. В стеклянную цилиндрическую колбу высотой Н =0,35 м при комнатной температуре налили ртуть на h = 3 мм ниже верхнего края. До какой температуры можно нагреть ртуть, чтобы она не вылилась из сосуда. Расширением стекла пренебречь.


 
Расширение ртути в трубке

Задача 38. Колба с ртутью, наполненная до краев при комнатной температуре весит 35 Н, что на порядок выше веса пустой колбы. Найти количество ртути (кг) в сосуде при t = 90 0C, если температурный коэффициент объемного расширения стекла равен β= 3 10-5 К-1. Принять для ртути β = 1,8 10-4 К-1.

Задача 41. Определить внутренний диаметр капилляра, если при полном смачивании вода в нем поднялась на 4*10-2 м.

Задача 42. Воздушный пузырек диаметром 0,04 мм и плотностью воздуха в нем 1,6 кг/м3 находится на глубине в воде. Определить расстояние от центра пузырька до свободной поверхности.

Задача 43. Определить давление в воздушном пузырьке диаметром d = 0,023 мм выходящем из трубки, погруженной на глубину h = 50 см в воду. Внешнее давление составляет 740 мм рт ст.

Задача 44. Определить величину работы, которую необходимо совершить для выдувания мыльного пузыря диаметром 0,033 м. (σ = 0,043 Н/м).

Задача 45. Раствор минерального масла вытекает по каплям из вертикальной трубки диаметром 2,5 мм. Отрыв капель происходит через время t =2,5 с. Определить время, через которое вытечет 20 г раствора.

Задача 46. В зазор 0,22 мм между двумя вертикальными плоскопараллельными стеклянными пластинами (поверхность гидрофильная) налили жидкость, при этом ее высота поднятия между пластинами составила 21 мм. (σ = 30 дин/см). Найти плотность жидкости.

Задача 47. Чему равна пьезометрическая высота, если манометр, присоединенный к цилиндру с машинным маслом, показывает величину избыточного давления в 20 бар?

Задача 48. Барометрическая трубка погружена в чашку с ртутью (рис.2.5). Определить величину абсолютного рабс и манометрического давления рман на глубине Н = 80 см под свободной поверхностью ртути. Барометрическое давление соответствует высоте h б = 750 мм рт. ст. Чему равно барометрическое давление в метрах столба воды?

Рис.2.5

Задача 50. Определить высоту поднятия жидкости в открытом пьезометре hp, если свободная поверхность жидкости в резервуаре испытывает давление Р0=1,4 Бар. Атмосферное давление Ратм=1 Бар (рис.2.7).

Рис.2.7. Условие равновесия для закрытого резервуара

Задача 51. Из закрытого резервуара (1) при помощи вакуумного насоса откачана часть воздуха. Резервуар с помощью изогнутой трубки (3) соединен с открытой ёмкостью (2), заполненной жидкостью (рисунок). Свободная поверхность жидкости в данной ёмкости находится при атмосферном давлении. Определить высоту поднятия жидкости в трубке при условиях: р абс=0,4 бар; ратм=0,97 бар.

Рисунок - Определение вакуумметрической высоты

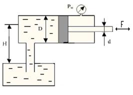
Задача 52. Определить величину и направление силы F, приложенной к штоку диаметром d = 50 мм поршня диаметром D = 250 мм для удержания его на месте. В камере справа от штока воздух, слева от поршня в и резервуаре – вода (рисунок). Манометр показывает давление Р м=0,02МПа, Н =8 м.


Рисунок -

Задача 53. Груз массой М = 1500 кг находится на платформе большого поршня подъёмника диаметром D = 4 см (рис.2.12). Определить величину силы Q, которую необходимо приложить к концу рычага малого гидравлического подъёмника для подъёма груза, если d = 12 см, а плечи рычага равны: ОВ = 6 см, ВА = 30 см.

Рисунок – Груз на платформе подъемника

 

Задача 54. Резервуар квадратной формы со стороной 6 м, с квадратным выступом со стороной 2 м установлен на четыре опоры и заполнен водой (рис.2.13). Определить силу давления воды на дно резервуара и на каждую из его четырёх опор. Геометрические параметры резервуара: h1 = 3 м, h2 = 4 м.

 

Рисунок

Задача 55. Три резервуара одинакового объема и высоты заполнены водой, вес которой G (рис.2.14). Найти силы гидростатического давления на дно каждого сосуда, если отношение радиусов R:R 1 =1:4.

Величину сил сравнить между собой.

Рисунок – Резервуары с водой

Задача 56. Для забора водногрунтовой смеси из резервуара при разработке грунтов гидромонитором используется водоструйный насос (его устройство показано на рисунке). Определите высоту h, на которую можно поднять водногрунтовую смесь с плотностью r0= 1200 кг/м3 из резервуара при пропускании через водоструйный насос чистой воды в количестве Q=30 л/с под абсолютным давлением р1=130 кн/м3, если диаметр подводящей трубы d1=30 см, а выходного сечения сопла d2=7 см? Потерями напора на трение пренебречь.

рисунок

 

Задача 57. Из канала гидромонитора диаметром d 1=50 мм вырывается струя воды со скоростью V 1=10 м/с. Найти избыточное давление в магистрали гидромонитора, диаметр которой d 2 =250 мм.

Задача 58. Вычислить вертикальные усилия, действующие со стороны жидкости на полусферические крышки радиусом R (рис)

Рисунок – Силы, действующие на криволинейные поверхности

Задача 59. Давление воды в водопроводной сети равно 6 атм. С какой скоростью истекает вода из вентиля крана? Какой должна быть площадь отверстия крана. Что бы ведро можно налить за 50 сек?

Задача 60. Определить высоту фонтана, образованного вследствие истечения воды из вертикального отверстия. Определить скорость истечения жидкости из отверстия. Давление в магистрали 2,5 бар.

Задача 61. Определить длительность истечения жидкости из емкости диаметром D =0,5 м выстой h =3м через круглое отверстие диаметром d =25 мм. Коэффициент расхода отверстия принять равным единице.

Рисунок – Истечение жидкости из отверстия

 

Задача 62. Определить величину давления, возникающего при мгновенном торможении воды, истекающей из скважины диаметром D=200 мм, через трубу диаметром d=40 мм со скоростью v =10 м/с.

Задача 63. Манометр, присоединенный к резервуару с нефтью плотности 840 кг/м3, показывает давление 250 кПа, Определить уровень налива нефти в резервуаре.

Задача 64. Определить пьезометрическую высоту для жидкости плотности 730 кг/м3, соответствующую манометрическому давлению 6 бар.

Задача 65. Полая сфера диаметром D = 3 м затонула на глубине Н в озере (рис.2.36). В верхней части сферы имеется воздушная прослойка в виде шарового сегмента толщиной h =2 м (при затоплении образовалась течь, и часть сферы заполнилась водой). Известно, что давление воздуха в сфере равно гидростатическому давлению в воде на глубине 25 м. Определить глубину Н на которой находится сфера.

Рисунок

Задача 66. В гидравлическом прессе при опускании малого поршня на h = 35 см, большой поршень поднимается на H = 0,01 м. Определить силу, с которой будет действовать пресс на зажатое в нем тело, если приложенное усилие к малому поршню составляет 600 Н.

 
Гидравлический пресс

Задача 67. Для измерения плотности жидкостей при атмосферном давлении и любых температурах, применяют простой метод – гидростатического давления. Схема установки для определения плотности по этому методу показана на рисунке 2.33: в сосуд с исследуемой жидкостью 1 по трубке 4 подается из баллона 3 газ, не взаимодействующий с жидкостью. Давление газа в трубке измеряется жидкостным манометром 2. Выведите формулу для определения плотности исследуемой жидкости.

Рис.2.33

Задача 68. Определить величину манометрического давления в точках А, B, C (рис.2.24), если на поршень диаметром d = 200 мм действует сила F = 5,5۰103 Н. (h =2,4 м).

Рисунок

Задача 69. В U-образной трубке находится ртуть. Затем в одно из колен налили воду, а в другое глицерин, причем поверхность раздела ртути с водой и глицерином находится на одном уровне. Определить высоту столба воды hв, если высота столба глицерина hг = 35 см.

рисунок

 

Задача 70. По трубе диаметром 150 мм идет вода при перепаде высот величиной hl =20 мм на длине Δ l =100 м. Определить максимальную скорость воды в трубе, среднюю скорость движения воды и массовый расход. Температура воды 20˚С, динамическая вязкость μ =1,004∙10-3 Па∙с.

Задача 71. Определить скорость воды в центре гладкой трубы радиусом r0 = 0,17 м если потеря напора на участке длиной l = 45 м составляет hl = 0,1 м. Кинематическая вязкость воды n = 10-6 м2/с.

Задача 73. По горизонтальной стальной трубе длиной l = 200 м, радиусом r = 0,25 м, характеризуемой шероховатостью D = 0,15 мм перемещается вода с температурой 20оС (кинематическая вязкость воды при данной температуре n = 1,006 × 10-6 м2/с). Расход воды Q = 0,03 м3/с. Найти потери напора по длине трубы.

Задача 74. Определить среднюю скорость движения воды по цилиндрическому каналу радиусом r0 = 0,25 м, заполненному на половину при величине пьезометрического уклона 0,18 м на 100 м длины потока. Материал канала – сталь неокрашенная.

Задача 75. Вычислить потерю напора потока воды переходящего из трубы диаметром 100 мм в трубу диаметром 250мм. Средняя скорость в трубе малого диаметра составляет 0,7 м/с.

 
Рисунок - К расчету потерь напора при внезапном расширении потока

 

Задача 76. Вычислить потери потока при резком сужении трубы если скорость в широком участке трубы составляет 0,4 м/с.

рисунок

 

Задача 77. Вычислить потерю напора при плавном повороте потока на 90˚. Скорость воды в трубе 3 м/с. Вычислить также потерю напора при резком повороте потока.

Задача 78. Определить скорость истечения струи воды из гидромонитора и расход воды, если манометрическое давление в магистрали составляет 4 атм, а диаметр выходного отверстия насадка Вентури со скругленными кромками составляет 40 мм. Определить динамическую

Задача 79. Определить расход воды через прямоугольный водослив с геометрическими параметрами по рисунку.

 

Рисунок – истечение через водослив

 



<== предыдущая | следующая ==>
Задача 34 | Эталон ответа задачи №1





Date: 2015-07-23; view: 1837; Нарушение авторских прав



mydocx.ru - 2015-2026 year. (1.849 sec.) Все материалы представленные на сайте исключительно с целью ознакомления читателями и не преследуют коммерческих целей или нарушение авторских прав - Пожаловаться на публикацию