Главная Случайная страница


Полезное:

Как сделать разговор полезным и приятным Как сделать объемную звезду своими руками Как сделать то, что делать не хочется? Как сделать погремушку Как сделать так чтобы женщины сами знакомились с вами Как сделать идею коммерческой Как сделать хорошую растяжку ног? Как сделать наш разум здоровым? Как сделать, чтобы люди обманывали меньше Вопрос 4. Как сделать так, чтобы вас уважали и ценили? Как сделать лучше себе и другим людям Как сделать свидание интересным?


Категории:

АрхитектураАстрономияБиологияГеографияГеологияИнформатикаИскусствоИсторияКулинарияКультураМаркетингМатематикаМедицинаМенеджментОхрана трудаПравоПроизводствоПсихологияРелигияСоциологияСпортТехникаФизикаФилософияХимияЭкологияЭкономикаЭлектроника






Практическое занятие №6. Самостоятельная работа студента





В процессе выполнения самостоятельной работы студент должен решить нижеприведенные задачи, используя лекционный материал, примеры расчета и анализа задач, рассмотренных на практических занятиях №4 и №5.

Отчет о проделанной работе должен быть представлен преподавателю по форме, указанной в методических указаниях. В отчете, кроме решенных задач, привести ответы на вопросы к практическим занятиям №4 и №5.

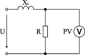
Задача 1. Для схемы (рис. 6.18) определить показания вольтметра, если задано: U = 50 В; XL = 3 Ом; R = 4 Ом.

Ответ: 40 В.

Задача 2. Для схемы (рис. 6.19) определить UL, если задано: U = 10 В; UR = 6 В; UC = 2 В; а XL > XC.

Ответ: 10 В.

Задача 3. Для схемы (рис. 6.20) определить XC, если U = 150 В; а показания приборов PW = 500 В; PA = 5 A.

Ответ: 22,4 Ом.

Задача 4. В схеме (рис. 6.21) определить показания амперметра, если U = 240 Ом; XC = 60 Ом; R = 80 Ом.

Ответ: 5 А.

Задача 5. Для схемы (рис. 6.22) определить по векторной диаграмме как изменятся показания амперметра при замыкании ключа, если R = XL = XC = 2 Ом.

Ответ: уменьшаться.

Задача 6. Для схемы (рис. 6.23) определить как изменятся показания приборов, если частота питающего напряжения увеличится. Ответ дать в доказательной форме.

Ответ: I2 не изменится, P, I1, I3 – уменьшаться.

Задача 7. Для схемы (рис. 6.24) определить величину приложенного напряжения U, если XL = 8 Ом, а приборы показывают PW = 96 Вт; PA = 4 А.

Ответ: 40 В.

Задача 8. Для схемы (рис. 6.25) определить показания приборов, если U = 100 Вт; XL1 = XL2 = XС = R = 1 Ом.

Ответ: PW = 0 Вт; PA = 0 А.

 

Лицензия Model.Exponenta.Ru Jigrein

 







Date: 2015-07-23; view: 1605; Нарушение авторских прав



mydocx.ru - 2015-2026 year. (0.325 sec.) Все материалы представленные на сайте исключительно с целью ознакомления читателями и не преследуют коммерческих целей или нарушение авторских прав - Пожаловаться на публикацию