Главная Случайная страница


Полезное:

Как сделать разговор полезным и приятным Как сделать объемную звезду своими руками Как сделать то, что делать не хочется? Как сделать погремушку Как сделать так чтобы женщины сами знакомились с вами Как сделать идею коммерческой Как сделать хорошую растяжку ног? Как сделать наш разум здоровым? Как сделать, чтобы люди обманывали меньше Вопрос 4. Как сделать так, чтобы вас уважали и ценили? Как сделать лучше себе и другим людям Как сделать свидание интересным?


Категории:

АрхитектураАстрономияБиологияГеографияГеологияИнформатикаИскусствоИсторияКулинарияКультураМаркетингМатематикаМедицинаМенеджментОхрана трудаПравоПроизводствоПсихологияРелигияСоциологияСпортТехникаФизикаФилософияХимияЭкологияЭкономикаЭлектроника






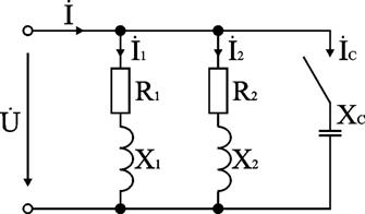
Анализ и решение задачи 1. 1. Схема замещения каждого двигателя может быть представлена в виде последовательного соединения резистивного и индуктивного элементов





1. Схема замещения каждого двигателя может быть представлена в виде последовательного соединения резистивного и индуктивного элементов, т.к. в двигателе происходит как необратимое преобразование электрической энергии в механическую и тепловую, так и колебательный обмен энергией между магнитным полем двигателя и сетью. Схема замещения к задаче представлена на рис. 6.11.

2. Токи двигателей рассчитываются по паспортным данным:

А; А.

Сдвиги токов по фазе по отношению к напряжению: φ1 = 53,1°, φ2 = 45,5°.

3. Мощности ветвей приведены в исходных данных, поэтому расчет схемы удобно вести через треугольники мощностей.

Реактивные мощности двигателей:

Q1 = U I1 sin φ1 = 220 · 2,27 · 0,8 = 399 ВАр;

Q2 = U I2 sin φ2 = 220 · 2,6 · 0,713 = 407 ВАр.

Активная и полная мощности всей цепи:

P = P1 + P2 = 300 + 400 = 700 Вт;

Q = Q1 + Q2 = 399 + 407 = 806 ВАр;

ВА.

Ток в цепи источника

I = S / U = 1068 / 220 = 4,85 А.

Коэффициент мощности схемы

cos φ = P / S = 700 / 1068 = 0,655.

4. Рассчитаем емкость конденсатора, необходимую для повышения коэффициента мощности схемы до cos φ' = 0,9.

Включение конденсатора параллельно нагрузке не изменяет ее активную мощность, а уменьшает реактивную и полную мощности, потребляемые всей схемой от источника. Поэтому по активной мощности цепи и заданному значению cos φ' определим полную мощность цепи

S' = P / cos φ' = 700 / 0,9 = 777,8 ВА.

Реактивная мощность цепи

ВАр.

Реактивная мощность всей цепи равна алгебраической сумме реактивных мощностей ее участков. В данном случае Q' = Q - QC, поэтому мощность конденсатора

QC = Q - Q' = 806 - 339 = 467 ВАр.

Многоугольник мощностей показан на рис. 6.12.

Ток в цепи конденсатора и его сопротивление:

IC = QC / U = 467 / 220 = 2,12 А; XC = U / IC = 220 / 2,12 = 103 Ом.

Емкость конденсатора

C = 1 / (2πf XC) = 1 / (2π · 50 · 103) = 30,7·10-6 Ф = 30,7 мкФ.

Результатирующий ток источника

I' = S' / U = 777,8 / 220 = 3,535 А.

На рис. 6.13 приведены векторные диаграммы напряжения и токов схемы без конденсатора (а) и после подключения параллельно нагрузке конденсатора (б).

5. Если в исходных данных приведены сопротивления ветвей или их токи и коэффициенты мощности, то расчет удобно вести через треугольники токов (их активные и реактивные составляющие).

Активные составляющие токов ветвей:

I = I1 cos φ1 = 2,27 · 0,6 = 1,362 А;
I = I2 cos φ2 = 2,6 · 0,7 = 1,818 А;
Iа = I + I = 1,362 · 1,818 = 3,18 А.

Реактивные составляющие токов ветвей:

I = I1 sin φ1 = 2,27 · 0,8 = 1,818 А;
I = I2 sin φ2 = 2,6 · 0,713 = 1,852 А;
Iр = I + I = 1,818 · 1,852 = 3,67 А.

Полный ток источника

А.

Коэффициент мощности эквивалентной нагрузки

cos φ = Iа / I = 3,18 / 4,854 = 0,655.

Реактивная составляющая тока источника после подключения конденсатора

I'р = Iа tg φ' = 3,18 · 0,484 = 1,54 А.

Ток конденсатора IC = Iр - I'р = 3,67 - 1,54 = 2,13 А.

Далее определяются XC и С, как было рассмотрено выше.

Дополнительные вопросы к задаче 1

1. Как по результатам расчета определить параметры последовательной схемы замещения двигателей и всей схемы в целом?

Полные сопротивления двигателей определяются по закону Ома:

Z1 = U / I1; Z2 = U / I2.

Активные и реактивные составляющие сопротивлений рассчитываются через треугольники сопротивлений:

R1 = Z1 cos φ1; R2 = Z2 cos φ2; X1 = Z1 sin φ1; X2 = Z2 sin φ2.

Сопротивления можно подсчитать также и через треугольники мощностей. Например, для схемы в целом

R = P / I2 = 700 / 4,8562 = 29,68 Ом; X = Q / I2 = 339 / 4,8562 = 14,37 Ом.

2. Какова схема замещения цепи при представлении токов ветвей в виде суммы активных и реактивных составляющих.

Разложение тока на составляющие соответствует представлению реального элемента цепи в виде соединенных параллельно идеальных активного и реактивного сопротивлений (рис. 6.14).

Параметры схемы подсчитываются по закону Ома или через мощности:

R' = U / Iа = U2 / P; X' = U / Iр = U2 / Q; Z = U / I = U2 / S.

3. Как изменятся токи в схеме, если параллельно двигателю подключить осветительную (чисто активную) нагрузку?

За счет увеличения активной составляющей (освещение) ток источника возрастет, токи в ветвях схемы не изменятся.

4. Как рассчитать схему графоаналитическим методом?

Для определения тока источника рассчитываются, как это было приведено выше, токи в ветвях I1 и I2 и их сдвиги по фазе φ1 и φ2 по отношению к напряжению. Далее строится в масштабе векторная диаграмма токов и по диаграмме определяется величина тока I и его сдвиг по фазе по отношению к напряжению φ (рис. 1.13).


5. Как рассчитать токи в схеме комплексным методом?

Для расчета связываем векторную диаграмму с комплексной плоскостью; для упрощения выкладок один из векторов, например напряжение, направим по действительной оси, т.е. U = 220 В.

Токи в ветвях в комплексной форме:

Í1 = 2,27e-j53,1° = 2,27 (cos 53,1° - j sin 53,1°) = (1,36 - j 1,81) А;
Í2 = 2,6e-j45,5° = 2,6 (cos 45,5° - j sin 45,5°) = (1,82 - j 1,84) А.

По первому закону Кирхгофа ток источника

Í = Í1 + Í2 = 1,36 - j 1,81 + 1,82 - j 1,84 = 3,18 - j 3,66 = 4,85e-j49° А.

Мощность цепи в комплексной форме:

S = Ú Î = 220 · 4,85ej49° =1067ej49° = (700 + j 806) ВА;
S = 1067 ВА; P = 700 Вт; Q = 806 ВАр.

Батарея конденсаторов рассчитывается, как это было рассмотрено выше.







Date: 2015-07-23; view: 754; Нарушение авторских прав



mydocx.ru - 2015-2026 year. (0.829 sec.) Все материалы представленные на сайте исключительно с целью ознакомления читателями и не преследуют коммерческих целей или нарушение авторских прав - Пожаловаться на публикацию