Главная Случайная страница


Полезное:

Как сделать разговор полезным и приятным Как сделать объемную звезду своими руками Как сделать то, что делать не хочется? Как сделать погремушку Как сделать так чтобы женщины сами знакомились с вами Как сделать идею коммерческой Как сделать хорошую растяжку ног? Как сделать наш разум здоровым? Как сделать, чтобы люди обманывали меньше Вопрос 4. Как сделать так, чтобы вас уважали и ценили? Как сделать лучше себе и другим людям Как сделать свидание интересным?


Категории:

АрхитектураАстрономияБиологияГеографияГеологияИнформатикаИскусствоИсторияКулинарияКультураМаркетингМатематикаМедицинаМенеджментОхрана трудаПравоПроизводствоПсихологияРелигияСоциологияСпортТехникаФизикаФилософияХимияЭкологияЭкономикаЭлектроника






Определение параметров срабатывания и отпускания контакторов





При этом проверяют у контакторов постоянного тока исправность катушки, правильность установки пружин, свободный ход подвижной части, правильность зазоров, а у контакторов переменного тока и поведение магнитной системы, ток срабатывания, напряжение срабатывания, ток отпускания и напряжение отпускания. В некоторых случаях также определяется время срабатывания и время отпускания контакторов. Измерение тока и напряжения срабатывания / отпускания производится по следующим схемам:

 


Рис. 36. Схемы проверки напряжения втягивания контакторов
а - постоянного тока;

б — переменного тока;

AT автотрансформатор;

Р — реостат;

К — контактор

Схема а) для контакторов постоянного тока

Схема б) для контакторов переменного тока.

 

Напряжением срабатывания считают то наименьшее значение напряжения, при котором происходит полное включение контактора — якорь полностью притянут к сердечнику.

Напряжение срабатывания должно быть на уровне 0,85 Uн. Измерение параметров проводят 3-4 раза, а затем вычисляют среднее арифметическое. Полученное значение сверяют с паспортными данными и при отклонении более чем на 15-20% производят регулировку путем изменения натяжения возвратной пружины, регулировкой воздушного зазора между сердечником и якорем.

Основные неисправности контакторов и способы их устранения.

1) Подгорание главных контактов.

Причина: недостаточное начальное нажатие контактов, их вибрация в момент замыкания или загрязненность.

Устраняется: путем увеличения нажатия контактов, установкой новой контактной пружины или регулировкой степени сжатия старой.

 

2) Повышенный нагрев контактов при длительном режиме работы.

Причина: увеличение переходного сопротивления контактов или несоответствие номинального тока контактов току нагрузки.

Устраняется: путем зачистки контактных поверхностей надфилем, увеличением нажатия контактов или заменой контактора с большим допустимым током.

 

3) Вибрация магнитопровода

Причина: большой воздушный зазор между якорем и сердечником в замкнутом состоянии, повреждение или отсутствие короткозамкнутого витка или плохая стяжка листов магнитопровода.

Устраняется проверкой наличия и целостности короткозамкнутого витка; проверкой плотности прилегания якоря к сердечнику с помощью чистой копировальной бумаги, при необходимости шлифовкой этих поверхностей; затяжкой блоков стягивающих магнитопровод.

 

4) Повышенный нагрев катушки контактора.

Причина: наличие межвиткового замыкания, несоответствие питающего напряжения паспортным данным, несоответствие активного сопротивления катушки паспортным данным.

Устраняется заменой катушки

 

5) Нечетное включение и отпадание якоря (самопроизвольное)

Причина: несоответствие катушки рабочему напряжению

Устраняется заменой катушки.

 

6) Неодновременное замыкание контактов контактора

Устраняется регулировкой раствора контакторов.

 

 

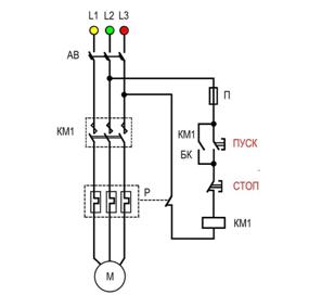
Магнитный пускатель — это низковольтное электромагнитное (электромеханическое) комбинированное устройство распределения и управления для пуска и разгона электродвигателя до номинальной скорости, обеспечения его непрерывной работы, отключения питания и защиты электродвигателя от рабочих перегрузок.

Пускатель представляет собой контактор, комплектованный дополнительным оборудованием: тепловым реле, дополнительной контактной группой или автоматом для пуска электродвигателя, плавкими предохранителями.

Наиболее распространенные серии пускателей с контактной системой и электромагнитным приводом: ПМЕ, ПМА, ПА, ПВН, ПМЛ, ПВ, ПАЕ, ПМ12.

 

 







Date: 2015-07-22; view: 9347; Нарушение авторских прав



mydocx.ru - 2015-2026 year. (0.653 sec.) Все материалы представленные на сайте исключительно с целью ознакомления читателями и не преследуют коммерческих целей или нарушение авторских прав - Пожаловаться на публикацию