Главная Случайная страница


Полезное:

Как сделать разговор полезным и приятным Как сделать объемную звезду своими руками Как сделать то, что делать не хочется? Как сделать погремушку Как сделать так чтобы женщины сами знакомились с вами Как сделать идею коммерческой Как сделать хорошую растяжку ног? Как сделать наш разум здоровым? Как сделать, чтобы люди обманывали меньше Вопрос 4. Как сделать так, чтобы вас уважали и ценили? Как сделать лучше себе и другим людям Как сделать свидание интересным?


Категории:

АрхитектураАстрономияБиологияГеографияГеологияИнформатикаИскусствоИсторияКулинарияКультураМаркетингМатематикаМедицинаМенеджментОхрана трудаПравоПроизводствоПсихологияРелигияСоциологияСпортТехникаФизикаФилософияХимияЭкологияЭкономикаЭлектроника






Пуск двигателей постоянного тока





При пуске следует обеспечить необходимый для трогания вращающий момент и ограничить большие пусковой ток и момент, опасные для двигателя и агрегата.

Возможны три способа пуска: прямой, пуск при включении реостата в цепь якоря и пуск при пониженном напряжении цепи якоря.

При прямом пуске якорь включается на полное напряжение. Так как в первый мо­мент якорь неподвижен, ЭДС самоиндукции отсутствует и согласно (10.10)

. (10.19)

Так как = 0,02…0,1 о.е., то пусковой ток большой . Поэтому прямой пуск применяется только для двигателей мощностью до не­скольких сотен ватт, у которых относительно велико и пусковой ток ограничен.

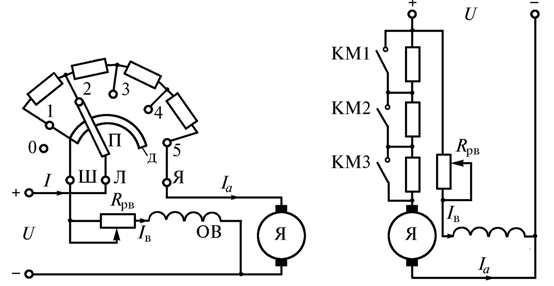
При пуске с помощью пускового реостата (рис. 10.22 а и б) ток в якоре

, (10.20)

а в начальный момент пуска, при = 0

. (10.21)

 
 

Сопротивление пускового реостата выбирается таким, чтобы ограни­чить пусковой ток до требуемого значения. Из рис. 10.22 следует, что ток возбуждения не зависит от положения подвижного контакта П, а сопротивление в

а) б)

Рис. 10.22

цепи якоря изменяется от наибольшего значения до нуля, ограничивая броски тока при выключении каждой предыдущей ступени пускового реостата. При этом нельзя допускать разрыва цепи параллельного возбуждения.







Date: 2015-07-22; view: 467; Нарушение авторских прав



mydocx.ru - 2015-2026 year. (1.079 sec.) Все материалы представленные на сайте исключительно с целью ознакомления читателями и не преследуют коммерческих целей или нарушение авторских прав - Пожаловаться на публикацию