Главная Случайная страница


Полезное:

Как сделать разговор полезным и приятным Как сделать объемную звезду своими руками Как сделать то, что делать не хочется? Как сделать погремушку Как сделать так чтобы женщины сами знакомились с вами Как сделать идею коммерческой Как сделать хорошую растяжку ног? Как сделать наш разум здоровым? Как сделать, чтобы люди обманывали меньше Вопрос 4. Как сделать так, чтобы вас уважали и ценили? Как сделать лучше себе и другим людям Как сделать свидание интересным?


Категории:

АрхитектураАстрономияБиологияГеографияГеологияИнформатикаИскусствоИсторияКулинарияКультураМаркетингМатематикаМедицинаМенеджментОхрана трудаПравоПроизводствоПсихологияРелигияСоциологияСпортТехникаФизикаФилософияХимияЭкологияЭкономикаЭлектроника






Регистрлер





Регистр – ЭЕМ функционалды түйіні, ақпараттың n-разрядты сөзін жазу, сақтау және оқуға арналған. Регистрлер біртактылы немесе екітактылы екісатылы триггерлерде құрылады. Қосымша регистрлер ақпаратты түрлі модификацияларда жылжытуға мүмкіндік береді.

Сондай-ақ, регистрлерде сияқты логикалық операцияларды орындап, ақпаратты разрядтардың берілген санына жылжытуға болады.

Жіктелуі:

1. жазу-оқу тәсілдері бойынша регистрлер мынадай түрлерге жіктеледі:

- тізбекті – тізбектей жазады және ақпаратты оқиды;

- параллельді – параллельді жазу, ақпаратты параллельді оқумен ерекшеленеді;

- тізбекті-параллельді – тізбекті жазумен және ақпаратты параллельді оқумен ерекшеленеді;

- параллельді-тізбекті – ақпаратты параллельді жазумен және тізбектей оқумен ерекшеленеді;

- әмбебап – параллельді және тізбекті жазумен және параллельді және тізбекті оқумен ерекшеленеді.

2. келіп түсетін және жіберілетін ақпараттардың фазалығы бойынша:

- бірфазалық – D-триггерлерде;

- жұпфазалық – RS және JK-триггерлерінде;

- аралас:

· бір фазалы енгізу, қосфазалы шығару;

· қосфазалы енгізу, бірфазалы шығару.

3. тактылау тәсілі бойынша:

- біртактылы – тактылық сигналдардың бір тізбегімен басқарылады;

- көптактылы – тактылық сигналдардың бірнеше тізбегімен басқарылады.

Базалық сұлбасы:

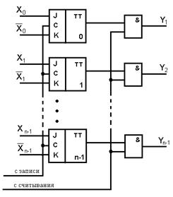
1. Ақпаратты қос фазалы енгізетін және бірфазалы шығаратын (оқитын) JK-триггеріндегі параллельді регистр. Ақпаратты қосфазалы шығару мүмкіндігі де бар.

2.12 – сурет. JK-триггеріндегі параллельді регистр

2. Ақпаратты солдан оңға бір фазалы енгізетін және қос фазалы шығаратын D-триггеріндегі тізбекті регистрлер.

2.13 – сурет. D-триггеріндегі тізбекті регистр

Ақпаратты солдан оңға қос фазалы енгізетін және бір фазалы шығаратын RS- триггеріндегі тізбекті регистрлер.

2.14 – сурет. RS-триггеріндегі тізбекті регистр

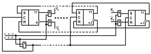
3. Әмбебап, бірфазалы тізбекті D-триггеріндегі регистр, ақпаратты солдан оңға және параллель енгізеді, оқу тізбектей және параллельді жүреді (бір фазамен).

2.15 – сурет. D-триггеріндегі әмбебап регистр

 







Date: 2015-06-11; view: 4059; Нарушение авторских прав



mydocx.ru - 2015-2026 year. (1.121 sec.) Все материалы представленные на сайте исключительно с целью ознакомления читателями и не преследуют коммерческих целей или нарушение авторских прав - Пожаловаться на публикацию