Главная Случайная страница


Полезное:

Как сделать разговор полезным и приятным Как сделать объемную звезду своими руками Как сделать то, что делать не хочется? Как сделать погремушку Как сделать так чтобы женщины сами знакомились с вами Как сделать идею коммерческой Как сделать хорошую растяжку ног? Как сделать наш разум здоровым? Как сделать, чтобы люди обманывали меньше Вопрос 4. Как сделать так, чтобы вас уважали и ценили? Как сделать лучше себе и другим людям Как сделать свидание интересным?


Категории:

АрхитектураАстрономияБиологияГеографияГеологияИнформатикаИскусствоИсторияКулинарияКультураМаркетингМатематикаМедицинаМенеджментОхрана трудаПравоПроизводствоПсихологияРелигияСоциологияСпортТехникаФизикаФилософияХимияЭкологияЭкономикаЭлектроника






Устройство комплектное тиристорное серии УКЭ-Л





Для питания электродвигателя от сети переменного тока предлагается выбрать трехфазный комплектный вентильный преобразователь серии УКЭ-Л.

Преобразователь серии УКЭ-Л является нереверсивным трехфазным зависимым преобразователем с фазовым управлением, предусматривающим возможность работы на два вида нагрузки: на двигатель постоянного тока в варианте управляемого выпрямителя или на асинхронный двигатель в варианте тиристорного регулятора напряжения. Вариант реализуемого преобразователем регулятора задается соответствующей схемой соединения тиристоров на стороне нагрузки.

Устройство обеспечивает возможность построения электроприводов постоянного тока с обратной связью по скорости и ЭДС двигателя (напряжению с “IR”-компенсацией). Устройство может быть использовано в качестве централизованного (группового) источника питания взаимосвязанных электроприводов поточных линий в режиме работы с обратной связью по напряжению. Устройство может быть использовано для регулирования и стабилизации тока и напряжения нагрузки в различного рода установках, а также для осуществления плавного (безударного) пуска и торможения трехфазных асинхронных электродвигателей мощностью до 55 кВт.

Устройство предназначено для построения индивидуальных и взаимосвязанных (многодвигательных) электроприводов машин постоянного тока и поточных линий текстильной, легкой, полиграфической промышленности, а так же промышленности по производству химических волокон и т.д.

Преобразователь УКЭ-Л является однокомплектным, выполненным по трехфазной симметричной схеме.

В состав устройства входят (рис.П2.1):

- трансформатор силовой согласующий или токоограничивающие реакторы (блок А1);

- блок силовой (блок А2);

- блок управления (блок А3).

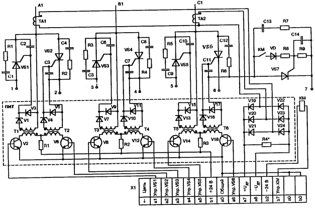
Блок силовой А2 (рис.П2.2) содержит шесть основных тиристоров и тиристор динамического торможения. Силовые электроды основных тиристоров (рис.1.23) не имеют постоянного электрического соединения на стороне нагрузки в целях получения возможности их последующего объединения либо в схему управляемого выпрямителя, либо тиристорного регулятора напряжения.


 

Рис.П2.1. Схема электрическая принципиальная устройства в варианте электропривода по системе «управляемый выпрямитель - двигатель»

 

Эти варианты отличаются разными схемами соединения силовых электродов VS на стороне нагрузки. Вариант управляемого выпрямителя зависимого преобразователя характеризуется объединением катодов всех тиристоров в одну точку, а анодов - в другую. Именно такой вариант соединения силовых электродов тиристоров на стороне нагрузки обеспечивает преобразование переменного тока в постоянный. Вариант тиристорного регулятора напряжения зависимого преобразователя имеет другую схему соединения силовых электродов тиристоров на стороне нагрузки: анод одного тиристора соединяется с катодом второго, ему парного в фазе. Такую схему соединения силовых электродов имеют все VS на стороне нагрузки по всем фазам преобразователя.

Кроме того, силовой блок содержит элементы защиты тиристоров от перенапряжений (RC-цепи), элементы управления тормозным тиристором, импульсные трансформаторы выходных каскадов системы импульсно-фазового управления и датчик тока. Для подключения внешних силовых цепей блок имеет клеммные зажимы, а для соединения с блоком управления - штепсельный разъем.

 

 

Рис.П2.2. Устройство силового блока (блок А2)

 

Блок управления - блок А3 - выполнен не базе блочной унифицированной конструкции (кассеты БУК-б по рекомендации МЭК) и имеет два типоисполнения БУ1 и БУ2. Элементы схемы управления и регулирования размещены на печатных платах функциональных блоков. Межблочные соединения осуществляются при помощи штепсельных разъемов, вилки которых установлены на платах функциональных блоков, а розетки - на задней стенке кассеты. В кассете также размещен маломощный трехфазный трансформатор и три предохранителя, предназначенные для защиты цепей управления.

В зависимости от типоисполнения блок управления комплектуется определенным набором функциональных блоков: питания, фазового управления, регулятора тока, регулятора скорости, гальванической развязки, возбуждения, логики, коммутации.

Структура блока БУ1 - трехконтурная и обеспечивает возможность построения замкнутой системы регулирования скорости и натяжения срабатываемого материала, а структура блока БУ2 - двухконтурная и дает возможность построения замкнутой системы регулирования только скорости.


Схема соединения блока управления выполнена таким образом, что путем установки перемычек в блоке коммутации обеспечивается возможность реализации различных функциональных схем в зависимости от требований, предъявляемых к электроприводу.

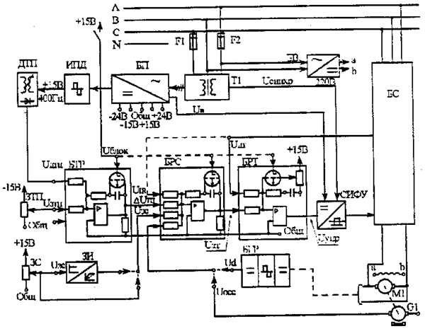
При работе изделия в составе электропривода постоянного тока (рис.П2.3) блок силовой преобразователя собирается по схеме трехфазного мостового управляемого выпрямителя. Регулирование частоты вращения двигателя постоянного тока М осуществляется изменением выпрямленного напряжения, подводимого к якорю. Сетевое питающее напряжение подается на вентильный блок УВ через согласующий трансформатор или токоограничивающие реакторы. В цепи питания УВ включены два трансформатора тока, которые используются в качестве датчика тока (ДТ) нагрузки.

Рис.П2.3. Функциональная схема электропривода постоянного тока

 

В состав системы управления и регулирования скорости электродвигателя входят следующие функциональные узлы (рис.П2.3):

1. Система импульсно-фазового управления (СИФУ).

2. Источник питания цепей управления и регулирования (блок питания БП).

3. Источник питания технологического датчика (ИПД).

4. Источник питания цепи возбуждения электродвигателя (блок возбуждения БВ).

5. Регулятор скорости (блок регулятора скорости БРС).

6. Регулятор тока (блок регулятора тока БРТ).

7. Технологический регулятор (блок технологического регулятора БТР).

8. Задатчик интенсивности (ЗИ).

9. Узел гальванической развязки (блок гальванической развязки БГР).

Питание системы управления и регулирования осуществляется от трехфазного сетевого напряжения через маломощный понижающий трансформатор (Т1).

Напряжение, снимаемое со вторичных обмоток данного трансформатора, подается на источник цепей управления (блок БП), который вырабатывает нестабилизированное напряжение ±24 В и стабилизированное напряжение ±15 В, необходимые для питания всех функциональных узлов устройства (СИФУ, регуляторов, задатчиков, генераторов и т.д.). Кроме того, напряжение со вторичных обмоток трансформатора Т1 подается на систему импульсно-фазового управления для синхронизации ее работы с сетевым напряжением.

СИФУ силовыми тиристорами относится к типу многоканальных, в данном случае трехканальная (по числу фаз преобразуемого напряжения). В основу управления положен вертикальный принцип управления, заключающийся в том, что формирование управляющего импульса производится в момент сравнения опорного пилообразного напряжения с напряжением управления. Изменение величины напряжения управления влечет за собой изменение фазы управляющего импульса, что определяет угол отпирания силовых транзисторов, а следовательно, величину выходного напряжения выпрямителя.

 








Date: 2015-06-11; view: 2105; Нарушение авторских прав



mydocx.ru - 2015-2026 year. (0.904 sec.) Все материалы представленные на сайте исключительно с целью ознакомления читателями и не преследуют коммерческих целей или нарушение авторских прав - Пожаловаться на публикацию