Главная Случайная страница


Полезное:

Как сделать разговор полезным и приятным Как сделать объемную звезду своими руками Как сделать то, что делать не хочется? Как сделать погремушку Как сделать так чтобы женщины сами знакомились с вами Как сделать идею коммерческой Как сделать хорошую растяжку ног? Как сделать наш разум здоровым? Как сделать, чтобы люди обманывали меньше Вопрос 4. Как сделать так, чтобы вас уважали и ценили? Как сделать лучше себе и другим людям Как сделать свидание интересным?


Категории:

АрхитектураАстрономияБиологияГеографияГеологияИнформатикаИскусствоИсторияКулинарияКультураМаркетингМатематикаМедицинаМенеджментОхрана трудаПравоПроизводствоПсихологияРелигияСоциологияСпортТехникаФизикаФилософияХимияЭкологияЭкономикаЭлектроника






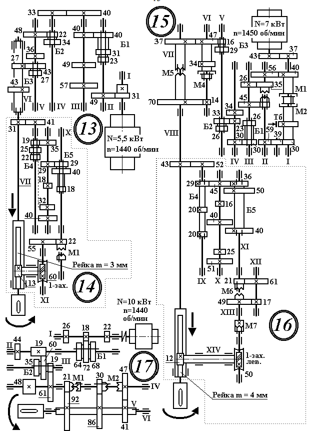
ДОДАТКИ. 1, 2 – ланцюги головного руху і подачі токарно-гвинторізного верстата 1А616;





1, 2 – ланцюги головного руху і подачі токарно-гвинторізного верстата 1А616;

3 – ланцюг головного руху токарно-затиловочного верстата моделі К96.

 

 

 

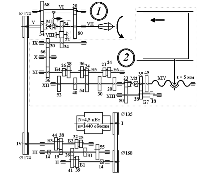
4, 5 – ланцюги головного руху і подачі токарно-гвинторізного верстата моделі 1К62;

6 – ланцюг головного руху горизонтально-розточувального верстата моделі 262Г.

 

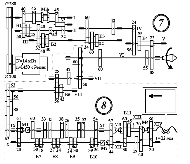
7, 8 – ланцюги головного руху і подачі токарно-гвинторізного верстата моделі 163;

9 – ланцюг головного руху токарно-гвинторізного верстата моделі 1К620Г

 

10, 11 – ланцюги головного руху і подачі токарно-револьверного верстата моделі 1П365;

12 – ланцюг головного руху двостійкового карусельного верстата моделі 1553.

13, 14 – ланцюги головного руху і подачі радіально-свердлильного верстата моделі 2В56;

15, 16 – ланцюги головного руху і подачі радіально-свердлильного верстата моделі 257;

17 – ланцюг головного руху горизонтально-розточувального верстата моделі 2620А.

 

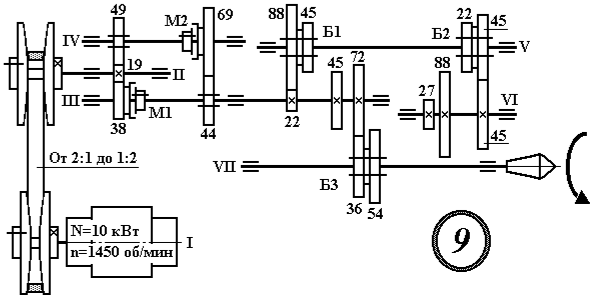
18, 19 – ланцюги головного руху і подачі вертикально-фрезерного верстата моделі 6Н12ПБ







Date: 2015-06-11; view: 707; Нарушение авторских прав



mydocx.ru - 2015-2026 year. (3.097 sec.) Все материалы представленные на сайте исключительно с целью ознакомления читателями и не преследуют коммерческих целей или нарушение авторских прав - Пожаловаться на публикацию