Главная Случайная страница


Полезное:

Как сделать разговор полезным и приятным Как сделать объемную звезду своими руками Как сделать то, что делать не хочется? Как сделать погремушку Как сделать так чтобы женщины сами знакомились с вами Как сделать идею коммерческой Как сделать хорошую растяжку ног? Как сделать наш разум здоровым? Как сделать, чтобы люди обманывали меньше Вопрос 4. Как сделать так, чтобы вас уважали и ценили? Как сделать лучше себе и другим людям Как сделать свидание интересным?


Категории:

АрхитектураАстрономияБиологияГеографияГеологияИнформатикаИскусствоИсторияКулинарияКультураМаркетингМатематикаМедицинаМенеджментОхрана трудаПравоПроизводствоПсихологияРелигияСоциологияСпортТехникаФизикаФилософияХимияЭкологияЭкономикаЭлектроника






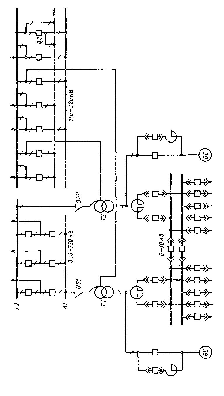
Г) Схемы мощных узловых подстанций





На шинах 330—750 кВ узловых подстанций осуществляется связь от­дельных частей энергосистемы или связь двух систем, поэтому к схемам на стороне ВН предъявляют повышенные требования в отношении надежно­сти. Как правило, в этом случае применяют схемы с многократным при­соединением линий: кольцевые схемы (см. рис. 2.2), схемы 3/2 выключате­ля на цепь (см. рис. 2.7) и схемы трансформатор - шины с присоединением линий через два выключателя (при трех и четырех линиях) или с полу­торным присоединением линий (при пяти-шести линиях).

На рис. 3.6 показана схема мощной узловой подстанции. На стороне 330-750 кВ применена схема шины - автотрансформатор. В цепи каждой линии - два выключателя, автотрансформаторы присоединяются к шинам без выключателя (устанавливаются разъединители с дистанционным при­водом). При повреждении Т1 отключаются все выключатели, присоеди­ненные к А1, работа линий 330-750 кВ при этом не нарушается. После отключения Т1со всех сторон отключается дистанционно разъединитель QS1 и схема со стороны ВН восстанавливается включением всех выключа­телей, присоединенных к первой системе шин А1. В зависимости от числа линий 330—750 кВ возможно применение коль­цевых схем или схемы 3/2 выключателя на цепь.

На стороне среднего напряжения 110—220 кВ мощных подстанций при­меняется схема с одной рабочей и одной обходной системами шин или с двумя рабочими и одной обходной системами шин (см. рис. 2.4 и 2.6). Анализ и область применения этих схем рассмотрены в главе 2, в, г.

При выборе схемы на стороне НН в первую очередь решается вопрос об ограничении тока КЗ. Для этой цели можно применять трансформа­торы с повышенным значением Uкз, трансформаторы с расщепленной об­моткой НН или устанавливать реакторы в цепи трансформатора. В схеме, показанной на рис. 3.6, на стороне НН установлены сдвоенные реакторы. Синхронные компенсаторы с пусковыми реакторами присоединены непос­редственно к выводам НН автотрансформаторов. Присоединение мощных GC к шинам 6—10 кВ привело бы к недопустимому увеличению токов КЗ.

В цепях автотрансформаторов со стороны НН для независимого регу­лирования напряжения могут устанавливаться линейные регулировочные трансформаторы [6, § 2.2, ж]. Необходимость установки линейных регуля­торов решается в проекте развития электрической сети ВН.

Рис. 3.6. Схема узловой подстанции








Date: 2015-06-11; view: 2065; Нарушение авторских прав



mydocx.ru - 2015-2026 year. (7.137 sec.) Все материалы представленные на сайте исключительно с целью ознакомления читателями и не преследуют коммерческих целей или нарушение авторских прав - Пожаловаться на публикацию