Главная Случайная страница


Полезное:

Как сделать разговор полезным и приятным Как сделать объемную звезду своими руками Как сделать то, что делать не хочется? Как сделать погремушку Как сделать так чтобы женщины сами знакомились с вами Как сделать идею коммерческой Как сделать хорошую растяжку ног? Как сделать наш разум здоровым? Как сделать, чтобы люди обманывали меньше Вопрос 4. Как сделать так, чтобы вас уважали и ценили? Как сделать лучше себе и другим людям Как сделать свидание интересным?


Категории:

АрхитектураАстрономияБиологияГеографияГеологияИнформатикаИскусствоИсторияКулинарияКультураМаркетингМатематикаМедицинаМенеджментОхрана трудаПравоПроизводствоПсихологияРелигияСоциологияСпортТехникаФизикаФилософияХимияЭкологияЭкономикаЭлектроника






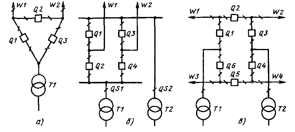
Б) Кольцевые схемы





В кольцевых схемах (схемах многоугольников) выключатели соеди­няются между собой, образуя кольцо. Каждый элемент — линия, трансфор­матор — присоединяется между двумя соседними выключателями. Самой простой кольцевой схемой является схема треугольника (рис. 2.2, а). Ли­ния W1 присоединена к схеме выключателями Q1, Q2, линия W2 — выклю­чателями Q2, Q3, трансформатор — выключателями Q1, Q3. Многократное присоединение элемента в общую схему увеличивает гибкость и надеж­ность работы, при этом число выключателей в рассматриваемой схеме не превышает числа присоединений. В схеме треугольника на три присоедине­ния — три выключателя, поэтому схема экономична.


Рис. 2.2. Кольцевые схемы

 

В кольцевых схемах ревизия любого выключателя производится без перерыва работы какого-либо элемента. Так, при ревизии выключателя Q1 отключают его и разъединители, установленные по обе стороны выключа­теля. При этом обе линии и трансформатор остаются в работе, однако схема становится менее надежной из-за разрыва кольца. Если в этом режи­ме произойдет КЗ на линии W2, то отключатся выключатели Q2 и Q3, вследствие чего обе линии и трансформатор останутся без напряжения. Полное отключение всех элементов подстанции произойдет также при КЗ на линии и отказе одного выключателя: так, например, при КЗ на ли­нии W1 и отказе в работе выключателя Q1 отключатся выключатели Q2 и Q3. Вероятность совпадения повреждения на линии с ревизией выключа­теля, как было сказано выше, зависит от длительности ремонта выключа­теля. Увеличение межремонтного периода и надежности работы выключа­телей, а также уменьшение длительности ремонта значительно повышают надежность схем.

В кольцевых схемах надежность работы выключателей выше, чем в других схемах, так как имеется возможность опробования любого выклю­чателя в период нормальной работы схемы. Опробование выключателя пу­тем его отключения не нарушает работу присоединенных элементов и не требует никаких переключений в схеме.

На рис. 2.2, б представлена схема четырехугольника (квадрата). Эта схема экономична (четыре выключателя на четыре присоединения), позво­ляет производить опробование и ревизию любого выключателя без наруше­ния работы ее элементов. Схема обладает высокой надежностью. Отклю­чение всех присоединений маловероятно, оно может произойти при совпадении ревизии одного из выключателей, например Q1, повреждении линии W2 и отказе выключателя второй цепи Q4. В цепях присоединений линий разъединителей не устанавливают [3], что упрощает конструк­цию ОРУ. При ремонте линии W2 отключают выключатели Q3, Q4 и разъ­единители, установленные в сторону линий. Связь оставшихся в работе присоединений W1, Т1 и Т2 осуществляется через выключатели Q1, Q2. Если в этот период повредится Т1, то отключится выключатель Q2, второй трансформатор и линия W1 останутся в работе, но транзит мощности бу­дет нарушен.

Отказ от установки разъединителей в цепях линий приводит к сложным работам по реконструкции ОРУ в случае добавления хотя бы одной линии и переходе к схеме расширенного четырехугольника (см. рис. 3.5), в кото­рой предусматривается установка разъединителей на всех линиях, и пред­ставляется необоснованным [1].

Достоинством всех кольцевых схем является использование разъедини­телей только для ремонтных работ. Количество операций разъединителя­ми в таких схемах невелико.

К недостаткам кольцевых схем следует отнести более сложный выбор трансформаторов тока, выключателей и разъединителей, установленных в кольце, так как в зависимости от режима работы схемы ток, протекаю­щий по аппаратам, меняется. Например, при ревизии Q1 (рис. 2.2, б) в це­пи Q2 ток возрастает вдвое. Релейная защита также должна быть выбрана с учетом всех возможных режимов при выводе в ревизию выключателей кольца.

Схема четырехугольника применяется в РУ 330 кВ и выше электро­станций как один из этапов развития схемы, а также на подстанциях при напряжении 220 кВ и выше [2].

Достаточно широкое применение получила схема шестиугольника (рис. 2.2, в), обладающая всеми особенностями разобранных выше схем. Выключатели Q2 и Q5 являются наиболее слабыми элементами схемы, так как их повреждение приводит к отключению двух линий W1 и W2 или W3 и W4. Если по этим линиям происходит транзит мощности, то необходимо проверить, не произойдет ли при этом нарушение устойчивости параллель­ной работы энергосистемы.

В заключение следует отметить, что конструктивное выполнение рас­пределительных устройств по кольцевым схемам позволяет сравнительно просто переходить от схемы треугольника к схеме четырехугольника, а за­тем к схеме блоков трансформатор — шины или к схемам со сборными шинами.







Date: 2015-06-11; view: 4305; Нарушение авторских прав



mydocx.ru - 2015-2026 year. (0.527 sec.) Все материалы представленные на сайте исключительно с целью ознакомления читателями и не преследуют коммерческих целей или нарушение авторских прав - Пожаловаться на публикацию