Главная Случайная страница


Полезное:

Как сделать разговор полезным и приятным Как сделать объемную звезду своими руками Как сделать то, что делать не хочется? Как сделать погремушку Как сделать так чтобы женщины сами знакомились с вами Как сделать идею коммерческой Как сделать хорошую растяжку ног? Как сделать наш разум здоровым? Как сделать, чтобы люди обманывали меньше Вопрос 4. Как сделать так, чтобы вас уважали и ценили? Как сделать лучше себе и другим людям Как сделать свидание интересным?


Категории:

АрхитектураАстрономияБиологияГеографияГеологияИнформатикаИскусствоИсторияКулинарияКультураМаркетингМатематикаМедицинаМенеджментОхрана трудаПравоПроизводствоПсихологияРелигияСоциологияСпортТехникаФизикаФилософияХимияЭкологияЭкономикаЭлектроника






Методы определения хрупкости





В зависимости от характера действия внешних нагрузок, напряжённого состояния, конструктивных особенностей и температуры одна и та же деталь из определенного материала может разрушаться вязко или хрупко. Известно множество случаев хрупкого разрушения под действием ударной нагрузки металлов, обладающих высокими пластическими свойствами.

Для проверки способности материала сопротивляться ударным нагрузкам и выявления склонности к хрупкому разрушению проводят испытания на удар.

Ударные испытания различают:

а) по виду деформации – на изгиб, растяжение, сжатие, кручение, срез;

б) по скорости нагружения – обычные (4-7 м/с), скоростные (100 – 300 м/с) и сверхскоростные (свыше 300 м/с);

в) по числу ударов – одним ударом или повторными ударами;

г) по температуре испытания.

Наиболее широкое применение получил способ испытания при ударном изгибе образцов прямоугольного сечения с надрезом посередине. Наличие надреза способствует более хрупкому разрушению материала, что вызывает излом образца даже при пластичном материале. Кроме того, разрушению надрезанного образца способствует концентрация напряжений.

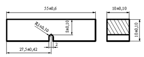
Рисунок 1 - Размеры образцов для испытаний. Основной стандартный образец типа Менаже, согласно ГОСТ 9454-78, должен иметь размеры, указанные на Рисунок 1. Для некоторых испытаний применяют также большой и малые образцы типа Шарпи с глубоким надрезом.

В результате испытания определяется ударная вязкость материала, представляющая собой работу, затраченную для ударного излома образца, отнесенную к площади поперечного сечения в месте надреза. Если сравнить два материала с одинаковым пределом прочности, но требующие для разрушения разное количество работы, то тот, для которого работа будет больше, называют более вязким материалом.

Хотя данные об ударной вязкости и не могут быть использованы при расчёте на прочность или для аналитической оценки опасности хрупкого разрушения, но они позволяют решить вопрос о применимости того или иного материала в условиях динамических нагрузок, в которых работают многие детали машин, имеющие отверстия, канавки для шпонок, разные конструктивные углы и т.п. Низкая ударная вязкость служит основанием для браковки материала. Стали, применяемые для изготовления деталей, работающих при динамических нагрузках, должны иметь ударную вязкость не менее 8·10 Н·м/м².







Date: 2015-06-11; view: 1187; Нарушение авторских прав



mydocx.ru - 2015-2026 year. (0.541 sec.) Все материалы представленные на сайте исключительно с целью ознакомления читателями и не преследуют коммерческих целей или нарушение авторских прав - Пожаловаться на публикацию