Главная Случайная страница


Полезное:

Как сделать разговор полезным и приятным Как сделать объемную звезду своими руками Как сделать то, что делать не хочется? Как сделать погремушку Как сделать так чтобы женщины сами знакомились с вами Как сделать идею коммерческой Как сделать хорошую растяжку ног? Как сделать наш разум здоровым? Как сделать, чтобы люди обманывали меньше Вопрос 4. Как сделать так, чтобы вас уважали и ценили? Как сделать лучше себе и другим людям Как сделать свидание интересным?


Категории:

АрхитектураАстрономияБиологияГеографияГеологияИнформатикаИскусствоИсторияКулинарияКультураМаркетингМатематикаМедицинаМенеджментОхрана трудаПравоПроизводствоПсихологияРелигияСоциологияСпортТехникаФизикаФилософияХимияЭкологияЭкономикаЭлектроника






Правила оформления отчета 2 page





Существенным достоинством обладают фильтры, содержащие разнохарактерные звенья, например Г – образный LC – фильтр, показанный на рис. 8 а. Его коэффициент сглаживания с учетом вышеизложенного будет равен

,

т.е. в отличие от коэффициентов сглаживания отдельных звеньев (L и C фильтров) коэффициент сглаживания Г – образного LC – фильтра не зависит от изменения нагрузки . Это и является основным достоинством комбинированных LC – фильтров.

В маломощной аппаратуре иногда вместо многозвенного чисто реактивного LC – фильтра используют более простой по стоимости, массе и габаритам многозвенный RC – фильтр, часто по П-образной структуре, показанной на рис. 8 б, с активным сопротивлением в последовательном звене. Это увеличивает соответствующие постоянные времени зарядных и разрядных процессов конденсаторов и тем самым уменьшает перепад между минимальным и максимальными уровнями их напряжений, а значит и уровень пульсаций выходного сигнала.

Однако здесь постоянная составляющая фильтруемого напряжения (и тока ) передается в нагрузку через достаточно большое активное сопротивление . Это, во-первых, обуславливает плохие энергетические показатели фильтра и, во-вторых, даже при незначительных изменениях нагрузки создаются относительно большие колебания падения напряжения на активном сопротивлении фильтра , приводящие к соответствующим большим изменениям (нестабильности) выходного напряжения

И, наконец, одним из важнейших показателей качества работы любого выпрямителя является его выходная или нагрузочная характеристика , показывающая, как сильно изменяется (уменьшается) его выходное напряжение с ростом нагрузки

В выпрямителях без фильтров (рис. 3 а и рис. 4 а) это влияние осуществляется через увеличение падения напряжения на внутреннем сопротивлении по уравнению Кирхгоффа для цепи постоянного тока выпрямителя:

,

где - выходное напряжение выпрямителя в режиме холостого хода (, ).

Использование любых , , фильтрующих звеньев по отдельности или в любом сочетании на выходе выпрямителя всегда только ухудшает его внешнюю характеристику.

Влияние звена активного сопротивления в RC - многозвенном фильтре на нестабильность выходного напряжения при изменении нагрузки показано выше.

Использование L – фильтрующего звена самостоятельно или в составе многозвенного LC – фильтра ухудшает характеристику за счет увеличения внутреннего сопротивления выпрямителя на величину активного сопротивления этого дросселя . С учетом этого по уравнению Кирхгоффа для цепи постоянного тока выпрямителя получаем:

Принцип работы - звена рассмотрен ранее. Нетрудно убедиться, что с уменьшением , одновременно уменьшается постоянная времени разряда и увеличивается крутизна снижения напряжения конденсатора на участках его разряда. Это приводит к уменьшению постоянной составляющей , которая и является выходным напряжением всего выпрямителя .

Итак, любой выпрямитель без фильтра имеет наилучшую внешнюю характеристику , но наихудшую форму (с максимальным уровнем пульсаций) выходного напряжения. Использование в выпрямителях любых сглаживающих фильтров улучшает форму выходного напряжения (уменьшает коэффициент его пульсаций), но ухудшает его внешнюю характеристику.

 

Домашнее задание

 

По учебнику и лекциям изучить устройство, принцип действия, характеристики и параметры выпрямительных диодов, схемы и работу однофазных выпрямителей и сглаживающих фильтров. Ознакомиться с внешними характеристиками выпрямителей, а также факторами, влияющими на них.

 

Приборы и оборудование

 

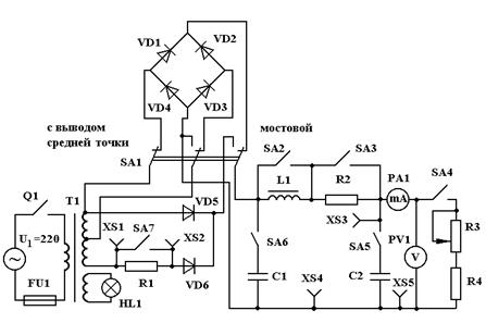
Лабораторная работа выполняется на модернизированном стенде ЭС-1м, с помощью которого можно исследовать два однофазных двухполупериодных выпрямителя: с выводом средней точки вторичной обмотки трансформатора и мостовой выпрямитель. Электрическая схема стенда показана на рис. 9.

Включение исследуемого выпрямителя производится переключателем SА1. В положении переключателя «мостовой» к трансформатору Т 1 подключается мостовой выпрямитель, а в другом положении переключателя SА1 подсоединяется выпрямитель «с выводом средней точки» вторичной обмотки трансформатора. Резистор R1 с выключателем SА7 между гнездами XS1 и XS2 предназначены для снятия осциллограммы тока диода VD6.

  Рис.9  

В исследуемых выпрямителях используются кремневые диоды типа КД205. Нагрузкой выпрямителей являются резисторы R3 и R4. Выключатель SА4 отсоединяет нагрузку при измерении начального значения .


Для создания сглаживающего фильтра служат: дроссель L 1, резистор R2 и конденсаторы С1 и С2. Схема исследуемого фильтра набирается с помощью выключателей SА2, SА3, SА5, SА6. При измерении выпрямленного напряжения и тока используется вольтметр PV 1 и миллиамперметр РА 1. Для снятия осциллограмм выходного напряжения предусмотрены гнезда XS3-XS5. Выключатель Q 1 подсоединяет или отсоединяет питание стенда.

 

План работы

 

1. Ознакомиться со стендом.

2. Подготовить стенд к работе: установить переключатель SА1 в положение «мостовой», реостат R3 - в положение минимального тока (полностью ввести ручкой по часовой стрелке), выключатели SА2, SА3 – в положение «замкнуто», выключатели SА4, SА5, SА6 – в положение «разомкнуто», подсоединить шнуром питания стенд к сети 220 В и включить Q 1, при этом загорится сигнальная лампочка HL 1.

3. Снять внешние характеристики мостового выпрямителя:

а) без фильтра, для чего записать показание вольтметра при Iн =0, затем включить SА4 и, изменяя ток Iн от минимального до максимального значения, снять показания приборов в точках;

б) с фильтром L 1, для чего установить выключатель SА2 в положение «разомкнуто» и повторить опыт согласно пункту 3а;

в) с фильтром C 1, для чего установить выключатели SА2, SА5 и SА6 – в положение «замкнуто» и повторить опыт согласно пункту 3а;

г) с П- образным LC – фильтром, для чего установить выключатель SА2 в положение «разомкнуто», а выключатель SА5 и SА6 – в положение «замкнуто» и повторить опыт согласно пункту 3а;

д) с П – образным RC – фильтром, для чего установить выключатель SА2 в положение «замкнуто», а выключатель SА3 – в положение «разомкнуто» и повторить опыт согласно пункту 3а.

Полученные данные занести в табл.2.

Таблица 2

№ п/п Без фильтра С L - фильтром С С - фильтром С П - образ. LC – фильтром С П - образ. RC – фильтром
  Uн, В Iн, А Uн, В Iн, А Uн, В Iн, А Uн, В Iн, А Uн, В Iн, А
                     

4. Подключить осциллограф к гнездам XS3 и XS5. Зарисовать в одном и том же масштабе осциллограммы напряжения на нагрузке для всех исследованных режимов. Проследить и пояснить влияние на сглаживающую способность фильтров.

5. Снять внешние характеристики выпрямителя с выводом средней точки, для чего установить переключатели SА1 в положение «с выводом средней точки», а SА7 включить и выполнить опыты согласно пункту 3: а) без фильтра; б) с фильтром L; в) с фильтром С; г) с П-образным LC - фильтром; д) с П-образным RC - фильтром. Полученные данные занести в табл.2.

6. По данным опытов построить внешние характеристики выпрямителей.

7. Проследить и пояснить влияние фильтров на внешнюю характеристику и уровень пульсаций выходного напряжения.

 

Контрольные вопросы

 

1. Объяснить устройство, принцип действия и вольтамперные характеристики полупроводниковых выпрямительных диодов.

2. Начертить схему и объяснить работу мостового выпрямителя.

3. Начертить схему и объяснить работу выпрямителя с выводом средней точки трансформатора.

4. Объяснить назначение и принцип действия сглаживающих L -, C -, и комбинированных LC - и RC - фильтров.

5. Объяснить ход внешних характеристик исследованных выпрямителей.


6. Объяснить зарисованные осциллограммы.

 

Библиографический список

 

1. Касаткин А.С., Немцов С.В. Электротехника. М.: Высш. шк., 2000. С.237-240, 243-245, 258-262.

2. Данилов И.А., Иванов П.М. Общая электротехника с основами электроники. М.: Высш.шк., 2000. С.465-489, 525-531, 537-541.

3. Основы промышленной электроники /Под ред.В.Г.Герасимова.М.: Высш.шк., 1986. С.12-15, 21-24, 225-233, 235-240, 242-243.

4. Волынский Б.А., Зейн Е.Н., Шатерников В.Е. Электротехника. М.: Энергоатомиздат. 1987. С.227-233.

 

Работа № 2. ИССЛЕДОВАНИЕ НЕРАЗВЕТЛЕННОЙ ЦЕПИ ПЕРЕМЕННОГО ТОКА. РЕЗОНАНС НАПРЯЖЕНИЙ

 

Цель работы: 1) изучить процессы в цепи переменного тока, состоящей из последовательно соединенных катушки и конденсатора;

2) изучить явление резонанса напряжение и условия, при которых оно наблюдается;

3) освоить методику построения векторных диаграмм для цепи с последовательным соединением элементов.

 

Пояснения к работе

 

Исследуемая цепь состоит из последовательно соединенных катушки с ферромагнитным сердечником, в котором имеется воздушный зазор, и батареи конденсаторов (рис.10).

Рис. 10

 

Так как индуктивная катушка обладает активным и индуктивным сопротивлением, то на схеме замещения этой цепи (рис.11), катушка представлена резистивным R и индуктивным L элементами, а батарея конденсаторов - емкостным элементом С.
Рис. 11

Напряжение питающей сети, подведенное к цепи, равно векторной сумме напряжений, действующих на отдельных участках этой цепи и может быть записано по второму закону Кирхгофа в комплексной форме:

,

где , , – комплексные напряжения на участках цепи, определяемые как произведение комплексного тока на соответствующие сопротивления: , , – активное и реактивные индуктивное и емкостное сопротивления; – угловая частота; – частота питающего напряжения, комплексное напряжение на катушке.

Уравнение для подводимого к электрической цепи комплексного напряжения с учетом его составляющих преобразуются к виду

.

По этому уравнению можно построить векторную диаграмму тока и напряжений электрической цепи, принимая во внимание, что умножение вектора напряжения на множитель (+j) соответствует повороту его относительно вектора тока на угол p/2 в направлении отсчета положительных углов (против часовой стрелки), а умножения на множитель (-j) – повороту вектора на угол p/2 по часовой стрелке (рис.12.)

За базовый принимают вектор тока , так как при последовательном соединении элементов через них протекает один и тот же ток. Вектор тока проводят произвольно. Выбирают масштаб тока и масштаб напряжения .

Вектор напряжения на активном сопротивлении совпадает по фазе с вектором тока . Вектор напряжения на индуктивном сопротивлении опережает вектор тока на угол p/2, вектор напряжения на емкостном сопротивлении отстает от вектора тока на угол p/2. Угол j - угол сдвига фаз рассчитывается по формуле


Коэффициент мощности электрической цепи можно определить из соотношения . Отсюда видно, что угол j зависит от характера и величины сопротивлений, включенных в цепь переменного тока. В цепи переменного тока различают активную Р, реактивную Q и полную S мощность,
Рис. 12

которые рассчитываются следующим образом:

, Вт;

, Вар;

, ВА.

Реактивная составляющая полной мощности цепи находится как разность индуктивной QL и емкостной QC ее составляющих:

Исследования проводятся при неизменном напряжении U и изменяющейся емкости С (могут изменяться индуктивность L или частота f)

В исходном положении включена минимальная емкость Сmin. При увеличении емкости путем подключения параллельно друг другу конденсаторов уменьшается емкостное сопротивление , что приводит к изменению реактивного сопротивления и полного сопротивления Z. В результате изменяется величина тока I, напряжений UК и UС, угол сдвига фаз j, активная Р, реактивная Q и полная S мощности цепи.

При равенстве индуктивного и емкостного сопротивлений полное сопротивление Z цепи будет минимальным и чисто активным Z=R, а ток – максимальным . Этот режим работы цепи называют резонансом напряжений. При этом ток и напряжение совпадает по фазе (коэффициент мощности ). Активная мощность имеет наибольшее значение, равное полной мощности, в то время как реактивная мощность цепи оказывается равной нулю: .

При резонансе напряжения на емкости и на индуктивности равны и могут значительно превышать подводимое напряжение U, если и значительно превышают R:

, .

Резонанс напряжений в промышленных электрических установках нежелательное и опасное явление, так как оно может привести к аварии вследствие недопустимого перегрева отдельных элементов электрической цепи или пробою изоляции.

В тоже время резонанс напряжений в электрических цепях переменного тока широко используется в радиотехнике в различных приборах и устройствах, основанных на резонансных явлениях.

 

Домашнее задание

 

По учебнику и конспекту изучить процессы в простейших линейных электрических цепях с резистивным, индуктивным и емкостным элементами и при их последовательном соединении при синусоидальном токе.

Усвоить понятия активное, индуктивное, реактивное и полное сопротивления; уметь записывать модули этих сопротивлений и комплексные значения, находить полное сопротивления через сопротивление участков. Понять, как строятся векторные диаграммы напряжений при последовательном соединении элементов, и от чего зависит угол сдвига фаз между векторами напряжения и тока. Обратить внимание на энергетический процесс в простейших цепях при последовательном соединении R, L, C. Понять, при каком условии в цепи возникает резонанс напряжений и чем он сопровождается. Обратить внимание, что если и значительно превышают R, то напряжения на катушке и конденсаторе значительно превышают подводимое напряжение.

 

Приборы и оборудование

 

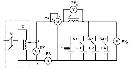
Работа выполняется на универсальном стенде, где установлен лабораторный автотрансформатор (ЛАТР) и необходимые приборы. Индуктивная катушка и батарея конденсаторов с регулируемой (с помощью выключателей) емкостью находятся на столе. Электрическая цепь собирается с помощью комплекта проводов в соответствии со схемой соединений (рис.13.)

 

План работы

 

1. Ознакомиться с рабочим местом. Собрать электрическую цепь по схеме (рис.13.), записать технические данные измерительных приборов.

2. После проверки схемы преподавателем включить питание и установить с помощью автотрансформатора напряжение U, заданное преподавателем.

3. Поддерживая U =const и увеличивая емкость от минимальной до максимальной, записать показания измерительных приборов.

Рис. 13

Данные занести в табл. 3.

 

Таблица 3

Измеренные величины Вычисленные величины
U, В I, А Uк В UС В Р, Вт Z, Ом Zк Ом R, Ом XL, Ом XC, Ом L, Гн C, мкФ UR, В UL, В cosj
                             

 

4. По данным опытов:

а) вычислить Z, Zк, R, , , L, C, cosj;

б) построить в одних осях графики зависимостей I(C), Р(C), Uc(C), UL(C), Z(C), cosj (C);

в) построить в одном масштабе векторные диаграммы цепи для режимов ; , ;

г) сделать краткие выводы о результатах исследований, записать их в отчет.

 

Формулы для расчета

 

- полное сопротивление цепи;

- полное сопротивление катушки;

- активное сопротивление цепи (катушки);

- индуктивное сопротивление катушки;

- индуктивное падение напряжения;

- активное падение напряжения;

- емкостное сопротивление конденсатора;

- коэффициент мощности всей цепи;

w=2p f - угловая частота;

f =50 Гц - промышленная частота.

 

Контрольные вопросы

 

1. Нарисовать схему замещения электрической цепи. Объяснить какие процессы отражают элементы этой схемы.

2. Записать выражение для тока, полного сопротивления и коэффициента мощности при резонансе напряжений.

3. В чем заключается явление резонанса напряжений и при каких условиях оно возникает?

4. Изменением каких параметров электрической цепи (см. рис.11.) можно получить резонанс напряжений?

5. С помощью каких приборов и по какому признаку можно судить о возникновении резонанса напряжений в электрической цепи?

6. Провести анализ построенных векторных диаграмм до и после резонанса напряжений и объяснить, в каком случае напряжение опережает ток, а в каком – отстает.

7. По схеме замещения исследуемой цепи проанализировать к чему приведет изменение активного сопротивления электрической цепи при резонансе напряжений.

8. Сохраняется ли резонанс напряжений, если изменить только напряжение питающей сети?

9. Объяснить ход кривых, полученных в этой работе.

10. Какую опасность для электрических устройств представляет резонанс напряжений? Где используется резонанс напряжений?

 

Библиографический список

 

1. Касаткин А.С., Немцов С.В. Электротехника. М.: Высш. шк., 2000. С.38-77, 88-92.

2. Данилов И.А., Иванов П.М. Общая электротехника с основами электроники. М.: Высш.шк., 2000. С. 116-128, 131-154, 318-330, 342-345.

3. Иванов И.И., Равдоник В.С. Электротехника. М.: Высш.школа. 1984. С.32-68, 200-210, 216-219.

4. Волынский Б.А., Зейн Е.Н., Шатерников В.Е. Электротехника. М.: Энергоатомиздат. 1987. С.78-88, 116-119.

5. Общая электротехника /Под ред.А.Т.Блажкина. Л.: Энергоатомиздат. 1986. С.55-83, 97-101, 245-246.

6. Электротехника /Под ред.В.Г.Герасимова. М.:Высш.школа. 1987. С.40-73, 78-84, 272-283, 304-305.

7. Борисов Ю.М., Липатов Д.Н., Зорин Ю.Н.. Электротехника. М.: Энергоатомиздат. 1985. С.60-95, 106-113, 262-270, 280-282, 284.

Работа №3. ИССЛЕДОВАНИЕ ТРЕХФАЗНОЙ ЦЕПИ ПРИ СОЕДИНЕНИИ ФАЗ НАГРУЗКИ «ЗВЕЗДОЙ»

 

Цель работы: 1) ознакомиться с трехфазной цепью переменного тока и ее основными режимами работы при соединении фаз приемника «звездой»

2) по опытным данным выяснить влияние нейтрального провода на работу трехфазной цепи;

3) усвоить методику построения векторных диаграмм для основных режимов работы;

4) изучить способы измерения напряжений, токов и активной мощности цепи.

 

Пояснения к работе

 

Для соединения фаз приемника «звездой» их концы (x, y, z) соединяют в одну общую точку n, называемую нулевой, или нейтральной, точкой (рис.14). Начала фаз (a, b, c) присоединяют к проводам, идущим к соответствующим фазам сети (A, B, C). Эти провода называются линейными, а провод, соединяющий нейтральные точки нагрузки n и сети N – нейтральным.

Трехфазная цепь с тремя линейными и одним нейтральным проводами называется четырехпроводной, а при отсутствии нейтрального провода – трехпроводной. Нагрузка считается симметричной, когда комплексные сопротивления фаз одинаковы или иначе , . При соединении фаз нагрузки «звездой» линейные токи одновременно являются и фазными, поэтому . Электрическое состояние цепи описывается законами Кирхгофа и Ома:







Date: 2015-07-17; view: 476; Нарушение авторских прав



mydocx.ru - 2015-2026 year. (1.309 sec.) Все материалы представленные на сайте исключительно с целью ознакомления читателями и не преследуют коммерческих целей или нарушение авторских прав - Пожаловаться на публикацию