Правила оформления отчета 1 page
1. Отчет оформляется каждым студентом на отдельных листах бумаги. Все записи делаются аккуратно чернилами.
2. В отчете должны быть следующие сведения:
а) название кафедры;
б) название дисциплины;
в) фамилия студента и номер группы;
г) дата выполнения работы;
д) номер лабораторной работы и ее название;
е) перечень приборов, аппаратов и машин, их технические данные по форме, указанной в табл.1.
ж) рабочая схема;
з) краткие пояснения к работе и расчетным формулам;
и) таблицы результатов измерения и вычисления;
к) графики, векторные диаграммы;
л) анализ полученных результатов и выводы;
м) подпись студента.
Таблица 1
| Название
| Тип, система
| Технические данные, предел измерения
| Цена деления
| Класс точности
| Заводской номер
| |
|
|
|
|
|
|
3. Схемы вычерчиваются аккуратно с использованием стандартных условных обозначений элементов по ГОСТ 2.723-68, 2.728-74, 2.729-68 и буквенно-цифровых обозначений по ГОСТ 2.710-81.
4. Графики выполняются на миллиметровой бумаге или бумаге в клеточку. Координатные оси графиков должны иметь оцифрованные равномерные шкалы с нулем в начале координат и указанием единиц измерения (рис.1). Для вычерчивания линий на графике наносятся точки, полученные экспериментально или в результате расчета. Они соединяются плавной лекальной кривой, проходящей через большинство точек с учетом теоретических положений исследуемого явления.
5. Векторные диаграммы строят в масштабе.
| 6. При анализе полученных результатов и в выводе следует указать, какие теоретические положения подтверждаются в работе. В случае расхождения экспериментальных данных с положениями теории необходимо
|
| | Рис. 1.
| выявить возможные причины. При исследовании электрических машин целесообразно сравнить характеристики этих машин. Желательно привести примеры практического применения в производственных процессах явлений или машин, изученных в данной лабораторной работе.
Требования по технике безопасности
Безопасное и безаварийное выполнение лабораторных работ по исследованию электрических машин, цепей и аппаратов возможно при неукоснительном соблюдении требований «Правил технической эксплуатации электроустановок потребителей» и «Правил техники безопасности при эксплуатации электроустановок потребителей».
Прохождение через внутренние органы человека тока 0,05-0,1 А обычно приводит к смертельному исходу. Напряжение прикосновения, при котором могут возникнуть такие токи, определяется выражением
,
где – сопротивление человека, зависящее от многих факторов (считают, что =1000 Ом). Работы в лабораториях выполняются при напряжении 110 В постоянного тока и 220/127В трехфазного переменного тока частотой 50 Гц. Эти напряжения являются опасными для жизни человека, так как они превышают напряжение прикосновения. Поэтому прежде чем приступить к сборке электрической цепи, необходимо проверить, в каком положении находятся пакетные и автоматические выключатели на щитке питания данной работы. Включение напряжения может производиться только после проверки преподавателем собранной цепи, по его разрешению и в его присутствии. При необходимости внесения изменений в схему установка должна быть обесточена. Повторное включение производится после проверки измененной цепи преподавателем. Порядок выполнения опытов регламентируется в описании по каждой лабораторной работе в разделе «План работы», в котором даются необходимые указания для безопасного и безаварийного проведения работы.
В случае поражения электрическим током следует немедленно выключить питание данной установки или общее питание лаборатории, освободить пострадавшего от действия электрического тока, принять меры для оказания первой помощи до прибытия на место происшествия врача, поставить в известность о случившемся руководителя лабораторных занятий.
Более подробно требования техники безопасности изложены в «Инструкции по технике безопасности», утвержденной проректором по учебной работе, которая изучается студентами на первом лабораторном занятии. После инструктажа и проверки знания «Инструкции по технике безопасности» студенты расписываются в специальном журнале.
Работа № 1. ИССЛЕДОВАНИЕ ОДНОФАЗНЫХ ВЫПРЯМИТЕЛЕЙ.
Цель работы: 1) изучить принцип действия полу-проводниковых диодов, однофазных выпрямителей и сглаживающих фильтров; 2) снять внешние характеристики выпрямителей; 3) научиться снимать осциллограммы и внешние характеристики выпрямителей.
Пояснения к работе
Выпрямителями называются устройства, преобразующие переменное напряжение или ток в постоянный с помощью электрических вентилей.
Основную часть этой задачи во всех выпрямителях решает вентильная группа, которая в современных схемах выполняется на полупроводниковых вентилях: неуправляемых – диодах и полууправляемых – тиристорах, по какой – либо из известных схем. При этом вентильная группа всегда преобразует свое входное знакопеременное, например синусоидальное, напряжение (рис. 3 б), в однополярное пульсирующее выходное напряжение - (рис. 3 б), содержащее постоянную составляющую , которая и является основным результатом ее работы. Однако на практике от выпрямителя требуют выполнения еще целого ряда необходимых функций:
- согласования уровня входного переменного напряжения питающей сети, например =220 В, с уровнем постоянного выходного напряжения =6 В, необходимого для номинальной работы нагрузки;
- фильтрации – снижения уровня пульсаций выходного напряжения;
- стабилизации или регулирования выходного напряжения.
Тогда выпрямитель в своем составе помимо вентильной группы иметь входной согласующий трансформатор, сглаживающий фильтр, стабилизатор и схему регулирования выходного напряжения.
В данной работе анализируются относительно маломощные и простые однофазные выпрямители, содержащие входной трансформатор, вентильную группу и сглаживающий фильтр или без него.
Поэтому их вентильные группы собраны на полупроводниковых диодах. Последние представляют собой двухслойную структуру с разделительным – пограничным переходом и двумя выводами: анодом от - области и катодом от области. В выпрямителях используется основное свойство диодов – односторонней проводимости, т.е. хорошо проводить ток в прямом направлении и не пропускать в обратном. Управление состоянием (проводимостью) диода осуществляется напряжением внешней электрической цепи. При открывающей – прямой полярности этого напряжения , показанной на рис. 2 слева, диод «открывается» и по нему протекает ток . Соответственно при обратной полярности внешнего напряжения диод «закрывается» и его ток падает практически до нуля. На рис. 2 видно, что диод схемно представляет острие стрелки, показывающей направление действия открывающего внешнего напряжения - и протекающего по нему прямого тока - .
| В зависимости от предъявляемых требований к качеству выпрямленного напряжения и мощности нагрузки применяются различные схемы выпрямителей: однофазные и многофазные, однополупериодные и двухполупериодные и др.
|
| | Рис.2
| Однофазные выпрямители используются для питания потребителей небольшой мощности (десятки - сотни ватт).
Однополупериодные выпрямители применяются редко вследствие большой пульсации выпрямленного напряжения. Более совершенными являются двухполупериодные выпрямители по нулевой или мостовой схемам.
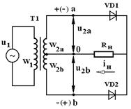
Нулевая схема выпрямителя, т.е. с выводом «нулевой» - средней точки трансформатора Т1 и диаграммы ее рабочих напряжений показаны на рис. 3 а, б. Верхняя диаграмма и соответственно представляет напряжения выходных полуобмоток и трансформатора, а нижняя - напряжение на нагрузке - 
|
| | а)
| б)
| | Рис. 3
| В первый полупериод , когда потенциал точки «а» положителен, а точки «b» отрицателен относительно средней точки «0» (показано без скобок), создается открывающее напряжение - для диода VD 1 и закрывающее – для диода VD 2. Соответственно через открытый диод протекает ток цепи: + «а» - VD 1 - - точка «0» - , а диод VD 2 остается закрытым.
Во втором полупериоде , когда потенциал точки «а» отрицателен, а точки «b» положителен относительно средней точки «0» (показано в скобках), создается запирающее напряжение для диода VD 1 - и открывающее напряжение для диода VD 2. Соответственно диод VD 1 становится закрытым, а через диод VD 2 протекает ток цепи: + «b» - VD 2 - - точка «0» - .
В оба полупериода и ток по нагрузке проходит в одном направлении – справа налево, создавая однополярное пульсирующее напряжение - с постоянной составляющей . Последнюю можно вычислить, как среднюю арифметическую величину функции на интервале ее повторяемости .
,
где и - соответственно амплитудное и действующее значение напряжения выходных полуобмоток и трансформатора Т 1.
Достоинством схемы является относительно малое количество диодов – 2, а недостатком – обязательное использование трансформатора, причем с выводом средней точки во вторичной обмотке.
Мостовая схема выпрямителя с диаграммами рабочих напряжений показана на рис. 4 а, б. Она содержит входной согласующий трансформатор Т 1 и четыре диода VD 1- VD 4, соединенных в мостовую ячейку, к одной диагонали которой подсоединена выходная обмотка трансформатора , а к другой нагрузка - .
Выходное напряжение трансформатора в течение первого положительного полупериода с полярностью плюс на верхнем выводе обмотке и минус на нижнем (на рис. 4 а показано без скобок) является открывающим для диодов VD 1 и VD 3 и создает ток по цепи: «плюс» верхнего вывода - VD 1 - - VD 3 – «минус» нижнего вывода .
|
| | а)
| б)
| | Рис. 4.
| Во втором отрицательном полупериоде напряжение имеет противоположную полярность (показано на рис. 4 а в скобках), является открывающим для диодов VD 2, VD 4 и создает ток по цепи «плюс» нижнего вывода - VD 2 - - VD 4 – «минус» верхнего вывода .В оба полупериода ток нагрузки - течет по ней в одном направлении – слева направо, создавая однополярное пульсирующее напряжение - на рис. 4 б с постоянной составляющей . Оно аналогично по характеру изменения выходному напряжению нулевой схемы – рис. 3 б, поэтому имеет тот же уровень постоянной составляющей при условии равенства выходных напряжений трансформаторов этих схем .
Достоинством мостовой схемы выпрямителя является возможность ее работы без трансформатора, если не требуется выполнения функции согласования по уровням входного и выходного напряжения. Недостатком считается использование относительно большого числа диодов – четырех.
Качество выпрямителя принято оценивать коэффициентом пульсаций, представляющим собой отношение амплитуды первой (основной) гармоники выпрямленного напряжения к постоянной составляющей :

Рассмотренные выше выпрямители имеют =0.67. Между тем, для питания электронной аппаратуры требуется выпрямленное напряжение с более низким коэффициентом пульсации .
Для уменьшения пульсации выпрямленного напряжения применяются сглаживающие электрические фильтры. Простейший фильтр состоит из конденсатора, включенного параллельно нагрузке (рис. 5 а), или дросселя, включенного последовательно с нагрузкой (рис. 5 б).
| | а)
|
| б)
| | Рис.5
| При параллельном подключении к нагрузке фильтрующего конденсатора напряжение последнего становится выходным напряжением всего выпрямителя.

| | Рис. 6
| Из приведенного выше анализа работы выпрямителей (рис. 3 а, б и рис. 4 а, б) видно, что они вырабатывают для выходной цепи - пульсирующее положительное напряжение , приведенное на рис. 6 штриховой линией. При включении выпрямителя в момент под действием возрастающего входного напряжения конденсатор начинает заряжаться и его напряжение (показано на рис. 6 сплошной линией) соответственно возрастает, но с определенной инерцией, обусловленной постоянной времени цепи заряда . Здесь - емкость фильтра, а R внутреннее сопротивление выпрямителя, равное сумме сопротивлений всех участков по его цепи постоянного тока: активного сопротивления задействованной выходной обмотки трансформатора – Т 1, сопротивления открытого диода или диодов (для мостовой схемы) и сопротивления соединительных проводов. По отдельности и вместе это относительно малые сопротивления в доли или единицы Ом. В результате постоянная времени заряда конденсатора представляет собой относительно малую величину и его напряжение с малой задержкой «следует» за напряжением выпрямителя . Последнее в момент достижения амплитуды реверсирует направление своего изменения и в момент пересекает сверху вниз более инерционное напряжение конденсатора , далее оставаясь уже меньше его . Их разность теперь является запирающим фактором для диодов выпрямителя. С их закрытием разрывается цепь заряда конденсатора , который дальше разряжается через нагрузку . В обычных выпрямителях сопротивление нагрузки на один - два порядка превышает их внутреннее сопротивление , а значит, также будут соотноситься и постоянные времени заряда и разряда и наклоны этих участков диаграммы напряжения конденсатора - и - 
Первый зарядно-разрядный цикл завершается в момент , когда напряжение выпрямителя во втором своем полупериоде достигает напряжения конденсатора и начинает новый его зарядный интервал 
В целом «пилообразная» диаграмма напряжения конденсатора имеет заметно меньший уровень пульсаций по сравнению с исходной диаграммой выходного напряжения выпрямителя без фильтра . В этом и проявляется сглаживающее действие С - фильтра .
Далее удобно проследить влияние изменения сопротивления нагрузки на фильтрующую способность конденсатора. Так с ростом сопротивления до режима холостого хода соответственно будет увеличиваться и постоянная времени разряда , т.е. участки разряда конденсатора и станут горизонтальными. Тогда напряжение конденсатора возрастая на участках заряда , ,… и не меняясь на участках разряда , ,… через несколько полупериодов входного напряжения достигает его амплитудного значения и далее остается неизменным. В результате конденсатор понизил до нуля уровень (коэффициент) пульсаций выходного напряжения, став идеальным фильтром, и повысил среднее значение выходного напряжения до амплитуды входного сигнала .
При уменьшении сопротивления нагрузки соответственно на участках разряда , ,…. понижается постоянная времени и круче спадает напряжение конденсатора . На участках же заряда , ,….. крутизна нарастания остается практически неизменной. В результате увеличивается коэффициент пульсаций напряжения конденсатора, т.е. ухудшаются его фильтрующие свойства, и понижается среднее значение выходного напряжения . При дальнейшем снижении сопротивления нагрузки, например до малого значения внутреннего сопротивления выпрямителя диаграмма напряжений конденсатора практически вплотную приближается к диаграмме напряжения выпрямителя , т.е. практически полностью исчезает фильтрующая способность конденсатора. Эффективность работы конденсаторного фильтра оценивают коэффициентом сглаживания
,
где и - коэффициенты пульсаций выпрямителя без и с С – фильтром, w - частота пульсаций выходного напряжения выпрямителя.
Дроссельный фильтр на рис. 5 б представляет собой катушку индуктивности со стальным сердечником. Под действием пульсирующего напряжения выпрямителя (штриховая линия на рис. 7) в дросселе возникает такой же по характеру пульсирующий ток , который создаст в стальном сердечнике аналогичный по характеру пульсирующий магнитный поток . Последний, в свою очередь, наводит в обмотке дросселя противо - ЭДС , представленную на рис. 7 штрих - пунктирной линией. Как видно она изменяется во времени противофазно входному напряжению и не имеет постоянной составляющей. По второму закону Кирхгофа выходное напряжение дросселя, показанное сплошной линией на рис. 7, представляет собой алгебраическую сумму входного напряжения и его противо – ЭДС 
.
| | Рис. 7
| В итоге дроссель значительно (на величину своей противо – ЭДС) ослабляет или фильтрует переменную составляющую входного сигнала и практически без ослабления передает на выход его постоянную составляющую .
При изменении нагрузки, например ее понижении до режима холостого хода - , соответственно ток нагрузки и дросселя падает до нуля, не создается магнитный поток и наводимая им противо – ЭДС. Пульсирующее входное напряжение дросселя без ослабления проходит в нагрузку, т.е. полностью исчезает сглаживающее действие L – фильтра.
С уменьшением сопротивления нагрузки пропорционально увеличиваются: ток , создаваемый им в сердечнике дросселя магнитный поток, наводимая им в обмотке противо – ЭДС, а значит и сглаживающее действие L – фильтра. В соответствии с этим коэффициент сглаживания дроссельного фильтра равен
,
где w - частота пульсаций напряжения на входе дросселя .
| | а)
| б)
| | Рис. 8
| Для повышения коэффициента сглаживания часто используются многозвенные фильтры (рис. 8). Тогда их общий коэффициент сглаживания при n последовательно соединенных звеньях равен произведению коэффициентов сглаживания отдельных звеньев 
Date: 2015-07-17; view: 439; Нарушение авторских прав | Понравилась страница? Лайкни для друзей: |
|
|