Главная Случайная страница


Полезное:

Как сделать разговор полезным и приятным Как сделать объемную звезду своими руками Как сделать то, что делать не хочется? Как сделать погремушку Как сделать так чтобы женщины сами знакомились с вами Как сделать идею коммерческой Как сделать хорошую растяжку ног? Как сделать наш разум здоровым? Как сделать, чтобы люди обманывали меньше Вопрос 4. Как сделать так, чтобы вас уважали и ценили? Как сделать лучше себе и другим людям Как сделать свидание интересным?


Категории:

АрхитектураАстрономияБиологияГеографияГеологияИнформатикаИскусствоИсторияКулинарияКультураМаркетингМатематикаМедицинаМенеджментОхрана трудаПравоПроизводствоПсихологияРелигияСоциологияСпортТехникаФизикаФилософияХимияЭкологияЭкономикаЭлектроника






Вопрос 2. Регистры. Микросхема К155ИР11 (рис.11.3) представляет собой восьмиразрядный сдвигающий регистр, предназначенный для записи информации в параллельном или





Микросхема К155ИР11 (рис.11.3) представляет собой восьмиразрядный сдвигающий регистр, предназначенный для записи информации в параллельном или последовательном коде, ее хранения или сдвига влево и вправо. Основу этой микросхемы составляет 8 синхронизируемых триггеров в сочетании с логическими элементами И-НЕ, И-ИЛИ-НЕ и инверторами.

Схема имеет восемь входов D7...D0 параллельной записи, два входа последовательной записи DL - со сдвигом влево и DR - со сдвигом вправо, управляющие входы S0 и S1 для выбора режима работы, тактовый вход С и установочный вход , а также восемь выходов Q7...Q0.

В зависимости от состояний установочного входа и управляющих входов S0 и S1 схема может работать в различных режимах (см. табл.11.2).

 

Таблица 11.2

Режим работы Состояние входов
уст. код режима посл. зап. Такт C
S1 S0 DL DR
Установка в “0” (сброс)   х x х x x
Параллельная запись          
Последовательная запись со сдвигом влево       0/1  
Последовательная запись со сдвигом вправо         0/1
Хранение          

 

Как видно из табл.11.2, параллельная запись информации осуществляется через входы D7...D0 при S0=S1 =1, и ее появление на выходах Q7...Q0 обеспечивается синхронно по положительному фронту тактового импульса.

Примечание: при переключении регистра сдвига в режим «хранение» необходимо кнопку «такт» держать в нажатом состоянии.

Если сигнал подавать на вход DL, то при S1 =1 и S0 =0 каждый тактовый импульс будет осуществлять ее последовательную запись с одновременным сдвигом влево. Как известно, такая операция эквивалентна умножению двоичного числа на два. При S1 =0 и S0 =1 по входу осуществляется последовательная запись со сдвигом вправо, что эквивалентно делению двоичного числа на два.

Естественно, что при отсутствии тактового импульса записанная информация будет храниться в регистре до прихода нового импульса, точнее перепада 0/1. Вместе с тем, режим хранения обеспечивается и при установке S2=S1 =0 как результат запрета на переключение триггеров.

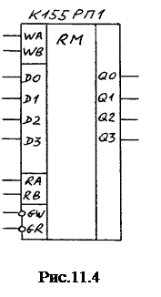
Микросхема К155РП1 (рис.11.4), представляет собой четырехразрядный регистр памяти, предназначенный для записи и хранения информации емкостью 16 бит, и обычно используется в качестве оперативного запоминающего устройства (ОЗУ) или буферного регистра (БР). Основу схемы составляют 16 триггеров DV -типа, управляемых с помощью логических элементов И-НЕ, И-ИЛИ-НЕ. В структурном отношении регистровая память состоит из матрицы 4х4 элемента, коммутируемой с помощью входного дешифратора и 4 выходных мультиплексоров.

Схема имеет четыре информационных входа D3...D0, по два адресных входа записи WB, WA и считывания RB, RA соответственно, раздельные стробирующие входы и , а также четыре выхода Q3...Q0.

Если на вход подать стробирующий импульс =0, то, в зависимости от выбранного кода адреса 00...11 на входах WB и WA, производится одновременная запись информации со входов D3...D0 только в четыре "вертикальные" ячейки матрицы, соответственно от №№ 1,5,9,11 до №№ 4,8,12,16. При этом каждый триггер в своей ячейке может переключиться при условии V =1, которое выполняется только при определенной комбинации сигналов на адресных входах.

Считывание записанной информации из соответствующих "верти-кальных" ячеек производится при условии установки необходимого адреса и разрешается стробом =0. Поскольку выходные логические элементы этой микросхемы выполняются с открытым коллектором, то возможно наращивание емкости памяти при объединении выходов с помощью “Монтажного ИЛИ”.

При считывании информации из ячеек памяти не происходит ее разрушения, даже при многократном обращении к памяти.

 

Контрольные вопросы

 

1. Поясните смысл используемых в работе терминов: операнд, слово данных, аккумулятор, запись в память, код операции и т.д.

2.Объясните назначение и перечислите функциональные возможности каждой из исследуемых микросхем.

3. Какие основные задачи выполняют регистры и АЛУ в микропроцессорных системах?

4. Чем отличается дополнительный код от прямого и инверсного?

5. С какой целью в микропроцессорах предусматриваются операции инкремента и декремента?

6. Для каких целей в АЛУ предусматриваются выводы образования и распространения переноса? Какая информация появляется на выходе сравнения АЛУ?


7. Каким образом и с какой целью используется проверка содержимого АЛУ на нуль?

8. Предложите методику и способ вычисления задач типа F=2(A+B); F=A+B+1 (или других по заданию преподавателя).

9. Предложите схемную реализацию устройства для сравнения двух операндов, если А=const, а B=var.

10. Выделите на принципиальных электрических схемах АЛУ и регистров шины данных, адреса и управления. Дайте необходимые пояснения.

11. Почему аккумуляторы многих микропроцессоров выполняются двойной длины?

12. Какое минимальное число разрядов должен иметь аккумулятор у четырехразрядного микропроцессора?








Date: 2015-05-22; view: 869; Нарушение авторских прав



mydocx.ru - 2015-2026 year. (0.963 sec.) Все материалы представленные на сайте исключительно с целью ознакомления читателями и не преследуют коммерческих целей или нарушение авторских прав - Пожаловаться на публикацию