Главная Случайная страница


Полезное:

Как сделать разговор полезным и приятным Как сделать объемную звезду своими руками Как сделать то, что делать не хочется? Как сделать погремушку Как сделать так чтобы женщины сами знакомились с вами Как сделать идею коммерческой Как сделать хорошую растяжку ног? Как сделать наш разум здоровым? Как сделать, чтобы люди обманывали меньше Вопрос 4. Как сделать так, чтобы вас уважали и ценили? Как сделать лучше себе и другим людям Как сделать свидание интересным?


Категории:

АрхитектураАстрономияБиологияГеографияГеологияИнформатикаИскусствоИсторияКулинарияКультураМаркетингМатематикаМедицинаМенеджментОхрана трудаПравоПроизводствоПсихологияРелигияСоциологияСпортТехникаФизикаФилософияХимияЭкологияЭкономикаЭлектроника






Вопрос 3. Вычитатель-усилитель и сумматоры





Вычитатель-усилитель (рис.8.6) предназначен для усиления разностных сигналов. Если R 1= R 2 и R о.с= R, то Uвых=(Uвх2-Uвх1) .

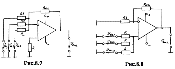
Сумматоры. Схемы инвертирующего и неинвертирующего сумматоров приведены на рис.8.7, 8.8. Для инвертирующего сумматора выходное напряжение определяется по формуле

.

При равенстве входных сопротивлений R 1= R 2= R

Uвых=- (Uвх.1+Uвх.2+...+Uвх.n) - для инвертирующего сумматора;

- для неинвертирующего сумматора.

В схеме сумматоров переменным параметром является сопротивление обратной связи R о.с, которое и определяет коэффициент усиления. Формулы

 
 

приведены для постоянных величин (числовой сумматор) Uвх.1, Uвх.2 и т.д. В работе исследуется также инвертирующий геометрический сумматор, для которого складываются мгновенные значения Uвх.1 и Uвх.2.

 







Date: 2015-05-22; view: 561; Нарушение авторских прав



mydocx.ru - 2015-2026 year. (0.581 sec.) Все материалы представленные на сайте исключительно с целью ознакомления читателями и не преследуют коммерческих целей или нарушение авторских прав - Пожаловаться на публикацию