Главная Случайная страница


Полезное:

Как сделать разговор полезным и приятным Как сделать объемную звезду своими руками Как сделать то, что делать не хочется? Как сделать погремушку Как сделать так чтобы женщины сами знакомились с вами Как сделать идею коммерческой Как сделать хорошую растяжку ног? Как сделать наш разум здоровым? Как сделать, чтобы люди обманывали меньше Вопрос 4. Как сделать так, чтобы вас уважали и ценили? Как сделать лучше себе и другим людям Как сделать свидание интересным?


Категории:

АрхитектураАстрономияБиологияГеографияГеологияИнформатикаИскусствоИсторияКулинарияКультураМаркетингМатематикаМедицинаМенеджментОхрана трудаПравоПроизводствоПсихологияРелигияСоциологияСпортТехникаФизикаФилософияХимияЭкологияЭкономикаЭлектроника






Задание. 1. Собрать схему лабораторной установки





1. Собрать схему лабораторной установки.

2. Снять семейство статических характеристик транзистора.

Предварительная подготовка

1. Изучить устройство и принцип действия биполярного транзистора.

2. Начертить схему установки и таблицу для снятия характеристик.

Работа в лаборатории

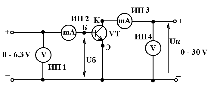
1. Собрать схему лабораторной установки для снятия статических характеристик транзистора (рис. 2.8).

2. Установите на блоке питания переключатель «0–30 V», «0–6,3 V» в положение «–».

3. Подключите схему к клеммам питания «- 0–30 V» и «- 0–6,3 V» штатива приборного.

Рис. 2.8. Схема лабораторной установки: ИП1 – вольтметр постоянного тока 3 V; ИП2 – миллиамперметр постоянного тока 10 mА; ИПЗ – миллиамперметр постоянного тока 300 mА; ИП4 – вольтметр постоянного тока 15 V; VТ – транзистор КТ801В.

4. Изменяя напряжение базы Uб от 0 до 1V, измерьте по прибору ИП2 ток базы Iб для двух фиксированных значений коллекторного напряжения: Uк = 0; Uк = 6V.

5. Изменяя коллекторное напряжение Uк от 0 до 10 V, измерьте по прибору ИПЗ коллекторный ток Iк для двух фиксированных значений тока базы:

Iб = 2 мА; Iб = 4мА.

6. Показания приборов свести в таблицы 2.2, 2.3.

 

Таблица 2.1

Uкэ = 0В
Uбэ, Вт 0,1 0,2 0,3 0,4 0,6 0,8  
Iб, мкА              
Uкэ = 6В
Uбэ, mВ              
Iб, mкА              

Таблица 2.2

Uкэ, В Iб, мА
   
Iк, мА
     

7. По данным измерений постройте графики зависимости:

Iб = f(Uб) при UK = const,

Iк = f (Uк) при Iб = const.

8. Для заданной преподавателем рабочей точки определить выходное сопротивление транзистора.

Содержание отчета

1. Перечень и номинальные данные используемой аппаратуры.

2. Схема лабораторной установки.

3. Входные и выходные характеристики исследованного транзистора.

4. Экспериментальное определение характеристики исследованного транзистора.

5. Экспериментальное определение параметров транзистора в рабочей точке.

6. Выводы.

Контрольные вопросы

1. Объяснить принцип действия транзистора.

2. Привести возможные схемы включения транзистора.

3. Как определить параметры транзистора с помощью входных и выходных характеристик?







Date: 2015-05-22; view: 669; Нарушение авторских прав



mydocx.ru - 2015-2026 year. (0.546 sec.) Все материалы представленные на сайте исключительно с целью ознакомления читателями и не преследуют коммерческих целей или нарушение авторских прав - Пожаловаться на публикацию