Главная Случайная страница


Полезное:

Как сделать разговор полезным и приятным Как сделать объемную звезду своими руками Как сделать то, что делать не хочется? Как сделать погремушку Как сделать так чтобы женщины сами знакомились с вами Как сделать идею коммерческой Как сделать хорошую растяжку ног? Как сделать наш разум здоровым? Как сделать, чтобы люди обманывали меньше Вопрос 4. Как сделать так, чтобы вас уважали и ценили? Как сделать лучше себе и другим людям Как сделать свидание интересным?


Категории:

АрхитектураАстрономияБиологияГеографияГеологияИнформатикаИскусствоИсторияКулинарияКультураМаркетингМатематикаМедицинаМенеджментОхрана трудаПравоПроизводствоПсихологияРелигияСоциологияСпортТехникаФизикаФилософияХимияЭкологияЭкономикаЭлектроника






Расчет электрической цепи постоянного тока





МИНИСТЕРСТВО ОБРАЗОВАНИЯ И НАУКИ РОССИЙСКОЙ ФЕДИРАЦИИ

Учреждение Федеральное государственное бюджетное образовательное высшего профессионального образования

САНКТ-ПЕТЕРБУЖСКИЙ ГОСУДАРСТВЕННЫЙ УНИВЕРСИТЕТ АЭРОКОСМИЧЕСКОГО ПРИБОРОСТРОЕНИЯ

 

Курсовой проект

Защищен с оценкой

Руководитель__________________

(Должность)

 

 

________________ _______________ Ефимов А.А.

Уч. Звание, степень Подпись, дата Инициалы и фамилия

 

 

ПОЯСНИТЕЛЬНАЯ ЗАПИСКА

К КУРСОВОМУ ПРОЕКТУ

По дисциплине «Теоретические основы электротехнике»

Вариант №9

Проект выполнил

 

Студент группы 3217 КС ___________ Шуйгин И.Н.

Санкт-Петербург

Год

Содержание

Введение  
1. Исходные данные  
2. Расчет электрической цепи постоянного тока  
3. Расчет электрической цепи переменного тока  
4. Расчет электрической цепи классическим методом  
5. Приложение А. Графическое изображение токов и напряжений  
6. Приложение В. Векторная диаграмма  
Вывод  
Список литературы.  

 

 

Введение

Курсовая работа является заключительным этапом в обучении студентов. Курсовая работа охватывает основные разделы анализа линейных и нелинейных цепей.

В процессе выполнения курсовой работы каждый студент получает возможность комплексно применить методы анализа цепей в различных стационарных и нестационарных режимах, закрепить и углубить навыки самостоятельной работы и основы системного мышления в области теории цепей с целью их дальнейшего успешного использования при изучении специальных дисциплин электротехнического профиля.

 


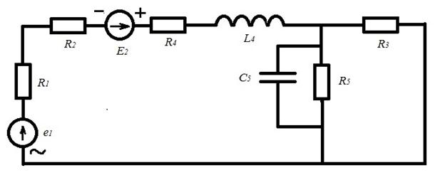
1. Исходные данные

R1= 8 (Ом); w = 628 1/c; y = -60 Град.

 

R2= 10 (Ом); Еm=60 В

 

R3= 5 (Ом); k = 10

 

R4= 10 (Ом); L4 = 0,05 Гн

 

R5= 30 (Ом); С5 = 20 мкФ

 

 

Расчет электрической цепи постоянного тока

 
 


1 R34 = = = 3,3 (Ом)

2 R34,5 =R5 + R3,4=30+3,3=33,3 (Ом)

3 R1,345 = = (Oм)

4 R0 = R2 + R1345 = 16,5 (Ом)

5 I24 = = (A)

6 I5 = I24 * =0,13 (A)

7 I3 = I24 * = 0,38* =0,25 (A)

 

Проверка методом баланса мощностей:

 

8 P = Е2 * I24 = 30 * 0,38 = 11,4 (Вт.)

 

9 P = R124*I224 + R3*I23 +R5*I25 =11,4 (Вт.)

 

 







Date: 2015-04-19; view: 908; Нарушение авторских прав



mydocx.ru - 2015-2026 year. (0.674 sec.) Все материалы представленные на сайте исключительно с целью ознакомления читателями и не преследуют коммерческих целей или нарушение авторских прав - Пожаловаться на публикацию