Главная Случайная страница


Полезное:

Как сделать разговор полезным и приятным Как сделать объемную звезду своими руками Как сделать то, что делать не хочется? Как сделать погремушку Как сделать так чтобы женщины сами знакомились с вами Как сделать идею коммерческой Как сделать хорошую растяжку ног? Как сделать наш разум здоровым? Как сделать, чтобы люди обманывали меньше Вопрос 4. Как сделать так, чтобы вас уважали и ценили? Как сделать лучше себе и другим людям Как сделать свидание интересным?


Категории:

АрхитектураАстрономияБиологияГеографияГеологияИнформатикаИскусствоИсторияКулинарияКультураМаркетингМатематикаМедицинаМенеджментОхрана трудаПравоПроизводствоПсихологияРелигияСоциологияСпортТехникаФизикаФилософияХимияЭкологияЭкономикаЭлектроника






Введение. Цель работы. Снятие вольт-амперной характеристики фотоэлемента и исследование зависимости возникающего в фотоэлементе фототока от потока излучения





ИЗУЧЕНИЕ РАБОТЫ ФОТОЭЛЕМЕНТА С ВНЕШНИМ ФОТОЭФФЕКТОМ

 

Цель работы. Снятие вольт-амперной характеристики фотоэлемента и исследование зависимости возникающего в фотоэлементе фототока от потока излучения, падающего на чувствительную поверхность фотоэлемента.

Приборы и принадлежности. Фотоэлемент, микроамперметр, лампа накаливания, оптическая скамья с держателями для фотоэлемента и лампы, выпрямитель, потенциометр, вольтметр, соединительные провода, светофильтры.

 

Введение

Воздействие света на вещество состоит в сообщении веществу энергии, приносимой световой волной. Одним из проявлений воздействия света на вещество является внешний фотоэффект— испускание электронов веществом под действием света.

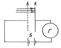
Явление фотоэффекта было открыто Герцем в 1887 г., а затем подробно изучено А. Г. Столетовым (1888 г.). Схема опыта А. Г. Столетова представлена на рис. 1. Поток света падает на конденсатор, состоящий из двух пластин. Одна представляет собой металлическую сетку (А), через которую свет может свободно попадать на вторую пластину, являющуюся катодом (К). Б — батарея, с помощью которой создается поле между пластинами конденсатора. А. Г. Столетов установил, что при освещении светом от электрической дуги пластина К теряет свой заряд; при этом гальванометр Г показывает наличие тока. Позднее было установлено, что пластина К. испускает электроны. Используемая в опытах Столетова схема представляет собой простейший фотоэлемент с внешним фотоэффектом. Пластина К носит название фотокатода, а пластина А — фотоанода. Испускаемые фотокатодом электроны называют фотоэлектронами, а возникающий электрический ток — фототоком.

 

Рис. 1.

 

 

Рис. 2.

 

На рис. 2 показана вольт-амперная характеристика фотоэлемента, т. е. зависимость силы фототока I от разности потенциалов φ1 – φ2 = UA между фотокатодом и фотоанодом при Ф = const, где Ф — поток излучения.

Из рис. 2 следует, что с увеличением разности потенциалов UA, называемой анодным напряжением, фототок растет, а затем достигает насыщения. Насыщение наступает при таком значении UA, когда все электроны, испускаемые фотокатодом за единицу времени, достигают анода. Сила фототока насыщения

Iн=e·n, (1)

где е — заряд электрона, n — число электронов, попадающих
на анод за единицу времени.

Законы внешнего фотоэффекта. Приведем три основных
закона фотоэффекта.

I. При постоянном спектральном составе потока излучения
фототок насыщения пропорционален потоку излучения:

Iн = γ·Ф, (2)

γ - называют интегральной чувствительностью фотокатода.

Зависимость (2) называется люкс-амперной характеристикой фотоэлемента, график ее представлен на рис. 3. Закон был
впервые сформулирован А. Г. Столетовым. Следует отметить,
что закон Столетова строго выполняется лишь для вакуумных
фотоэлементов.

 

Рис. 4.
Рис. 3.
к)max
Закон Столетова можно объяснить, используя квантовую теорию света. Опираясь на гипотезу Планка, Эйнштейн предположил, что свет не только испускается, но и поглощается, в виде отдельных порций электромагнитного излучения, квантов энергии электромагнитного поля, получивших название фотонов.

Энергия фотона , где

h = 6,62-10-34 Дж · с — постоянная Планка,

— частота излучения.

II. Максимальная кинетическая энергия фотоэлектронов
линейно возрастает с увеличением частоты падающего моно-
хроматического света.

Рассмотрим подробнее вольт-амперную характеристику
фотоэлемента. Из рис. 2 следует, что при UA = 0 сила фототока . Это означает, что электроны, вырванные светом из катода, имеют некоторую скорость, а, следовательно, и кинетическую энергию , и могут достигнуть анода в отсутствие внешнего электрического поля. Чтобы прекратить фототок, т. е. сделать его равным нулю, необходимо приложить задерживающее напряжение U3,, при котором даже самые быстрые фотоэлектроны не достигнут анода, т. к. будут задержаны электрическим полем, т. е.

(Eк)max = (m·v2max)/2 = e · UЗ (3)

Здесь m - масса электрона,
е — заряд электрона,
U3— задерживающее напряжение.

Меняя частоту падающего монохроматического света, можно найти зависимость f(ν)

Экспериментальные исследования показали, что эта зависимость является линейной:

(Eк)max = (m·v2max)/2 = а · ν - b (4)

где а — константа, b — зависит от материала катода.

График зависимости (4) показан на рис. 4 и свидетельствует о том, что с увеличением частоты падающего монохроматического света максимальная кинетическая энергия фото-
электронов возрастает. Линейный характер зависимости был
объяснен Эйнштейном на основе квантовых представлений о
природе света.


При падении фотонов на поверхность металла происходит взаимодействие фотонов и атомов. Согласно однофотонной теории фотоэффекта, атом получает энергию только одного фотона. Эта энергия расходуется на работу выхода электрона из металла и сообщения ему кинетической энергии.

В соответствии с законом сохранения энергии максимальная кинетическая энергия фотоэлектрона равна

(Eк)max = (m·v2max)/2 = h · ν - А (5)

Здесь А — есть работа выхода электрона из металла, равная той наименьшей энергии, которую необходимо сообщить
электрону (атому) для того, чтобы удалить его из твердого или жидкого вещества в вакуум в состояние с кинетической энергией равной нулю.

Выражение (5) носит название уравнения Эйнштейна для
внешнего фотоэффекта.

Сопоставление уравнений (4) и (5) позволяет сделать вы-
вод, что а = h, b = А, что объясняет результаты эксперимента.

III. Для каждого вещества существует красная граница
фотоэффекта, т. е. минимальная частота света v0, при которой
еще возможен внешний фотоэффект. Величина v0 зависит от
химической природы вещества и состояния его поверхности.

При облучении вещества светом, длина волны которого λ > λ0 (или частота ν ν0), фотоэффект не наблюдается (см. рис. 4). Из рис. 4 следует, что (Ек)mах = 0 при ν = ν0, следовательно согласно (5) имеем:

h · ν0 = А ν0 . (6)

Следует отметить, что при обычных интенсивностях света
при взаимодействии света с веществом в элементарном акте
поглощается один фотон. При больших интенсивностях, на-
пример в световых пучках, генерируемых лазерами, в элементарном акте взаимодействия могут поглощаться несколько
фотонов. Такое поглощение называется многофотонным
(см. 3).

Формула Эйнштейна в этом случае записывается следующим образом:

N · h · ν = (m·v2max)/2 + А.

Соответственно красная граница смещается в сторону более длинных волн (λ0 увеличивается в N раз), а формула (2), отражающая зависимость тока насыщения от потока излучения для многофотонных процессов приобретает вид:

Фотоэлементы. Устройство фотоэлементов.

Фотоэлементами называются устройства, в которых световая энергия преобразуется в электрическую. На внешнем фотоэффекте основано устройство фотоэлементов, широко при-
меняемых в разных областях техники. Фотоэлементы бывают
вакуумные и газонаполненные.

Вакуумный фотоэлемент (рис. 5) представляет собой стеклянный или кварцевый баллон, на внутреннюю стенку которого нанесен слой К светочувствительного щелочного металла. Этот слой К имеет контакт с проводником, выведенным из баллона. В середине баллона расположено кольцо А, имеющее контакт с другим проводником, выведенным из баллона. Кольцо А соединяется с положительным полюсом батареи (фотоанод), слой К —с отрицательным полюсом батареи (фотокатод). Электрическое поле направляет к фотоаноду фотоэлектроны, испускаемые фотокатодом при его освещении, создавая ток в цепи.

У вакуумных фотоэлементов, начиная с некоторого значения анодного напряжения, прекращается дальнейший рост тока, наступает состояние насыщения.


Газонаполненный фотоэлемент отличается от вакуумного тем, что он наполнен каким-либо инертным газом (Не, Ne, Ar). Эти фотоэлементы обладают большей чувствительностью, чем вакуумные, и ток насыщения в них отсутствует.

 

Описание установки и содержание работы.

В работе исследуются следующие основные характеристики фотоэлемента с внешним фотоэффектом.

1. Зависимость силы фототока от анодного напряжения
при постоянной освещенности (вольт-амперная характеристика фотоэлемента):

при ,

где .

2. Зависимость фототока от освещенности при постоянном анодном напряжении (люкс-амперная характеристика)

I н ~ 1 /r2 при UA = const.

Величина фототока прямо пропорциональна освещенности;
в свою очередь, освещенность обратно пропорциональна квадрату расстояния r от источника света при нормальном падении светового пучка на фотокатод. Поэтому

I н ~ 1 /r2.

Исследование производится при помощи установки, состоя-
щей из оптической скамьи, на которой расположен исследуемый фотоэлемент и электрическая лампочка. На рис. 6 показана принципиальная схема установки. Здесь Ф — исследуемый вакуумный фотоэлемент; ВУП-2 — выпрямитель универсальный полупроводниковый для питания анодной цепи; V
вольтметр для измерения величины анодного напряжения:
μ А — микроамперметр; Л — осветительная лампа.







Date: 2015-05-19; view: 762; Нарушение авторских прав



mydocx.ru - 2015-2026 year. (0.187 sec.) Все материалы представленные на сайте исключительно с целью ознакомления читателями и не преследуют коммерческих целей или нарушение авторских прав - Пожаловаться на публикацию