Главная Случайная страница


Полезное:

Как сделать разговор полезным и приятным Как сделать объемную звезду своими руками Как сделать то, что делать не хочется? Как сделать погремушку Как сделать так чтобы женщины сами знакомились с вами Как сделать идею коммерческой Как сделать хорошую растяжку ног? Как сделать наш разум здоровым? Как сделать, чтобы люди обманывали меньше Вопрос 4. Как сделать так, чтобы вас уважали и ценили? Как сделать лучше себе и другим людям Как сделать свидание интересным?


Категории:

АрхитектураАстрономияБиологияГеографияГеологияИнформатикаИскусствоИсторияКулинарияКультураМаркетингМатематикаМедицинаМенеджментОхрана трудаПравоПроизводствоПсихологияРелигияСоциологияСпортТехникаФизикаФилософияХимияЭкологияЭкономикаЭлектроника






Описание принципиальной схемы электромагнитного пистолета





В п.2.1. на рисунках 1-3 приведены те электрические схемы, которые я взял за основу при сборке электромагнитной пушки. Некоторые из схем, приведенных для примера в Интернете, оказались слишком простыми, другие не предусматривали, что в сети течет переменный ток, другие наоборот были слишком сложные и имели местами не слишком важные, но очень редкие и дорогие детали. Я взял самое основное из всех приведенных схем и максимально, насколько это возможно упростил конструкцию.

Некоторые приведенные в Интернете схемы предлагают использовать в качестве преобразователя напряжения микросхемы, используемые в одноразовых фотоаппаратах для заряда конденсатора, естественно придется приобрести не одну, а несколько таких схем и это с учетом того, что в настоящее время трудно найти одноразовые фотоаппараты. В качестве небольшой доработки к своей схеме я предлагаю использовать для заряда конденсаторов от батарейки куда более распространенные автомобильные преобразователи напряжения 12-220 В, конструкция получится более массивная, но все же переносная. Так же я внес небольшие изменения и в намотку катушки. По советам из литературы и Интернета катушка должна наматываться ровно виток к витку, и каждый слой должен быть заизолирован. Для намотки своей катушки я использовал эмалированную медную проволоку, которую я наматывал на катушку беспорядочно и без изоляции между слоями, что значительно ускорило и упростило сам процесс намотки и при этом не снизило эффективность работы.

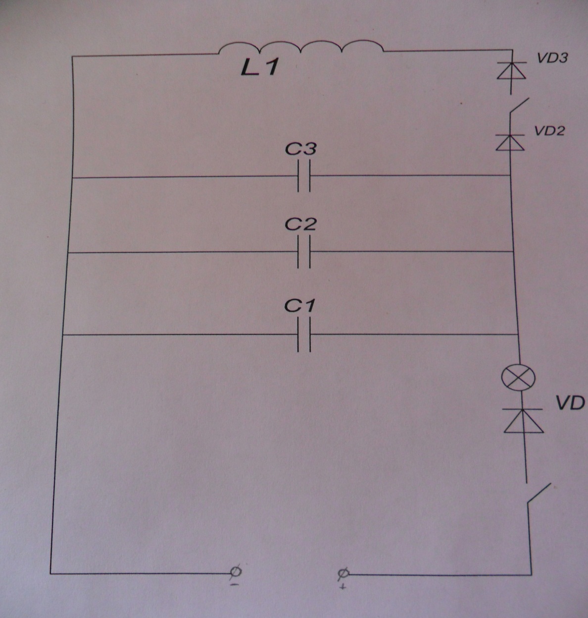
Схема электромагнитного ускорителя масс, собранного мной, получилась достаточно простой (см. рис. 6).

 

Рис.6. Схема собранного электромагнитного ускорителя масс.

 

Пушка работает только от постоянного тока, т.к. при переменном токе его направление и сила могут измениться, что помешает стабильной работе пушки. Для выпрямления сетевого тока служит установленный перед лампой-индикатором диод. Лампочка является индикатором заряда конденсаторов: чем больший заряд накапливается в конденсаторах, тем тусклее она светит. Кроме того, лампочка - почти идеальный резистор для сопротивления зарядке, и чем больше мощность, на которую она рассчитана, тем меньше время зарядки. Я использовал лампу на 60Вт. Для сборки я использовал также 3 конденсатора, емкостью 400 микрофарад каждый, которые я соединил параллельно. Расчет емкости конденсаторов производил опытным путем.

Тумблер, разряжающий батарею конденсаторов, заключен между двумя импульсными диодами, которые, во-первых, снижают нагрузку на него, а, во-вторых, выполняют роль коммутирующих элементов, т.е. элементов, препятствующих резкому изменению направления тока в первый момент после импульса.

Для намотки катушки я использовал медную проволоку диаметром 1мм. Теоретически, повысить дальность выстрела можно, заменив медную проволоку на алюминиевую, т.к. алюминий имеет большее сопротивление, конденсаторы разряжаются на катушку более плавно, и тем самым достигается больший эффект.

 

Мощность лампочки прямо пропорциональна времени заряда конденсаторов. Минус от конденсаторов напрямую соединен с соленоидом (катушкой индуктивности с полым сердечником), плюс от конденсаторов соединен с тумблером, который в свою очередь соединен с другим контактом катушки, при замыкании тумблера в катушке появляется мощное электрическое поле, создаваемое в результате разрядки конденсаторов. Электроэнергия тока переходит в энергию магнитного поля, которая в свою очередь переходит в кинетическую энергию снаряда. При размыкании тумблера ток из конденсаторов перестает поступать на катушку, и конденсаторы снова накапливают заряд.

На рис. 7 – фотография собранного электромагнитного ускорителя масс.

 

Рис. 7. Внешний вид собранной электромагнитной пушки.







Date: 2015-05-18; view: 1205; Нарушение авторских прав



mydocx.ru - 2015-2026 year. (1.493 sec.) Все материалы представленные на сайте исключительно с целью ознакомления читателями и не преследуют коммерческих целей или нарушение авторских прав - Пожаловаться на публикацию