Главная Случайная страница


Полезное:

Как сделать разговор полезным и приятным Как сделать объемную звезду своими руками Как сделать то, что делать не хочется? Как сделать погремушку Как сделать так чтобы женщины сами знакомились с вами Как сделать идею коммерческой Как сделать хорошую растяжку ног? Как сделать наш разум здоровым? Как сделать, чтобы люди обманывали меньше Вопрос 4. Как сделать так, чтобы вас уважали и ценили? Как сделать лучше себе и другим людям Как сделать свидание интересным?


Категории:

АрхитектураАстрономияБиологияГеографияГеологияИнформатикаИскусствоИсторияКулинарияКультураМаркетингМатематикаМедицинаМенеджментОхрана трудаПравоПроизводствоПсихологияРелигияСоциологияСпортТехникаФизикаФилософияХимияЭкологияЭкономикаЭлектроника






Разработка принципиальной схемы электромагнитного ускорителя масс





2.1. Принципиальные схемы электромагнитных пушек различных конструкций

Электромагнитный способ приведения тела в движение был предложен еще в начале 19 столетия, но отсутствие надлежащих средств накапливания электрической энергии мешало его реализации. Последние разработки привели к значительному прогрессу в накоплении электрической энергии, и, таким образом, значительно возросла осуществимость систем вооружения с электромагнитными пушками.

В настоящее время все электромагнитные пушки по принципу действия и конструктивным особенностям можно разделить на три группы:

1. пушка Гаусса

2. индукционный ускоритель масс (катушка Томпсона)

3. рельсовый ускоритель масс

Принцип действия магнитного ускорителя масс или “гаусс - гана ” (от англ. Gauss gun - пушка Гаусса - по имени ученого и математика Гаусса, в честь имени которого названы единицы измерения магнитного поля. 10000Гс = 1Тл) можно описать так. В цилиндрической обмотке (соленоиде) при протекании через нее электрического тока возникает магнитное поле. Это магнитное поле начинает втягивать внутрь соленоида железный снаряд, который от этого начинает разгоняться. Если в тот момент, когда снаряд окажется в середине обмотки ток в последней отключить, то втягивающее магнитное поле исчезнет и снаряд, набравший скорость, свободно вылетит через другой конец обмотки. Чем сильнее магнитное поле и чем быстрее оно отключается – тем сильнее вылетает снаряд. На практике конструкция простейшего гаусс - гана представляет собой намотанную в несколько слоев на диэлектрическую трубку медную проволоку и конденсатор большой емкости. Внутрь трубки перед самым началом обмотки устанавливается железный снаряд (часто гвоздь со спиленной шляпкой) и предварительно заряженный конденсатор при помощи электрического ключа замыкается на обмотку. Параметры обмотки, снаряда и конденсаторов должны быть согласованы таким образом, чтобы при выстреле к моменту подлета снаряда к середине обмотки ток в последней уже успевал бы уменьшится до минимального значения, т.е. заряд конденсаторов был бы уже полностью израсходован. В таком случае КПД одноступенчатого МУ будет максимальным.

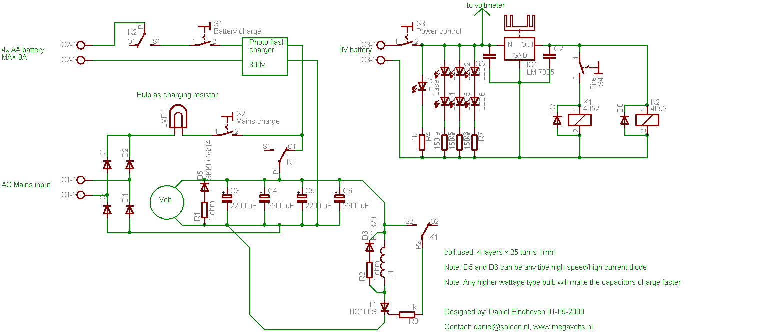
На рисунках 1-3 представлены принципиальные электрические схемы пушки Гаусса.

 

 

Рис. 1-3. Принципиальная электрическая схема пушки Гаусса

На рисунке 4 представлена фотография изготовленного промышленным способом электромагнитного ускорителя масс.

Рис. 4 Фотография электромагнитного ускорителя масс

 

Помимо “гаусс ганов”, существует ещё как минимум 2 типа ускорителей масс – индукционные ускорители масс (катушка Томпсона) и рельсовые ускорители масс, так же известные как “рэйл ганы” (от англ. “Rail gun” – рельсовая пушка).

В основу функционирования индукционного ускорителя масс положен принцип электромагнитной индукции. В плоской обмотке создается быстро нарастающий электрический ток, который вызывает в пространстве вокруг переменное магнитное поле. В обмотку вставлен ферритовый сердечник, на свободный конец которого надето кольцо из проводящего материала. Под действием переменного магнитного потока, пронизывающего кольцо в нём возникает электрический ток, создающий магнитное поле противоположной направленности относительно поля обмотки. Своим полем кольцо начинает отталкиваться от поля обмотки и ускоряется, слетая со свободного конца ферритового стержня. Чем короче и сильнее импульс тока в обмотке, тем мощнее вылетает кольцо.

Рис.5. Принцип работы электромагнитной пушки катушечного типа:







Date: 2015-05-18; view: 2087; Нарушение авторских прав



mydocx.ru - 2015-2026 year. (1.585 sec.) Все материалы представленные на сайте исключительно с целью ознакомления читателями и не преследуют коммерческих целей или нарушение авторских прав - Пожаловаться на публикацию