Главная Случайная страница


Полезное:

Как сделать разговор полезным и приятным Как сделать объемную звезду своими руками Как сделать то, что делать не хочется? Как сделать погремушку Как сделать так чтобы женщины сами знакомились с вами Как сделать идею коммерческой Как сделать хорошую растяжку ног? Как сделать наш разум здоровым? Как сделать, чтобы люди обманывали меньше Вопрос 4. Как сделать так, чтобы вас уважали и ценили? Как сделать лучше себе и другим людям Как сделать свидание интересным?


Категории:

АрхитектураАстрономияБиологияГеографияГеологияИнформатикаИскусствоИсторияКулинарияКультураМаркетингМатематикаМедицинаМенеджментОхрана трудаПравоПроизводствоПсихологияРелигияСоциологияСпортТехникаФизикаФилософияХимияЭкологияЭкономикаЭлектроника






Исследование явления фотопроводимости





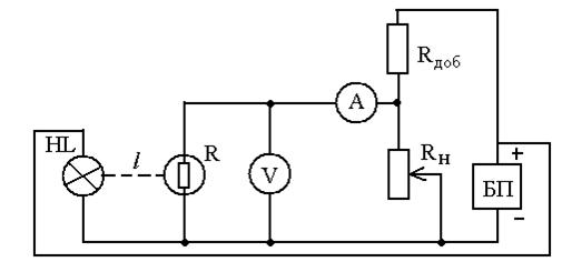
1 Установить переключатель B1 в положение 2, электрическая схема установки будет соответствовать рисунку 2.11.

 

Рисунок 2.11

2 Снять темновую вольт-амперную характеристику фотосопротивления, для чего отключить одну из клемм лампы накаливания и изменяя напряжение на фотосопротивлении фиксировать значение силы тока. Напряжение на фотосопротивлении задается с помощью делителя, состоящего из Rдоб и RН, для этого следует изменять RН от 0 до 500 Ом, через каждые 50 Ом. Значения напряжения и силы тока занести в таблицу 2.

3 Подключить лампочку, задать расстояние от лампы до фотосопротивления в соответствии с выбранным вариантом, изменяя напряжение, подаваемое на фоторезистор, снимать значение силы тока через освещенный фоторезистор Iс. Результаты записать в таблицу 2.

4 Построить графики зависимости темнового тока и фототока от напряжения:

, .

Таблица 2- ВАХ фоторезистора

U, B          
Iт, мкА          
Ic, мкА          
Iф, мкА          

 

5 При постоянном напряжении U, заданном преподавателем, для различных освещенностей измерить значения токов. Результаты измерений занести в таблицу 3.

 

Таблица 3- Световая характеристика фоторезистора

Расстояние , м          
Ic, мкА          
Iф, мкА          
Ф, лм          

 

6 Построить график зависимости фототока от светового потока.

7 Определить интегральную чувствительность фотоэлемента при максимальной освещенности, рассчитать кратность изменения сопротивления по формуле:

. (2.12)

 







Date: 2015-05-18; view: 845; Нарушение авторских прав



mydocx.ru - 2015-2026 year. (1.211 sec.) Все материалы представленные на сайте исключительно с целью ознакомления читателями и не преследуют коммерческих целей или нарушение авторских прав - Пожаловаться на публикацию