Главная Случайная страница


Полезное:

Как сделать разговор полезным и приятным Как сделать объемную звезду своими руками Как сделать то, что делать не хочется? Как сделать погремушку Как сделать так чтобы женщины сами знакомились с вами Как сделать идею коммерческой Как сделать хорошую растяжку ног? Как сделать наш разум здоровым? Как сделать, чтобы люди обманывали меньше Вопрос 4. Как сделать так, чтобы вас уважали и ценили? Как сделать лучше себе и другим людям Как сделать свидание интересным?


Категории:

АрхитектураАстрономияБиологияГеографияГеологияИнформатикаИскусствоИсторияКулинарияКультураМаркетингМатематикаМедицинаМенеджментОхрана трудаПравоПроизводствоПсихологияРелигияСоциологияСпортТехникаФизикаФилософияХимияЭкологияЭкономикаЭлектроника






Для анализа и расчета нелиненых электрических цепей используют





+

метод нагрузочной характеристики

Статическое сопротивление нелинейного элемента в точке А определяется выражением...

+

 

 

##theme 6

##score 1

##type 1

##time 0:00:00

Статическое сопротивление нелинейного элемента в точке А определяется выражением...

+

Статическое сопротивление нелинейного элемента в точках А и В равно...

+

 

 

При заданном соединении линейного и нелинейного элемента справедливо выражение...

+

 

Результирующая вольт-амперная характеристика при последовательном соединении нелинейных элементов НЭ1 и НЭ2 может быть представлена графической зависимостью...

+

1

 

 

Нелинейный элемент с заданной ВАХ включен в электрическую цепьпри Е = 24 В и RH = 2 кОм. Режим работы цепи

+

рабочей точкой C

 

 

Напряжение на нелинейном элементе цепи определяется выражением...

+

 

 

Из представленных вольт-амперных характеристик к нелинейным симметричным относятся...

+

№ 2, № 4

 

 

##theme 7

##score 1

##type 1

##time 0:00:00

Частота однофазного синусоидального тока, представленного выражением составляет...

+

100 Гц

 

Действующее значения напряжения, представленного выражением равно...

+

100 В

 

Среднее значения тока, представленного выражением составляет...

+

200 mA

 

 

Действующее значения напряжения, представленного выражением определяется согласно...

+

 

 

Среднее значения напряжения, представленного выражением определяется согласно...

+

 

 

##theme 7

##score 1

##type 4

##time 0:00:00

Параметры гармонического колебания, представленного выражением следующие...

Амплитуда тока

Период колебаний тока

Частота тока

Угловая частота тока

Начальная фаза тока

25 А

40 mc

25 Гц

157 рад/с

60

 

 

##theme 7

##score 1

##type 1

##time 0:00:00

Частота гармонического сигнала равна...

+

25 кГц

 

 

##theme 7

##score 1

##type 1

##time 0:00:00

Алгебраической форме записи комплексного тока, представленного выражением соответствует его мгновенное значение...

+

 

 

##theme 7

##score 1

##type 1

##time 0:00:00

Комплексная амплитуда напряжения, для мгновенного его значения составляет...

+

 

 

##theme 7

##score 1

##type 1

##time 0:00:00

Для двух гармонических колебаний, представленных на рисунке характерно то, что...

+

частота f1 меньше частоты f2 в 2 раза

 

 

##theme 7

##score 1

##type 2

##time 0:00:00

Символический метод анализа линейных электрических цепей переменного тока основан на использовании...

+

законов Кирхгофа для комплексных значений электрических величин

+

закона Ома для комплексных значений электрических величин

 

 

##theme 8

##score 1

##type 1

##time 0:00:00

Если величина R равна 377 Ом, то комплексное сопротивление Z R составит...

+

377 Ом

 

 

##theme 8

##score 1

##type 1

##time 0:00:00

Амплитудное значение тока i(t) при напряжении и величине Х L, равном110 Ом для цепи составит...

+

2 А

 

 

##theme 8

##score 1

##type 1

##time 0:00:00

Представленная временная диаграмма характерна для учаска с...

+

индуктивным элементом

 

##theme 8

##score 1

##type 2

##time 0:00:00

Индуктивное сопротивление цепи при токе и величине L, равной10 Гн составит...

+

1570 Ом

 

 

##theme 8

##score 1

##type 2

##time 0:00:00

В цепях переменного тока комплексные сопротивления элементов R,L,C определяютсяследующими заисимостями...

+

+

+

 

 

##theme 8

##score 1

##type 1

##time 0:00:00

Амплитудное значение напряжения u(t) при токе и величине Х С, равном20 Ом для цепи составит...

+

80 В

 

 

##theme 8

##score 1

##type 1

##time 0:00:00

Если величина L равна 0,01 Гн, то комплексное сопротивление Z L при частоте входного воздействия f = 50 Гц составит...

+

j 3,14 Ом

 

 

##theme 8

##score 1

##type 1

##time 0:00:00

Представленная временная диаграмма характерна для учаска с...

+

емкостным элементом


 

 

##theme 9

##score 1

##type 1

##time 0:00:00

Полное сопротивление участка цепи переменного тока определяется согласно выражению...

+

 

##theme 9

##score 1

##type 1

##time 0:00:00

Начальная фаза тока в емкости С при напряжении составит...

+

0 

 

 

##theme 9

##score 1

##type 1

##time 0:00:00

Полное сопротивление участка цепи переменного тока определяется согласно выражению...

+

 

 

##theme 9

##score 1

##type 1

##time 0:00:00

Комплексное сопротивление Z при Х L = 30 Ом и R = 50 Ом в алгебраической форме записывается в виде...

+

50 + j 30 Ом

 

 

##theme 9

##score 1

##type 1

##time 0:00:00

Комплексное сопротивление Z при Х С = 40 Ом и R = 30 Ом в алгебраической форме записывается в виде...

+

30 - j 40 Ом

 

 

##theme 9

##score 1

##type 1

##time 0:00:00

При показаниях амперметра - рА = 2 А, вольтметра - рV = 200 В, при R = 80 Ом, значение X C составит...

+

60 Ом

 

 

##theme 9

##score 1

##type 1

##time 0:00:00

Угол сдвига фаз между напряжением и током на участке цепи при Х L = 30 Ом и R = 50 Ом составит...

+

примерно 30

 

 

##theme 9

##score 1

##type 1

##time 0:00:00

Угол сдвига фаз между напряжением и током на участке цепи при Х С = 4 Ом и R = 3 Ом составит...

+

 

 

##theme 9

##score 1

##type 1

##time 0:00:00

Если индуктивное сопротивление приведенной цепи XL = 30 Ом и угол сдвига фаз между приложенным напряжением и током  = 37, то полное сопротивление цепи Z составляет...

+

50 Ом

 

 

##theme 9

##score 1

##type 1

##time 0:00:00

Угол сдвига фаз между напряжением и током на участке цепи может быть...

+

 

 

##theme 9

##score 1

##type 1

##time 0:00:00

При действующем значении напряжения U = 60 В и комплексном сопротивлении цепи действующее значение тока составит...

+

12 А

 

 

##theme 9

##score 1

##type 1

##time 0:00:00

Если действующее значение тока I = 2 A, то при комплексном сопротивлении цепи действующее значение напряжения составит...

+

20 В

 

 

##theme 10

##score 1

##type 1

##time 0:00:00

Комплексная мощность электрической цепи при заданном напряжениеи и токе составляет...

+

 

 

##theme 10

##score 1

##type 1

##time 0:00:00

При заданных действующих значениях напряжения U, тока I на входе пассивного двухполюсника и известном угле сдвига фаз активную мощность P цепи синусоидального тока можно определить по формуле...

+

P =UI cos

 

 

##theme 10

##score 1

##type 1

##time 0:00:00

При действующем значении напряжения U = 20 В и комплексном сопротивлении цепи полная мощность равна...

+

80 ВА

 

##theme 10

##score 1

##type 1

##time 0:00:00

При действующих значениях напряжения U = 110 В, тока I =4 A и угле сдвига фаз между ними  = 30° реактивная мощность равна...

+

220 ВАр

 

 

##theme 10

##score 1

##type 1

##time 0:00:00


Если амперметр показывает рА = 3 А, то активная мощность Р цепи будет равна...

+

720 Вт

 

 

##theme 10

##score 1

##type 1

##time 0:00:00

Если амперметр показывает рА = 4 А, то реактивная мощность Q цепи будет равна...

+

480 ВАр

 

 

##theme 10

##score 1

##type 1

##time 0:00:00

При известных значениях активной Р, реактивной Q мощности цепикоэффициент мощности cos  определяется...

+

 

 

##theme 10

##score 1

##type 1

##time 0:00:00

При постоянной мощности потребителя Р уменьшение cos  приводит к...

+

увеличению тепловых потерь в линии передачи

 

 

##theme 10

##score 1

##type 1

##time 0:00:00

При известных значениях активного и реактивного сопротивлений цепи, коэффициент мощности цепи cos  определяется согласно...

+

 

##theme 11

##score 1

##type 1

##time 0:00:00

Добротность приведенной резонансной цепи составляет...

+

20

 

 

##theme 11

##score 1

##type 1

##time 0:00:00

Характеристическое сопротивление приведенной резонансной цепи составляет...

+

60 Ом

 

 

##theme 11

##score 1

##type 1

##time 0:00:00

Частота колебаний приведенной резонансной цепи при L =0,01 Гн составляет...

+

10 кГц

 

 

##theme 11

##score 1

##type 1

##time 0:00:00

Емкость приведенной резонансной цепи при L =0,01 Гн составляет...

+

16 мкФ

 

 

##theme 11

##score 1

##type 1

##time 0:00:00

При «резонансе напряжений» общее сопротивление цепи...

+

имеет минимальное значение и активный характер

 

 

##theme 11

##score 1

##type 1

##time 0:00:00

Напряжение на резисторе R приведенной резонансной цепи при U = 110 В составляет...

+

110 В

 

 

##theme 11

##score 1

##type 1

##time 0:00:00

Показания вольтметра рV приведенной резонансной цепи при U = 170 В составят...

+

1190 В

 

 

##theme 11

##score 1

##type 1

##time 0:00:00

Резонансная частота последовательного участка электрической цепи при увеличении индуктивности в 4 раза и уменьшении емкости в 100 раз...

+

увеличится в 5 раз

 

 

##theme 11

##score 1

##type 1

##time 0:00:00

С увеличением частоты f и постоянном действующем значении приложенного напряжения U действующее значение напряжения UR...

+

уменьшается

 

 

##theme 11

##score 1

##type 1

##time 0:00:00

Графические зависимости сопротивлений характерны для элементов электрической цепи...

+

1- емкости, 2 - индуктивности, 3 - резистора

 

 

##theme 11

##score 1

##type 1

##time 0:00:00

При «резонансе токов» общий ток в цепи...


+

имеет минимальное значение и активный характер

 

 

##theme 11

##score 1

##type 1

##time 0:00:00

При изменении частоты f от нуля до бесконечности и неизменном действующем значении приложенного напряжения U действующее значение тока...

+

имеет ярко выраженный максимум

 

 

##theme 11

##score 1

##type 1

##time 0:00:00

При уменьшении частоты входного воздействия в 2 раза реактивное сопротивление цепи Х составит...

+

0 Ом

 

 

##theme 11

##score 1

##type 1

##time 0:00:00

Полоса пропускания цепи измеренная на уровне (-3дБ) равна...

+

f5 - f3, Гц

 

 

##theme 12

##score 1

##type 1

##time 0:00:00

Частота напряжения (тока) сети асинхронной машины при вращении магнитного поля статора со скоростью 1200 об/мин и при 3-х парах полюсов равна...

+

60 Гц

 

 

##theme 12

##score 1

##type 1

##time 0:00:00

При соединении трехфазного источника электрической энергии и потребителя по схеме «треугольник – треугольник» справедливы следующие соотношения...

+

##theme 12

##score 1

##type 1

##time 0:00:00

При соединении трехфазного источника электрической энергии и потребителя по схеме «звезда – звезда» справедливы следующие соотношения...

+

 

 

##theme 12

##score 1

##type 1

##time 0:00:00

Приведенной векторной диаграмме соответствует симметричная...

+

активно-индуктивная нагрузка

 

 

##theme 12

##score 1

##type 1

##time 0:00:00

Напряжение между выводами В и N называется...

+

фазным напряжением

 

 

##theme 12

##score 1

##type 1

##time 0:00:00

Напряжение между выводами А и С называется...

+

линейным напряжением

 

 

##theme 12

##score 1

##type 1

##time 0:00:00

При симметричной нагрузке полная мощность трехфазной цепи равна...

+

 

 

##theme 12

##score 1

##type 1

##time 0:00:00

Маркировка вторичной обмотки трехфазного трансформатора с номинальным напряжением 220/380 В указана на рисунке. Вольтметр V, подключенный между зажимами 1-2 обмоток, будет показывать...

+

линейное напряжение 380 В

 

 

##theme 12

##score 1

##type 1

##time 0:00:00

В трехфазной цепи при симмметричной нагрузке амперметром был измерен ток I AB = 7A. Фазный ток I BC равен...

+

7 А

 

 

##theme 12

##score 1

##type 1

##time 0:00:00

В трехфазной цепи при симмметричной нагрузке амперметром был измерен ток I AB = 5A. Линейный ток I B равен...

+

8,65 А

 

 

##theme 12

##score 1

##type 1

##time 0:00:00

Векторная диаграмма, приведенная для трехфазной цепи соответствует...

симметричной нагрузке

+

несимметричной активной нагрузке

 

 

##theme 12

##score 1

##type 1

##time 0:00:00

Векторная диаграмма, приведенная для трехфазной цепи соответствует...

+

симметричной индуктивной нагрузке

 

 

##theme 13

##score 1

##type 1

##time 0:00:00

Частота модулирующего сигнала по виду спектра АМ колебания равна...

+

6 кГц

 

 

##theme 13

##score 1

##type 1

##time 0:00:00

Основу спектрального анализа непериодических сигналов в линейных электрических цепях составляет...

+

прямое и обратное преобразование Фурье

 

##theme 13

##score 1

##type 1

##time 0:00:00

Для сигнала, изображенного на рисунке характерен спектр вида...

 

 

+

 

##theme 13

##score 1

##type 1

##time 0:00:00

Для постоянной составляющей сигнала, изображенного на рисунке характерен вид...

+

 

 

##theme 13

##score 1

##type 1

##time 0:00:00

Период повторения импульсов импульсной последовательности по известному спектру, при длительности импульсов 10 мкс равен...

+

40 мкс

 

 

##theme 13

##score 1

##type 1

##time 0:00:00

Полоса частот радиосигнала, представленного его спектром равна...

+

12 кГц

 

##theme 13

##score 1

##type 1

##time 0:00:00

При увеличении длительности импульсов в 2 раза, а периода повторения импульсов в 4 раза ширина спектра сигнала...

+

увеличится в 2 раза

 

 

##theme 13

##score 1

##type 1

##time 0:00:00

Для переменной составляющей сигнала, изображенного на рисунке характерен вид...

+

 

 

##theme 13

##score 1

##type 1

##time 0:00:00

Периодические импульсные сигналы имеют...

+

неравномерный неограниченный дискретный амплитудный спектр

 

 

##theme 13

##score 1

##type 1

##time 0:00:00

Спектральная плотность S(j) непериодического сигнала f(t) определяется зависимостью вида...

+

##theme 14

##score 1

##type 2

##time 0:00:00

Законы коммутации утверждают, что в момент коммутации ЭЦ...

+

ток в индуктивности не может изменяться скачком

+

напряжение на емкостном элементе не может изменяться скачком

 

 

##theme 14

##score 1

##type 1

##time 0:00:00

Начальными условиями перед коммутацией в электрической цепи принято считать...

+

напряжение на емкостном элементе и ток в индуктивности

 

 

##theme 14

##score 1

##type 2

##time 0:00:00

Формализовано законы коммутации записываются в виде...

+

+

 

 

##theme 14

##score 1

##type 1

##time 0:00:00

Начальные условия для расчета переходного процесса электрической цепи определяются...

+

первым законом коммутации

 

 

##theme 14

##score 1

##type 1

##time 0:00:00

Начальные условия для расчета переходного процесса электрической цепи определяются...

+

вторым законом коммутации

 

 

##theme 15

##score 1

##type 1

##time 0:00:00

Установившееся значение напряжения на емкости электрической цепи равно...

+

Е

 

##theme 15

##score 1

##type 1

##time 0:00:00

Величина напряжения на индуктивности в момент коммутации электрической цепи равна...

+

Е

 

 

##theme 15

##score 1

##type 1

##time 0:00:00

Величина тока в момент коммутации электрической цепи равна...

+

Е/2R

 

 

##theme 15

##score 1

##type 1

##time 0:00:00

Закон изменения напряжений на элементах электрической цепи при замыкании ключа соответствует...

 

+

 

 

##theme 15

##score 1

##type 1

##time 0:00:00

Закон изменения напряжений на элементах электрической цепи при замыкании ключа соответствует...

+

 

 

##theme 15

##score 1

##type 1

##time 0:00:00

Переходный процесс при коммутации будет происходить в электрических схемах, изображенных на...

+

рис. 2 и рис. 4

 

 

##theme 15

##score 1

##type 1

##time 0:00:00

Закон изменения напряжений на элементах электрической цепи при размыкании ключа соответствует...

+

 

 

##theme 15

##score 1

##type 1

##time 0:00:00

Для данной цепи закон изменения тока при переходном процессе имеет вид...

+

 

 

##theme 15

##score 1

##type 1

##time 0:00:00

Закон изменения напряжений на элементах электрической цепи при размыкании ключа соответствует...

+

 

##theme 15

##score 1

##type 1

##time 0:00:00

Установившееся значение тока после замыкания выключателя составит...

+

4 мА

 

 

##theme 15

##score 1

##type 1

##time 0:00:00

Установившееся значение напряжения на емкости при Е = 10 В, R = 5 кОм и С = 0,033 мкФ после замыкания выключателя составит...

+

10 В

 

 

##theme 16

##score 1

##type 1

##time 0:00:00

Дифференциальное уравнение, описывающее переходный процесс для тока в RLC- цепи имеет вид: . колебательный затухающий переходной процесс соответствует условию...

+

 

 

##theme 16

##score 1

##type 1

##time 0:00:00

Электрическая цепь содержит последовательно соединенные индуктивные и емкостные элементы.Если корни характеристического уравнения равныр 1 = - 250 с- 1 и р 2 = - 900 с- 1 ,то график переходного процесса может иметь вид...

+

 

 

##theme 16

##score 1

##type 1

##time 0:00:00

Электрическая цепь содержит последовательно соединенные индуктивные и емкостные элементы.Если корни характеристического уравнения равныр 1 = (- 200 + j150) с- 1 и р 2 = (-200 - j150) с- 1 ,то переходный процесс является...

+

колебательным затухающим

 

 

##theme 16

##score 1

##type 1

##time 0:00:00

Электрическая цепь содержит последовательно соединенные индуктивные и емкостные элементы.Если корни характеристического уравнения равныр 1 = (-100 + j250) с- 1 и р 2 = (-100 - j250) с- 1 ,то переходный процесс является...

+

 

 

##theme 16

##score 1

##type 1

##time 0:00:00

Электрическая цепь содержит последовательно соединенные индуктивные и емкостные элементы.Колебательный затухающий переходный процесс происходит если корни характеристического уравнения...

+

комплексно сопряженные с отрицательной действительной частью

 

 

##theme 16

##score 1

##type 1

##time 0:00:00

Установившееся значение тока после замыкания выключателя равно...

+

 

 

##theme 16

##score 1

##type 1

##time 0:00:00

Переходный процесс для напряжения на емкости соответствует...

+

 

##theme 16

##score 1

##type 1

##time 0:00:00

Переходный процесс для напряжения на емкости соответствует...

+

 

 

##theme 16

##score 1

##type 1

##time 0:00:00

Переходный процесс для напряжения на емкости соответствует...

+

 

 

##theme 16

##score 1

##type 1

##time 0:00:00

Характеристическое уравнение цепи при переходном процессе будет иметь вид...

+

 

 

##theme 16

##score 1

##type 1

##time 0:00:00

Характеристическое уравнение цепи при переходном процессе будет иметь вид...

+

 

 

##theme 17

##score 1

##type 2

##time 0:00:00

Основу операторного метода анализа переходных процессов составляет...

+

прямое преобразование Лапласа

+

обратное преобразование Лапласа

 

 

##theme 17

##score 1

##type 1

##time 0:00:00

При преобразованиях Лапласа оригиналом f(t) называется функция времени электрической цепи, а функцию L(p) называют...

+

изображением

 

 

##theme 17

##score 1

##type 1

##time 0:00:00

Емкостному элементу электрической цепи с ненулевыми начальными условиями соответствует операторная схема замещения...

 

+

 

 

##theme 17

##score 1

##type 1

##time 0:00:00

Индуктивному элементу электрической цепи с ненулевыми начальными условиями соответствует операторная схема замещения...

-

 

+

 

##theme 17

##score 1

##type 1

##time 0:00:00

Резистивному элементу электрической цепи соответствует операторная схема замещения...

+

 

 

##theme 17

##score 1

##type 1

##time 0:00:00

Операторная схема замещения электрической цепи имеет вид...

+

##theme 17

##score 1

##type 1

##time 0:00:00

Закон Ома в операторной форме для электрической цепи записывается в виде...

+

 

 

##theme 17

##score 1

##type 1

##time 0:00:00

Изображение источника постоянной ЭДС в операторной форме имеет вид...

+

Е(р) =Е/р

 

 

##theme 17

##score 1

##type 1

##time 0:00:00

Операторная схема замещения цепи имеет вид...

+

 

##theme 18

##score 1

##type 2

##time 0:00:00

Приведенная на рисунке электрическая цепь при импульсном воздействии может быть...

+

интегрирующей цепью

+

неискажающей цепью

 

 

##theme 18

##score 1

##type 2

##time 0:00:00

Линейные электрические цепи в зависимости от соотношения длительности входного воздействия и постоянной времени подразделяются на...

+

интегрирующие

+

неискажающие

+

разделительные

+

дифференцирующие

 

 

##theme 18

##score 1

##type 1

##time 0:00:00

Для разделения постоянной и переменной составляющих входного напряжения используются...

+

дифференцирующие цепи с постоянной времени   tИ

 

##theme 18

##score 1

##type 1

##time 0:00:00

Приведенная электрическая цепь при tи >> , может рассматриваться в качестве...

+

неискажающей цепи

 

##theme 18

##score 1

##type 1

##time 0:00:00

Приведенная электрическая цепь при tи  , может рассматриваться в качестве...

+

интегрирующей цепи

 

 

##theme 19

##score 1

##type 1

##time 0:00:00

Система уравнений передачи четырехполюсника в А – параметрах имеет вид Физический смысл параметра определяется...

+

в режиме короткого замыкания на выходе четырехполюсника

 

##theme 19

##score 1

##type 1

##time 0:00:00

Внутреннее сопротивление генератора для подключения Г- образного четырехполюсника с параметрами Z 1 =1600 Ом и Z 2 = 900 Ом в согласованном режиме работы равно...

+

2000 Ом

 

 

##theme 19

##score 1

##type 1

##time 0:00:00

Уровень мощности Р = 200 Вт относительно уровня 1 мВт составляет...

+

53 дБ

 

 

##theme 19

##score 1

##type 2

##time 0:00:00

Параметры -коэффициенты четырехполюсника определяются...

-

внешними воздействиями

-

реакцией четырехполюсника

+

схемой четырехполюсника

+

элементами четырехполюсника

-

внешними воздействиями и реакцией четырехполюсника

 

 

##theme 19

##score 1

##type 1

##time 0:00:00

Уравнения линейного пассивного четырехполюсника записаны в...

-

Z - форме

-

Н - форме

-

Y - форме

+

A - форме

-

F - форме

 

 

##theme 19

##score 1

##type 2

##time 0:00:00

Четырехполюсник, представленный на схеме является...

-

активным

+

пассивным

+

обратимым

-

необратимым

+

Т - образным

-

П - образным

 

 

##theme 19

##score 1

##type 1

##time 0:00:00

Если уравнения линейного пассивного четырехполюсника в А - форме имеют вид ,то величина параметра В составляет...

-

50

-

j14,9 См

+

-j10 Ом

-

3

-

-j149 Ом

-

150 Ом

 

 

##theme 19

##score 1

##type 1

##time 0:00:00

Входное характеристическое (собственное) сопротивление четырехполюсника ZС1 связано с параметрами ZХХ1 и ZКЗ1 зависимостью...

+

 

 

##theme 19

##score 1

##type 1

##time 0:00:00

Напряжение на выходе (U4) представленного устройства по отношению к входному...

+

ослабляется на 2 дБ

 

 

##theme 19

##score 1

##type 1

##time 0:00:00

Напряжение на выходе (U2) представленного устройства по отношению к входному...

+

усиливается в 1,41 раза

##theme 19

##score 1

##type 1

##time 0:00:00

Параметр-коэффициент, характеризующий передачу напряжений с входа на выход четырехполюсника, представленного схемой равен...

+

А11 = 1

 

##theme 19

##score 1

##type 1

##time 0:00:00

Входное сопротивление четырехполюсника, представленного схемой в согласованном режиме работы равно...

+

7,2 Ом

 

 

##theme 20

##score 1

##type 4

##time 0:00:00

Условные графические изображения соответствуют...

фильтру верхних частот

фильтру нижних частот

режекторному фильтру

полосовому фильтру

 

 

##theme 20

##score 1

##type 1

##time 0:00:00

При последовательном соединении фильтров Ф1 и Ф2 с частотами среза f СР1 и f СР2 (fСР1fСР2) образуется...

+

полосовой фильтр

 

 

Электрическая цепь, приведенная на рисунке относится к...

+

фильтру нижних частот

 

 

##theme 20

##score 1

##type 1

##time 0:00:00

Электрическая цепь, приведенная на рисунке относится к...

+

полосовому заграждающему фильтру

 

##theme 20

##score 1

##type 1

##time 0:00:00

Электрическая цепь, приведенная на рисунке относится к...

+

фильтру верхних частот

 

##theme 20

##score 1

##type 1

##time 0:00:00

Коэффициент передачи по напряжению электрической цепи равен...

+

 

 

##theme 20

##score 1

##type 1

##time 0:00:00

Частота среза  СР и параметры RL приведенной цепи соответствуют условию...

 

+

 

##theme 20

##score 1

##type 1

##time 0:00:00

Полоса пропускания электрической цепи при уменьшении R в 4 раза и увеличении L в 2 раза ...

+

уменьшится в 8 раз

 

 

##theme 20

##score 1

##type 1

##time 0:00:00

Неравномерность амлитудно-частотной характеристики цепи, удовлетворяющая условию, при которой ...

+

не превышает 3 дБ

 

 

##theme 20

##score 1

##type 1

##time 0:00:00

Полоса пропускания фильтра, измеренная на уровне (–3 дБ) соответствует условию передачи...

+

50% мощности

 

 

##theme 20

##score 1

##type 1

##time 0:00:00

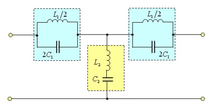
На рисунке представлена схема...

+

фильтра нижних частот

 

 

##theme 20

##score 1

##type 1

##time 0:00:00

Для согласованного режима работы фильтра представленного на рисунке сопротивление нагрузки выбирают равным...

+

 

 

##theme 20

##score 1

##type 1

##time 0:00:00

При заданных параметрах и схеме фильтра сопротивление нагрузки в согласованном режиме работы равно...

+

10 кОм

 

 

##theme 21

##score 1

##type 1

##time 0:00:00

При известных первичных параметрах R0, L0, G0, C0 волновое (характеристическое) сопротивление длинной линии ZB определяется согласно выражению...

+

 

 

##theme 21

##score 1

##type 1

#







Date: 2015-05-09; view: 4061; Нарушение авторских прав



mydocx.ru - 2015-2026 year. (0.875 sec.) Все материалы представленные на сайте исключительно с целью ознакомления читателями и не преследуют коммерческих целей или нарушение авторских прав - Пожаловаться на публикацию