Главная Случайная страница


Полезное:

Как сделать разговор полезным и приятным Как сделать объемную звезду своими руками Как сделать то, что делать не хочется? Как сделать погремушку Как сделать так чтобы женщины сами знакомились с вами Как сделать идею коммерческой Как сделать хорошую растяжку ног? Как сделать наш разум здоровым? Как сделать, чтобы люди обманывали меньше Вопрос 4. Как сделать так, чтобы вас уважали и ценили? Как сделать лучше себе и другим людям Как сделать свидание интересным?


Категории:

АрхитектураАстрономияБиологияГеографияГеологияИнформатикаИскусствоИсторияКулинарияКультураМаркетингМатематикаМедицинаМенеджментОхрана трудаПравоПроизводствоПсихологияРелигияСоциологияСпортТехникаФизикаФилософияХимияЭкологияЭкономикаЭлектроника






Полупроводниковые диоды





 

Классификация и условные обозначения полупроводниковых диодов. Полупроводниковым диодом называется устройство, состоящее из кристалла полупроводника, содержащее обычно один p-n переход и имеющее два вывода.

Классификация диодов производится по следующим признакам:

1 по конструкции: плоскостные диоды; точечные диоды; микросплавные диоды.

2 по мощности: маломощные; средней мощности; мощные.

3 по частоте: низкочастотные; высокочастотные; СВЧ.

4 по функциональному назначению: выпрямительные диоды; импульсные диоды; стабилитроны; варикапы; светодиоды; тоннельные диоды и так далее.

Условное обозначение диодов подразделяется на два вида:

- маркировка диодов;

- условное графическое обозначение (УГО) – обозначение на принципиальных электрических схемах.

По старому ГОСТу все диоды обозначались буквой Д и цифрой, которая указывала на электрические параметры, находящиеся в справочнике.

Новый ГОСТ на маркировку диодов состоит из 4 обозначений:

К С 156 А

Г Д 507 Б

I II III IV

I – показывает материал полупроводника:

(1) – германий; К (2) – кремний; А (3) – арсенид галлия.

II – тип полупроводникового диода:

Д – выпрямительные, ВЧ и импульсные диоды;

А – диоды СВЧ;

C – стабилитроны;

В – варикапы;

И – туннельные диоды;

Ф – фотодиоды;

Л – светодиоды;

Ц – выпрямительные столбы и блоки.

III – три цифры – группа диодов по своим электрическим параметрам:

IV – модификация диодов в данной (третьей) группе.

Конструкция полупроводниковых диодов. Основой плоскостных и точечных диодов является кристалл полупроводника n-типа проводимости, который называется базой транзистора. База припаивается к металлической пластинке, которая называется кристаллодержателем. Для плоскостного диода на базу накладывается материал акцепторной примеси и в вакуумной печи при высокой температуре (порядка 500 °С) происходит диффузия акцепторной примеси в базу диода, в результате чего образуется область p-типа проводимости и p-n переход большой плоскости (отсюда название).

Вывод от p-области называется анодом, а вывод от n-области – катодом. Большая плоскость p-n перехода плоскостных диодов позволяет им работать при больших прямых токах, но за счёт большой барьерной ёмкости они будут низкочастотными.

К базе точечного диода подводят вольфрамовую проволоку, легированную атомами акцепторной примеси, и через неё пропускают импульсы тока силой до 1А. В точке разогрева атомы акцепторной примеси переходят в базу, образуя p-область. К базе точечного диода подводят вольфрамовую проволоку, легированную атомами акцепторной примеси, и через неё пропускают импульсы тока силой до 1А. В точке разогрева атомы акцепторной примеси переходят в базу, образуя p-область.

Микросплавные диоды получают путём сплавления микрокристаллов полупроводников p- и n- типа проводимости. По своему характеру микросплавные диоды будут плоскостные, а по своим параметрам –точечные.

 

 

Выпрямительные диоды предназначены для преобразования переменного напряжения низкой частоты () в постоянное. Они подразделяются на диоды

· малой ,

· средней

· большой мощности.

Основными параметрами, характеризующими выпрямительные диоды, являются:

· Обратный ток при некотором значении обратного напряжения;

· Падение напряжения на диоде при некотором значении прямого тока через диод;

· Барьерная емкость диода при подаче на него обратного напряжения некоторой величины;

· Диапазон частот, в котором возможна работа диода без существенного снижения выпрямленного тока;

· Рабочий диапазон температур.

В рабочем режиме через диод протекает ток, и в его электрическом переходе выделяется мощность, вследствие чего температура перехода повышается. В установившемся режиме подводимая к переходу мощность и отводимая от него должны быть равны и не превышать максимально допустимой мощности , рассеиваемой диодом, т.е. . В противном случае наступает тепловой пробой диода.

Качество теплоотвода в диоде характеризуется параметром эксплуатационного режима – тепловым сопротивлением под которым подразумевается отношение разности температур электрического перехода и корпуса диода к мощности рассеиваемой на диоде установившемся режиме. Уменьшение позволяет при заданном значении увеличивать рабочую температуру перехода или при известном перепаде температур повышать прямые и обратные токи и напряжения диода. Это достигается применением специальных теплоотводов-радиаторов.


 

Стабилитроны – полупроводниковые диоды, работающие на обратной ветви ВАХ в области, где изменение напряжения электрического пробоя слабо зависит от значения обратного тока и применяется для стабилизации напряжения.

 

Односторонний стабилитрон

Двусторонний стабилитрон

 

 

Основными параметрами стабилитронов являются:

Uст - напряжение стабилизации при номинальном значении тока;

Iст min - минимальный ток стабилизации, при котором возникает устойчивый пробой;

Iст max максимальный ток стабилизации, при котором мощность, рассеиваемая на стабилитроне, не превышает допустимого значения;

Rст - дифференциальное сопротивление, характеризующее изменение напряжения стабилизации при изменении тока: Rст =DU/DI

При рассмотрении ВАХ стабилитрона видно, что в области электрического пробоя имеется участок, который может быть использован для стабилизации напряжения. Такой участок у кремниевых плоскостных диодов соответствует изменениям обратного тока в широких пределах. При этом до наступления пробоя обратный ток очень мал, а в режиме пробоя, в данном случае в режиме стабилизации, он становится такого же порядка, как и прямой ток. Стабилитроны изготавливаются исключительно из кремния, их также еще называют опорными диодами, т. к. в ряде случаев получаемое от них стабильное напряжение используется в качестве опорного. При обратном токе напряжение стабилизации меняется незначительно. Стабилитрон работает при обратном напряжении.

Принцип работы поясняет схема параметрического стабилизатора напряжения. Нагрузка включена параллельно стабилитрону, поэтому в режиме стабилизации, когда напряжение на стабилитроне постоянно, такое же напряжение будет и на нагрузке. Все изменение входного напряжения будет поглощаться резистором Rогр, которое еще называют балластным. Сопротивление этого резистора должно быть определенного значения и его обычно рассчитывают для средней точки. Если входное напряжение будет изменяться, то будет изменяться ток стабилитрона, но напряжение на нем, следовательно, и на нагрузке, будет оставаться постоянным.

При напряжениях меньше 7В имеет место полевой (туннельный) пробой, больше 15В - лавинный пробой, от 7 до 15В - смешанный пробой. Пробои в стабилитронах обратимы.

В схемах со стабилитроном должен быть ограничивающий резистор.

Динамическое сопротивление, определяющее качество стабилитрона: (чем меньше, тем лучше)

Статическое сопротивление:

Коэффициент качества: =0,01 – 0,05

Температурный коэффициент напряжения: ТКН = (0,2 – 0,4%)/°С

Недостаток стабилитрона: при малых токах стабилизации <3 мА увеличивается и существенную роль играют шумы.

 

 

 

Значительно чаще применяются двухполупериодные выпрямители.

 

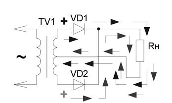
В течение положительного полупериода напряжения Ua (+) диоды VD1 и VD4 открыты, а VD2 и VD3 – закрыты. Ток будет протекать по пути: верхняя ветвь (+), диод VD1, нагрузка, диод VD4, нижняя ветвь (-).

В течение отрицательного полупериода напряжения Ua диоды VD1 и VD4 закрываются, а диоды VD2 и VD3 открываются. Ток будет протекать от (+), нижняя ветвь, диод VD3, нагруз­ка, диод VD2, верхняя ветвь (-).

Поэтому ток через нагрузку будет протекать в одном и том же направлении за оба полуперио­да. Схема выпрямителя называется двухполупериодной.


Если понижающий трансформатор имеет среднюю точку, то есть вывод от середины вторич­ной обмотки, то двухполупериодный выпрямитель может быть выполнен на двух диодах.

 

 


Биполярные транзисторы: устройство, принцип действия, основные параметры и характеристики. Схемы включения транзисторов: с общим эмиттером (ОЭ), общим коллектором (ОК), общей базой (ОБ) – характеристики и применение. Полевые транзисторы.

 

Транзистором называется полупроводни­ковый преобразовательный прибор, имеющий не менее трёх выводов и способный усили­вать мощность. Классификация транзисторов производится по следующим признакам:

По материалу полупроводника - обычно германиевые или кремниевые;

По типу проводимости областей (только биполярные транзисторы): с прямой проводимо­стью (p-n-p - структура) или с обратной проводимостью (n-p-n - структура);

По принципу действия транзисторы подразделяются на биполярные и полевые (униполяр­ные);

По частотным свойствам;

НЧ (<3 МГц);

СрЧ (3÷30 МГц);

ВЧ и СВЧ (>30 МГц);

По мощности. Маломощные транзисторы ММ (<0,3 Вт), средней мощности СрМ (0,3÷3

Вт), мощные (>3 Вт). Маркировка.







Date: 2015-05-09; view: 1721; Нарушение авторских прав



mydocx.ru - 2015-2026 year. (0.931 sec.) Все материалы представленные на сайте исключительно с целью ознакомления читателями и не преследуют коммерческих целей или нарушение авторских прав - Пожаловаться на публикацию