Главная Случайная страница


Полезное:

Как сделать разговор полезным и приятным Как сделать объемную звезду своими руками Как сделать то, что делать не хочется? Как сделать погремушку Как сделать так чтобы женщины сами знакомились с вами Как сделать идею коммерческой Как сделать хорошую растяжку ног? Как сделать наш разум здоровым? Как сделать, чтобы люди обманывали меньше Вопрос 4. Как сделать так, чтобы вас уважали и ценили? Как сделать лучше себе и другим людям Как сделать свидание интересным?


Категории:

АрхитектураАстрономияБиологияГеографияГеологияИнформатикаИскусствоИсторияКулинарияКультураМаркетингМатематикаМедицинаМенеджментОхрана трудаПравоПроизводствоПсихологияРелигияСоциологияСпортТехникаФизикаФилософияХимияЭкологияЭкономикаЭлектроника






Схемная реализация логических элементов. Их основные параметры





Эволюция цифровой логики:

1) РТЛ – резисторно-транзисторная логика.

2) ДТЛ – диодно-транзисторная логика.

3) ТТЛ –транзисторно-транзисторная логика.

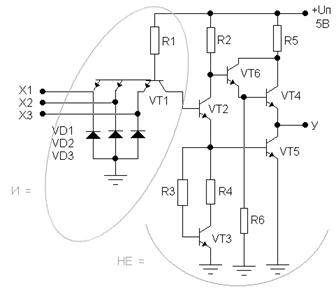
Элемент три «И-НЕ» на ДТЛ.

Напряжение <0.4B считается логическим нулем, при U>2.4 – логическая единица.

Элементы на основе ТТЛ.

В основе – многоэммитерный транзистор.

Серия 155.

Если на всех входах «1», то на коллекторе эмиттерный переход закрыт, а коллекторный открыт и напряжение на базе VT1=1.8 В. VT2 и VT5 открыты, VD4 –предназначен для надежного запирания VT4. R3, R4 и VT3 действуют как резистор и предназначены для увеличения помехоустойчивости.

Если на любом из входов «0», то VT1 переключается из инверсного в активный режим и отпирается. В этом случае напряжение на его коллекторе (0,8В) уже недостаточно для отпирания VT4 и VT5. VT4 при этом открыт и на выходе появляется логическая единица.

R5 предназначен для защиты выходов при кратковременном замыкании на землю.

 

 

Серия повышенного быстродействия.

VT1, VT2 – VT5 – используются транзисторы Шотке.

Следующим шагом к повышению быстродействия стало использование транзистора Шотке.

 

Если на базу подать большое напряжение, то транзистор может войти в режим насыщения и его быстродействие уменьшается.

У диода Шотке напряжение отпирания 0,3-0,4 В. Напряжение на базе транзистора Шотке не может превышать напряжение на его коллекторе более, чем на 0,4 В, т.е. коллекторный переход никогда полностью не открывается транзистор не заходит в режим насыщения, что резко увеличивает его быстродействие.

 

 

Каскад с открытым коллектором.

Обычная нагрузочная способность равна 10 входам, которые можно подключить к одному входу. Повышенная нагрузочная способность = 30. В логических элементах входы должны быть обязательно к чему-нибудь подключены. Если схема «И» – вход подключить к «1». Если «ИЛИ» – подать «0».

 

В схемах с общим коллектором неиспользуемые входы могут оставаться неподключенными.

Выходы двух обычных элементов объединять нельзя, за исключением находящихся в одном корпусе с целью увеличения выходной мощности. В схемах с общим коллектором можно объединять выходы и делать монтажные ИЛИ.

Недостаток: малый ток высокого уровня, ограниченный коллекторным резистором.

 

Расширение по «И».

См. на рисунках дополнительные входы.

 

 

2И-2ИЛИ-НЕ

 

К и Э предназначены для расширения по ИЛИ.

Расширитель по ИЛИ.

 

Существуют элементы с открытым коллектором, допускающие подачу повышенного напряжения (15-30 В) через резистор на коллектор выходного транзистора, что позволяет коммутировать различную нагрузку.

 

Логические элементы с тремя выходными состояниями (Z-состояние).

Когда VT3 заперт, схема действует подобно обычному логическому элементу 2И-НЕ, т.к. VD1 смещен в обратном направлении. Если VT3 открыт, VD1 также открыт. U в точке А близко к нулю и VT6 заперт. VT5 также заперт, т.к. на эмиттере VT4, который связан с коллектором VT3, логический ноль. Следовательно, VT7 также заперт, и выходной вывод окажется отсоединенным от входных цепей и обеих шин питания. При этом уменьшается также потребляемая микросхемой мощность.

 

ЭСЛ – эмиттерно-связанная логика.

 

U0 = -0,7 ÷ -0,95 ≈ -0,8

U1 = -1,45 ÷ -1,95 ≈ -1,6

Высокое быстродействие достигается тем, что транзисторы дифференциального каскада и другие не входят в режим насыщения, а также малой разницей между уровнем логического «0» и логической «1» (0,8В). Последнее, в свою очередь, ухудшает помехоустойчивость. Для согласования микросхем различных видов логики используются микросхемы преобразования уровня.

 

КМОП.

Стандартный КМОП допускает использование Uп от 5В до 15В. Быстродействие изменяется в три раза, возрастает и мощность. Это позволяет непосредственно соединить схемы КМОП и ОУ.

 

Двунаправленный ключ.

При изменении входного сигнала сопротивление каналов транзистора с n и p каналом изменяется в противоположную сторону. Специальные схемные решения позволяют сделать эквивалентное сопротивление ключа независимым от величины и направления входного сигнала. Величина сопротивления канала ключа достигает единиц Ом. При отсутствии отпирающего напряжения на затворе сопротивление велико (десятки МОм), что равносильно разрыву цепи. Омический характер сопротивления канала позволяет использовать двунаправленные ключи не только для переключения логических сигналов, но и (в отличие от ТТЛ) для переключения аналоговых сигналов, а также для регулировки последних, используя ключ в этом случае в качестве переменного резистора, управляемого напряжением.


 

Инвертор КМОП

 

Защитные диоды обязательно присутствуют во всех логических элементах КМОП, так как они подвержены разрушающему воздействию статического электричества. В инверторе VD3, VD5, VD6 защитные элементы от отрицательных импульсов. Диоды VD1, VD2, VD4 защищают вход и выход от положительных выбросов и ограничивают его на уровне Uп+0,6. Для дополнительной защиты входов, особенно при длинных входных проводах, и для устранения паразитных колебаний последовательно с входом включают резистор для ограничения тока заряда включения емкости.

 

Сопряжение КМОП и ТТЛ.

При сопряжении КМОП и ТТЛ к выходу КМОП можно подключить два входа ТТЛ 155серии и до девяти входов 555 серии. При подключении выхода ТТЛ ко входу КМОП необходимо включить резистор с выхода ТТЛ на источник питания (2кОм) с целью повышения уровня логической «1».

 

Параметры цифровых элементов:

1)надежность – интенсивность отказов , наработкой на отказ Т, вероятность безотказной работы ;

2)стойкость к механическим и климатическим воздействиям - вибрации, ударам, центробежным силам, воздействиям атмосферы и т.д.

3) быстродействие – прямо пропорционально потребляемой мощности;

4) мощность рассеивания;

5) нагрузочная способность - при исполнении микросхем разных серий количество входов будет различным. Оно может быть указано в таблице, либо рассчитано по входным и выходным токам;

6) помехоустойчивость;

7) степень интеграции.


 







Date: 2015-05-09; view: 1549; Нарушение авторских прав



mydocx.ru - 2015-2026 year. (1.203 sec.) Все материалы представленные на сайте исключительно с целью ознакомления читателями и не преследуют коммерческих целей или нарушение авторских прав - Пожаловаться на публикацию