Главная Случайная страница


Полезное:

Как сделать разговор полезным и приятным Как сделать объемную звезду своими руками Как сделать то, что делать не хочется? Как сделать погремушку Как сделать так чтобы женщины сами знакомились с вами Как сделать идею коммерческой Как сделать хорошую растяжку ног? Как сделать наш разум здоровым? Как сделать, чтобы люди обманывали меньше Вопрос 4. Как сделать так, чтобы вас уважали и ценили? Как сделать лучше себе и другим людям Как сделать свидание интересным?


Категории:

АрхитектураАстрономияБиологияГеографияГеологияИнформатикаИскусствоИсторияКулинарияКультураМаркетингМатематикаМедицинаМенеджментОхрана трудаПравоПроизводствоПсихологияРелигияСоциологияСпортТехникаФизикаФилософияХимияЭкологияЭкономикаЭлектроника






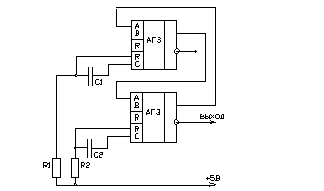
Генератор на интегральных одновибраторах К155АГЗ





Принципиальные схемы мультивибраторов, выполненных в виде интегральных микросхем, отличаются от мультивибраторов на дискретных транзисторах наличием элементов, улучшающих свойства генерируемых импульсов. Такие элементы выполняются в едином технологическом цикле со схемой и не влияют на стоимость или габариты микросхемы.

Микросхема К155АГЗ состоит из двух независимых ждущих мультивибраторов с парафазными выходами, двухвходовой логикой для запуска фронтом и спадом входного импульса, входом обнуления и подключения времязадающей RC-цепи. Каждый из мультивибраторов может повторно запускаться подачей нового запускающего импульса до окончания выходного, поэтому можно получить один импульс на выходе при поступлении на вход серии импульсов.

Длительность выходного импульса зависит от параметров RC-цепи и определяется по формуле:

,

где =5...50 кОм; - не ограничена [пФ].

 

 

Рис.10.6. Мультивибратор на ИС К155АГЗ

 

Устройство на рис.10.6. формирует выходной импульс, длительность которого определяется выражением .

Мультивибратор К155АГЗ имеет внутреннюю задержку, равную 30 нс. Вход В является входом триггера Шмитта. Возможна различная организация взаимного запуска мультивибраторов: по входу В первого мультивибратора - сигналом с инверсного выхода второго, по входу А первого мультивибратора - сигналом с прямого выхода второго или другие комбинации.

Частоту генератора с перекрёстными связями вычисляют по формуле:

 

 

где R [кОм], С [пФ], Т [нс]

 

 








Date: 2015-05-09; view: 791; Нарушение авторских прав



mydocx.ru - 2015-2026 year. (0.914 sec.) Все материалы представленные на сайте исключительно с целью ознакомления читателями и не преследуют коммерческих целей или нарушение авторских прав - Пожаловаться на публикацию