Главная Случайная страница


Полезное:

Как сделать разговор полезным и приятным Как сделать объемную звезду своими руками Как сделать то, что делать не хочется? Как сделать погремушку Как сделать так чтобы женщины сами знакомились с вами Как сделать идею коммерческой Как сделать хорошую растяжку ног? Как сделать наш разум здоровым? Как сделать, чтобы люди обманывали меньше Вопрос 4. Как сделать так, чтобы вас уважали и ценили? Как сделать лучше себе и другим людям Как сделать свидание интересным?


Категории:

АрхитектураАстрономияБиологияГеографияГеологияИнформатикаИскусствоИсторияКулинарияКультураМаркетингМатематикаМедицинаМенеджментОхрана трудаПравоПроизводствоПсихологияРелигияСоциологияСпортТехникаФизикаФилософияХимияЭкологияЭкономикаЭлектроника






Генератор прямоугольных импульсов на логических элементах





 

Мультивибраторы на основе логических ИМС обычно применяют в цифровой аппаратуре, т. к. при этом наиболее полно обеспечивается унификация элементной базы и согласование уровней сигналов. При этом могут использоваться любые элементы, имеющие функцию инверсии (НЕ).

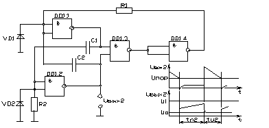
Схема автоколебательного мультивибратора на элементах И-НЕ и временные диаграммы, проясняющие его работу, приведены на рис.8.

Длительность импульсов и период колебаний определяются постоянными времени зарядки хронирующих конденсаторов и :

;

;

;

,

где - пороговое напряжение, при котором логический элемент запирается;

- выходное напряжение, соответствующее логической единице.

Недостатком мультивибратора является возможность состояния, при котором оба элемента оказываются одновременно закрытыми, что приводит к отсутствию колебаний (жёсткий режим возбуждения). Для устранения такого состояния в схему вводят дополнительные логические элементы И (DD 1.3; DD 1.4 ).

При использовании ТТЛ логики серии 155 (К155ЛАЗ, например) период колебаний определяется по формуле:

,

где , , .

Для изменения частоты импульсов резисторы и должны быть переменными, выбираем , , резисторы и объединены механической связью. Тогда формула для вычисления периода колебаний симметричного мультивибратора упростится до вида:

; .

Задавшись одним из значений (R или С), выбираем номинал второго элемента. Рекомендуемые значения резисторов: R - от 100 Ом до 1 МОм.

Ёмкости конденсаторов должны войти в диапазон от 10 пФ до 1 мкФ.

 

 

Рис.10.5. Мультивибратор на логических элементах и его временные диаграммы

 







Date: 2015-05-09; view: 1072; Нарушение авторских прав



mydocx.ru - 2015-2026 year. (0.776 sec.) Все материалы представленные на сайте исключительно с целью ознакомления читателями и не преследуют коммерческих целей или нарушение авторских прав - Пожаловаться на публикацию