Главная Случайная страница


Полезное:

Как сделать разговор полезным и приятным Как сделать объемную звезду своими руками Как сделать то, что делать не хочется? Как сделать погремушку Как сделать так чтобы женщины сами знакомились с вами Как сделать идею коммерческой Как сделать хорошую растяжку ног? Как сделать наш разум здоровым? Как сделать, чтобы люди обманывали меньше Вопрос 4. Как сделать так, чтобы вас уважали и ценили? Как сделать лучше себе и другим людям Как сделать свидание интересным?


Категории:

АрхитектураАстрономияБиологияГеографияГеологияИнформатикаИскусствоИсторияКулинарияКультураМаркетингМатематикаМедицинаМенеджментОхрана трудаПравоПроизводствоПсихологияРелигияСоциологияСпортТехникаФизикаФилософияХимияЭкологияЭкономикаЭлектроника






RC-фильтр верхних частот





В RC -фильтре верхних частот (ФВЧ) конденсатор включён в продольное плечо (рис. 2. 4.8. а). Поэтому на низких частотах его сопротивление значительно больше сопротивление резистора параллельного плеча и коэффициент передачи мал. С увеличением частоты сопротивление конденсатора уменьшается, что приводит к увеличению коэффициента передачи (рис. 2.4.8. б).

Рис. 2. 4.8. Схема пассивного RC- фильтра верхних частот (а) и его АЧХ (б).

Рассмотренные ФНЧ и ФВЧ, состоящие из нескольких однотипных звеньев RC, называются цепочечными RC -фильтрами.

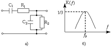
В качестве полосового RC -фильтра на низких частотах применяется Г -образный RC -фильтр (рис. 2.4.9. а).

Рис. 2.4.9. Схема пассивного полосового RC -фильтра (а) и его АЧХ (б).

На некоторой частоте f р, называемой квазирезонансной, коэффициент передачи такого фильтра имеет наибольшее значение, равное 1/3, и уменьшается при отклонении частоты входного напряжения от f р (рис. 2.4.9. б).

Роль заграждающих фильтров (ЗФ) на низких частотах выполняют Т -образные (рис. 2.4.10.) и двойной Т -образный (рис. 2.4.11. а) фильтры. У этих фильтров на квазирезонансной частоте f р коэффициент передачи имеет минимальное значение и увеличивается при отклонении частоты входного напряжения от f р (рис. 2.4.11. б).

Рис. 2.4.10. Схемы заграждающих Т -образных RC -фильтров (q – коэффициент, равный целому положительному числу).

Рис. 2.4.11. Схема заграждающего двойного Т -образного RC -фильтра (а) и его АЧХ (б).







Date: 2015-05-09; view: 2220; Нарушение авторских прав



mydocx.ru - 2015-2026 year. (0.173 sec.) Все материалы представленные на сайте исключительно с целью ознакомления читателями и не преследуют коммерческих целей или нарушение авторских прав - Пожаловаться на публикацию