Главная Случайная страница


Полезное:

Как сделать разговор полезным и приятным Как сделать объемную звезду своими руками Как сделать то, что делать не хочется? Как сделать погремушку Как сделать так чтобы женщины сами знакомились с вами Как сделать идею коммерческой Как сделать хорошую растяжку ног? Как сделать наш разум здоровым? Как сделать, чтобы люди обманывали меньше Вопрос 4. Как сделать так, чтобы вас уважали и ценили? Как сделать лучше себе и другим людям Как сделать свидание интересным?


Категории:

АрхитектураАстрономияБиологияГеографияГеологияИнформатикаИскусствоИсторияКулинарияКультураМаркетингМатематикаМедицинаМенеджментОхрана трудаПравоПроизводствоПсихологияРелигияСоциологияСпортТехникаФизикаФилософияХимияЭкологияЭкономикаЭлектроника






Сыйымдылықты сүзгіші бар түзеткіштерді есептеу





 

Радиоэлектронды аппаратураның жаңа заманғы аз қуатты қорек көздерінде түзеткіш түзетілген кернеу пульсациясын азайту үшін сыйымдылықты сүзгіштен тұратындықтан активті-сыйымдылықты жүктемегедегі түзеткіш жұмысын қарастырамыз. Трансформатордағы таралудың магниттік ағыны түзеткіштердегі электромагниттік процестердің сипатына әсерін тигізеді, олар х а ораманың индуктивті кедергісінде ескерілетін болады. Келесі маңызды параметр ораманың r a активті кедергісі болып табылады. Түзеткіштерді есептеу ерекшеліктері х а және r a параметрлері арасындағы қатынастан тәуелді болады.

Аз қуатты түзеткіштерде (әсіресе төмен вольтты) ораманың индуктивті кедергісі активті кедергіден x a/ r a»0,3 біршама кіші. Сондықтан мұндай түзеткіштерді есептеу барысында таралу ағындары есептеулерді қысқарту ескерілмейді.

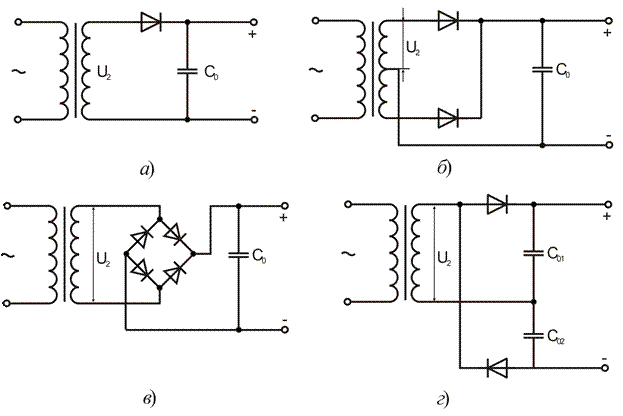
Сыйымдылық филтрлі түзеткіштерде жұмыс істеу кезінде 4 суретте келтірілген схемалар қолданылады. Түзеткіш құрылғыларға қойылатын талаптарға сәйкес схеманы таңдауда түрлі факторларға байланысты. Бұл факторларға түзетілген кернеу, қуат, түзетілген кернеудің пульсация коэффициенті, диод саны, кері кернеу, трансформатор қуатын пайдалану коэффициенті, екіншілік орамның кернеуі жатады.

Бір жартылай периодты схеманы (4,а суреті) әдетте бірнеше ондық мА түзетілген тоғы бар схемаларда немесе түзетілген кернеудің тегістеуінің жоғары деңгейі қажет емес жағдайда қолданылады. Бұл схема трансформатор қуатын пайдалану коэффициентінің нашар болуымен сипатталады.

Екі жартылай периодты схема (4,б суреті) төиен вольтті түзеткіштерде қолданылады. Бір фазалы көпірлік түзеткішпен салыстырғанда ол диод санын екі есе азайтуға, сонымен қоса шығынды төмендетуге мүмкіндік береді.

Бір фазалы көпірлі схема (4,в суреті) қуат пайдалану коэффициентінің жоғары болуымен сипатталады. Сондықтан ол схема шығыстық крнеуі ондаған вольттан жүздік вольтқа дейінгі жететін кездегі жоғары қуаты бар құралдарда қолданылуы мүмкін.

Екі еселенген кернеу схемасы (4,г сурет) 2 бір жартылай периодты схемалардың тізбекті қосылуы болып табылады және түзетілген кернеудің жоғары көрсеткіштерінде (12 кВ) үлкен емес тоқтардағы түрлі қуаты бар құрылғыларды қолданылады. Фильтрдың әрбір конденсаторындағы кернеу шамамен трансформатордың шығыстық орамындағы кернеуге тең болады, ал жүктемедегі кернеу конденсаторлардығы кернеулерді суммалау нәтижесінде екі есе артық болады.

Түрлі типтегі фильтрлері бар екі тактілі түзеткіштердің жұмысын көрсететін уақытша диаграммалар (4, б, в суреттері) 5 суретте көрсетілген. Сыйымдылық фильтрге түзеткіш жұмыс істегенде Д1 диоды (көпірлік схема үшін Д4 диоды) ашылады, ол үшін түзеткіш кірісінде кернеу тегістеу фильтрі бар конденсатор кернеуіне тең болуы қажет. Бұл интервалда t-t тоқ әрбір ашық диод арқылы тек трансформатор орамындағы кедергісімен және ашық диодпен шектеледі. Т 2 моментінде алдында ашылған түзеткіш Д1 диоды (және Д4) жабылады, себебі түзеткіш кірісіндегі кернеу қайтадын фильтр конденсаторының кернеуіне тең болады. Бұл кезде фильтр конденсатордың жүктеме кедергісіндегі разрядталуы басталады. Ол кезекті түзеткіш диодтарының ашылуы кезінде аяқталады. Кезекті диодтың Д2 (және көпірдік схема үшін Д3) ашылуы Т3 моментінде басталады. Бұл кезде таңбасын өзгерткен түзеткіштің кірістік кернеуі қайтадан фильтр конденсаторының кернеуіне тең болады. әрі қарай процесстер қайталанады.


 

4 сурет – Сыйымдылықтық сүзгiсi бар түзеткiштердiң схемалары

 

Трансформаторда біріншілік және екіншілік орамдарында тарату индуктивтілігінің бар болуы () сыйымдылық фильтрі бар түзеткіште процесстердің сипатын сапа жағынан өзгертпейді. Дегенмен бұл жағдайда тоқ ашық диод арқала нөлдік мәнге дейін түзеткіштің кірісіндегі және шығысындағы кернеулер теңескен кезде емес ал одан кешірек түседі (5,а суретіндегі түзеткіш диод арқылы өтетін тоқтың пунктирлі қисығын қараймыз).

2 кестеде сыйымдылық тегістеуші фильтрі бар түзеткіштерді есептеуге арналған негізгі формулалар келтірілген [9]. Бұл формулалар арқылы түзеткіш диодтың импульстік тура тоғы I пр.и, трансформатордың екіншілік орамындағы бос жүріс кезіндегі кернеу U 2x диодтың импулстік кері кернеуі U о6р.и, түзеткіш диод арқылы өтетін тоқтардың эффективті мәні I д.эф, трансформатордың біріншілік және екіншілік орамындағы I 1эф және I 2эф.

 

Сурет 5 – Сыйымдылық фильтрі бар (а) және LC типті фильтрі бар (б) бір фазалы түзеткіштердің жұмысын көрсететін уақытша диаграммалар

 

Көмекші есептеу коэффициенттері , , екінші кестеде келтірілген. Олар 4.4-4.6 суреттерінде келтірілген графиктер бойынша анықталады. Бұл графиктерді құру кезінле тәуелсіз параетрлер ретінде мына коэффициентер таңдалынды

 

;

Мұндағы f C – қорек көзінің кернеу жиілігі.

 

- трансформатор орамдарының таралуының индуктивтілігінің шамамен мәні

 

Bm = трансформатор өзегіндегі магнит индукция, Тл;

S - трансформатор өзегіндегі сырықтардың саны (брондық трасформатор үшін - 1, сырықты трансформатор үшін – 2, үшфазалы үшін - 3);

rВ − түзеткіш фазасының активті кедергісі, ол тұрақты тоқ бойынша диожтардың тура кедергілерінің қосындысына және трансформатордың екіншілік орамына келтірілген орамдардағы кедергілер қосындысына тең;

т В − түзеткіш фазаларының саны, ол тоқ импульсінің санына тең, 4,а,г – суретте көрсетілген схемалар үшін т В = 2, 4,б,в – суретте көрсетілген схмалар үшін т В = 1.

Аз қуатты бірфазалы көпірлік түзеткіш бірінші, екінші каналдарды есептеуге қолданылады және 6-суретте көрсетілген.

 

6 сурет – Бір фазалы көпірлік түзеткіш

Түзеткіш фазасының актив кедергісі 2-кестедегі формула бойынша анықталады.

Диодтың диффиренциалды (ішкі) кедергісі (2.2) [9] формула немесе жуықталған формула бойынша табамыз.

(7)

Мұндағы U пр – тұрақты тоқтағы диодтағы кернеу түсуі, ол кремнийлік диодтар үшін мынаған тең 0,9–1 В.


Екіншілік орамға келтірілген трансформатор орамдарының кедергісін трансформаторды есептеуге дейін жуықталған формула бойынша анықтауға болады (түзетілген тоқтар іүшін 20 мА-ден кем емес).

 

(8)

Мұндағы kR – түзеткіш схемасына тәуелді коэффициент. (Кесте 2).

 


Кесте 2

Сыйымдылықты фильтрлі бір фазалы түзеткіштерді есептеуге арналған негізгі формулалар

Параметрлері Түзеткіш схемасы
Бір жарты периодты(Бір фазалы) Екі жартылай периодты, орта шығысты Бір фазалы көпірлік Кернеуі екі еселеленген
Орташа түзетілген тоқ I пр.ср
Диодтың импульсті кері кернеуі U о6р.и
Диодтың импульсті тура кернеуі I пр.и
Көмекші есептеуіш коэффициент k L 4,1×10-3 4,3×10-3 5×10-3 1,25×10-3
Көмекші есептеуіш коэффициент k R 2,3 4,7 3,5 0,9
Бос жүріс режиміндегі тарснформатордың екіншілік орамындағы кернеу U 2x B0×Ud B0×Ud B0×Ud
Трансформатордың екіншілік орамы арқылы өтетін тоқтың эффективті мәні I 2эф D0×Id
Трансформатордың біріншілік орамы арқылы өтетін тоқтың эффективті мәні I 1эф
Диодтардан өтетін тоқтың эффективті мәні I 2эф D0×Id D0×Id
Трансфамратордың габаритті қуаты (жуықталған) Ргаб 2×Рd 1,8×Рd 1,8×Рd 1,8×Рd
Түзеткіш фазасының активті кедергісі rВ

Егер трансформатор қосымша орамдарға ие болса, онда кедергі келесі формуламен анықталады:

 

(9)

мұндағы r т – (8) формулада есептелген кернеу;

Р 2 – Есептелетін түзеткіш үшін екіншілік орамның толық қуаты, Вт.

Конденсатор сиымдылығы келесі формуламен анықталады:

 

,

мұндағы Н0 – 4.7–4.10 [9] суреттерде берілген графиктен анықталатын көмекші коэффициент.

Кп – пульсация коэффициенті, %.







Date: 2015-05-09; view: 2784; Нарушение авторских прав



mydocx.ru - 2015-2026 year. (1.514 sec.) Все материалы представленные на сайте исключительно с целью ознакомления читателями и не преследуют коммерческих целей или нарушение авторских прав - Пожаловаться на публикацию