Главная Случайная страница


Полезное:

Как сделать разговор полезным и приятным Как сделать объемную звезду своими руками Как сделать то, что делать не хочется? Как сделать погремушку Как сделать так чтобы женщины сами знакомились с вами Как сделать идею коммерческой Как сделать хорошую растяжку ног? Как сделать наш разум здоровым? Как сделать, чтобы люди обманывали меньше Вопрос 4. Как сделать так, чтобы вас уважали и ценили? Как сделать лучше себе и другим людям Как сделать свидание интересным?


Категории:

АрхитектураАстрономияБиологияГеографияГеологияИнформатикаИскусствоИсторияКулинарияКультураМаркетингМатематикаМедицинаМенеджментОхрана трудаПравоПроизводствоПсихологияРелигияСоциологияСпортТехникаФизикаФилософияХимияЭкологияЭкономикаЭлектроника






Тақырып. Операциялық күшейткіштер, негізгі параметрлері және оларды пайдалану арқылы сұлбалар. (1 сағат)





 

Дәрістің жоспары

1. Операциялық күшейткіштер.

2. Интегралды операциондық күшейткіштердің құрылымы.

3. Опреациялық күшейткіштердің жіктемесі

4. Операциялық күшейткіштердің негізгі параметрлері және сипаттамалары.

 

Операциялық күшейткіштер (ОК) деп теріс кері байланысты сұлбамен жұмыс кезінде аналогты шамалармен әр түрлі операцияларды орындауға арналған жоғары сапалы тұрақты токтың күшейткіштерін (ТТК) атайды.

Әрекет ету және сұлбалық орындалуына қарай ТТК-ді екі негізгі түрге бөледі: 1) тікелей байланысты күшейткіштер (тікелей күшейту); 2) дабылды түрлендіру күшейткіштері. Соңғыларын келесідей бөледі а) тұрақты токты айналмалы кернеуге және тасымалдаушы жиілікте кейінгі модуляциясымен аралық түрлендіру (модуляциясымен) күшейткіштері (УПТ-МДМ); б) кіретін дабыл автогенератордың автотербелістердің параметрлеріне әсер ететін күшейткіштер: амплитудасына, жиілігіне және фазасына (УПТ-УГ генераторларымен басқарылатын). Кейде УПТ-УГ автогенераторлы күшейткіштер деп атайды.

Қазіргі уақытта тікелей байланысты УПТ ретінде негізінен интегралды операционды күшейткіштерді қолданады. Конструкторлы орындалуына қарай олар аяқталған жоғарытұрақты кеңжолақты жоғарысапалы болып табылады. Күшейтудің жоғары коэфициентіне, дифференциалды кіру және сымметриялы емес шығысқа ие.

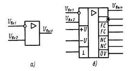
ОК-дің шартты белгіленулері 1, а, б суретте келтірілген. Шығыс кернеуіне қатысты кернеуі фаза бойынша 180° ығысқан кіріс инвертті деп және инверсия О белгісімен белгіленеді, ал кернеуі шығатын кернеуімен фаза бойынша сәйкес келетін кіріс – инвертті емес деп аталады. Шығарулардың тағайындалуын түсіну жеңіл болу және ақпараттылықты арттыру үшін негізгі өрістен екі жағынан бір немесе екі қосымша жолақты енгізуге рұқсат етіледі (1,6-сурет).

1 сурет - ОК шартты белгіленуі:

а — қосымша өріссіз; б — қосымша өрісімен; NC — теңестіру шығарулары; FC —жиілікті түзету шығарулары; U —қорек көзінің кернеуі шығарулары; х — тасушы емес логикалық ақпараттың шығарулары; OV — ортақ ақпараттық шығару ^— корпус

Интегралды ОК-дің құрылымы. Интегралды ОК-нің принципиалды сұлбасының қиындығына тәуелсіз келесідей функционалды түйіндері бар: кіретін дифференциалды каскад, кернеуді күшейткіш, тұрақты деңгейдің ығысу сұлбасы және қуаттың шығатын каскадты-күшейткіші.

ОК жіктемесі. Мақсаттық тағайындалуына байланысты ОК келесідей бөлінеді: а) аппаратураларды қолдануға арналған жалпы қолданыстағы ОК, онда күшейткіштің параметрлеріне аса үлкен талап қойылмайды және пайыз бөлігінде қателіктер рұқсат етіледі; б) прецизионды, аздаған дірілге және шуға, сонымен қатар кушейтудің жоғары коэфициентіне ие; в) тез әрекет етуші, олар шығатын кернеу өзгеруінің жоғары жалдамдыққа ие және импульсті және кең жолақты құрылғыларды құру үшін қолданылады. Кейде жеке топқа қорек көзінен аз тоқтарды тұтынатын микроқуатты ОК бөледі.

ОК параметрлері мен сипаттамасы. ОК параметрлері мен сипаттамасын шартты түрде кіретін, шығатын және беру сипаттамасыне бөлуге болады. Кіретін параметрлерге жатқызады: нольдің ығысу кернеуі; кіретін токтар; кіруші тоқтардың айырмасы; кіретін кедергілер; синфазды кіретін кернеуінің әлсірей коэфициенті; синфазды кіру кернеуінің диапазоны; ноль ығысу кернеуінің температуралық дірілі; кіретін токтардың және олардың айырмашылығының температуралық дірілі; кіріске келтірілген шудың кернеуі (тогы); ығысу кернеуіне қорек көзінің әсер ету коэфициенті.


Шығатын параметрлер тобына шығатын кедергі, кернеу және шығу тогы жатады.

Беру сипаттамасы тобына кернеу бойынша күшейту коэфициентін, бірлік күшеюінің жиілігін, шығатын кернеудің өсу жылдамдығын, шығатын кернеудің орнату уақытын, амплитудалық-жиілікті сипаттамасын жатқызады.

Операционды күшейткіштер түрлі оперцияларды аналогты дабылдармен орындауға арналған: күшейту немесе әлсірету, қосу немесе айыру, интегрирдеу немесе дифференциалдау, логарифмдеу және потенциалдау (дәрежеге шығару), олардың пішіндерін түрлендіру және т.б.

Осы барлық операцияларды ОК құрамына кедергі, сыйымдылықтар және индуктивтіліктер, диодтар, стабилитрондар, транзисторлар және басқа элементтер кіру мүмкін оң және теріс кері байланысты тізбектер көмегімен орындайды.

Операционды күшейткіштер жетілдіріліп жатыр, кейбір ерекше қасиеттерге ие жаңа типтер пайда болып жатыр.

 

Ұсынылатын әдебиеттер:

1. Гусев В.Г., Гусев Ю.М. Электроника и микропроцессорная техника: Учеб. для вузов. – 4-шығ., тол.– М.: Высш. шк., 2006. – 799б.: ил.

2. Расчет электронных схем. Примеры и задачи: Учеб пособие для вузов по спец. электрон. техники/Г.И. Изъюрова, Г.В. Королев, В.А. Терехов и др. – М.: Высш. шк., 1987. – 335 с.; ил.

3. Справочник по схемотехнике для радиолюбителя/ В.П. Боровский, В.И. Костенко, В.М. Михайленко, О.Н. Партала; Под ред. В.П. Боровского – К.:Технiка, 1987. – 432с.: ил.

4. Прянишников В.А. Электроника. Полный курс лекций: учебное пособие. – 4-е изд. – СПб.:КОРОНА принт, 2004. 414с.: ил.

5. Электроника: учеб. пособие для вузов./В.И.Лачин, И.С. Савелов. – РОСТОВ-НА-ДОНУ: Феникс, 2000. -446с.

6. Бойко В.И. и др. Схемотехника электронных систем. Аналоговые и импульсные устройства. – СПб.: БХВ-Петербург, 2004. – 496с.: ил.

 

СДЖ үшін бақылау сұрақтары

1. ОК қойылатын негізгі талаптар қандай?

2. ОК инверттеуші және инверттемейтін кірістері бойынша беріліс сипаттамасынде қандай айырмашылықтары бар?

3. ОК кіру кедергісінің арту жолдары қандай?

4. ОК минималды шығатын кедергісінің алуына қалай қол жеткізуге болады?

5. Дәріс тақырыбы бойынша түрлі пішіндегі 5 тестілі тапсырма құру.

 







Date: 2015-05-09; view: 5235; Нарушение авторских прав



mydocx.ru - 2015-2026 year. (0.525 sec.) Все материалы представленные на сайте исключительно с целью ознакомления читателями и не преследуют коммерческих целей или нарушение авторских прав - Пожаловаться на публикацию