Главная Случайная страница


Полезное:

Как сделать разговор полезным и приятным Как сделать объемную звезду своими руками Как сделать то, что делать не хочется? Как сделать погремушку Как сделать так чтобы женщины сами знакомились с вами Как сделать идею коммерческой Как сделать хорошую растяжку ног? Как сделать наш разум здоровым? Как сделать, чтобы люди обманывали меньше Вопрос 4. Как сделать так, чтобы вас уважали и ценили? Как сделать лучше себе и другим людям Как сделать свидание интересным?


Категории:

АрхитектураАстрономияБиологияГеографияГеологияИнформатикаИскусствоИсторияКулинарияКультураМаркетингМатематикаМедицинаМенеджментОхрана трудаПравоПроизводствоПсихологияРелигияСоциологияСпортТехникаФизикаФилософияХимияЭкологияЭкономикаЭлектроника






Краткие сведения





Лабораторная работа № 4

НАЗНАЧЕНИЕ, УСТРОЙСТВО И РАБОТА СИСТЕМЫ

СМАЗКИ ДВИГАТЕЛЯ ВНУТРЕННЕГО СГОРАНИЯ

 

Цель работы: ознакомиться с назначением и устройством смазочной системы двигателя, изучить принцип действия и классификацию приборов системы смазки. Выявить назначение и работу вентиляции картера.

 

Оборудование рабочего места

1. Двигатель ВАЗ(2106-70, 2108); ЗИЛ-130; ЗМЗ-24Д; УМЗ-414.10.

2. Приборы системы смазки двигателя.

3. Набор инструментов слесаря-автомеханика.

4. Инструкционные карты по разборке приборов системы смазки двигателя.

 

План работы

1. Ознакомиться с методическими указаниями, техническими условиями и требованиями по технике безопасности.

2. Подготовить рабочее место.

3. Изучить общее устройство системы смазки и подготовить к работе слесарный инструмент.

4. Произвести внешний осмотр приборов системы смазки.

5. Произвести разборку приборов системы смазки двигателя (по указанию преподавателя).

6. Ознакомиться с устройством деталей системы смазки.

7. Произвести сборку приборов системы смазки двигателя в обратной последовательности разборки.

8. Составить отчет.

 

Краткие сведения

Главным назначением смазочной системы является:

- уменьшение потерь (механических) на трение;

- очищение зоны трения от продуктов износа;

- охлаждение зоны трения;

- уплотнение зазоров сопряжения;

- защита деталей от коррозии.

В зависимости от условий работы узлов и механизмов двигателя смазочный материал к ним может подводиться несколькими способами, конструктивно объединенными в единую систему. В современных двигателях из-за наличия различных способов подачи масла к трущимся поверхностям сопряженных деталей смазочная система называется комбинированной и в ней применяются следующие способы смазывания: под давлением и разбрызгиванием.

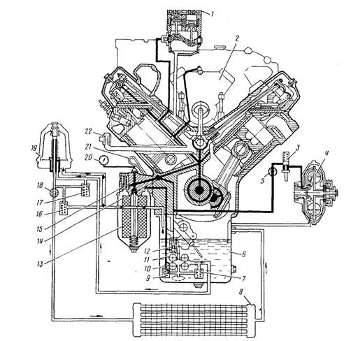
Смазочная система дизельного двигателя КамАЗ-740 (рис. 1). Заправка маслом происходит через заливной патрубок, установленный на картере маховика. Для периодического контроля за уровнем масла в поддоне 6 картера служит указатель 21. Двухсекционный масляный насос, состоящий из нагнетательной 11 и радиаторной 1 секций, приводится в действие от коленчатого вала. Секцией 11 масляного насоса по каналу в правой стенке блока цилиндров масло подается в полнопоточный фильтр 13 со сменным фильтрующим элементом тонкой очистки, откуда оно направляется в главную масляную магистраль 14.

Из главной магистрали по каналам в блок цилиндров масло поступает к коренным подшипникам коленчатого вала и по отверстиям в его щеках поступает к шатунным подшипникам. Одновременно масло по вертикальным каналам в блоке цилиндров поступает к опорным шейкам распределительного вала и по наклонным каналам к втулкам коромысел, а от них направляется к регулировочным винтам и верхним наконечникам штанг.

На стенки цилиндров масло поступает разбрызгиванием, где оно снимается маслосъемным кольцом, масло отводится внутрь поршня и смазывает поршневой палец. Из наклонных каналов блока масло поступает для смазывания подшипников компрессора 1 и топливного насоса высокого давления 2. Кроме того, от нагнетательной секции насоса через кран 5 и регулятор выключателя 3 масло подается в гидромуфту 4 привода вентилятора.

 

 

Рис. 1. Схема системы смазки двигателя КамАЗ-740

 

Радиаторная секция 10 масляного насоса по маслопроводу подает масло к центрифуге 19, из которой оно постоянно сливается в поддон картера через клапан 16 или проходит в радиатор 8, если кран 18 маслопровода открыт. Перепускной клапан 17 ограничивает давление масла, проходящего через центрифугу, до 0,6–0,65 МПа, а клапан 12 в корпусе масляного насоса ограничивает давление в главной смазочной магистрали и открывается при давлении 0,4–0,45 МПа.

Давление масла в системе определяется по манометру 20. При засорении фильтра 13 или повышении вязкости масла открывается перепускной клапан 15 и неочищенное масло поступает в главную смазочную магистраль 14. При этом на щитке приборов загорается сигнальная лампочка.

 







Date: 2015-05-09; view: 850; Нарушение авторских прав



mydocx.ru - 2015-2026 year. (0.563 sec.) Все материалы представленные на сайте исключительно с целью ознакомления читателями и не преследуют коммерческих целей или нарушение авторских прав - Пожаловаться на публикацию